搜索
汉力达液压金币充值官方微信群液压资料下载
查看: 534|回复: 0

[样本] MICO制动阀/脚踏阀样本

[复制链接]
  • 打卡等级:常驻居民
  • 打卡总天数:437
  • 打卡总奖励:876
发表于 2024-4-7 22:05:56 | 显示全部楼层 |阅读模式
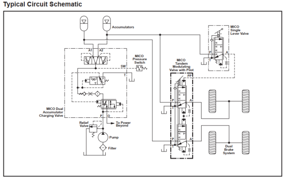
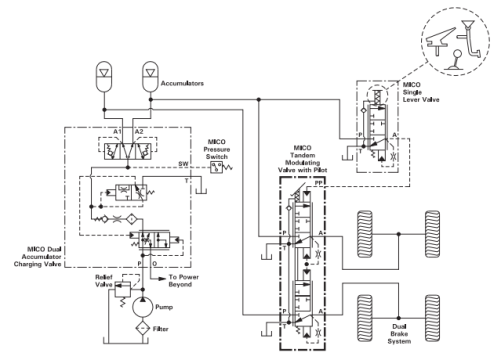
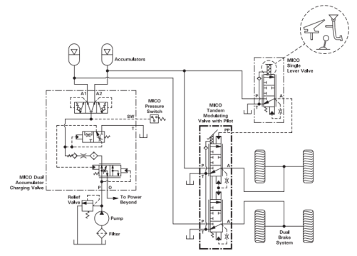
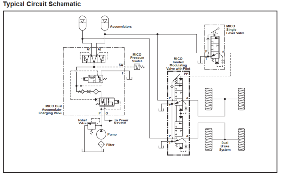
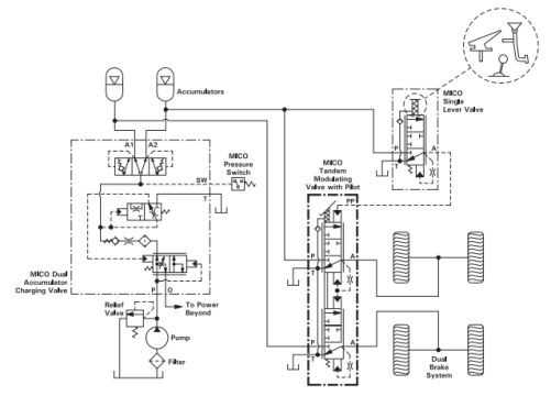
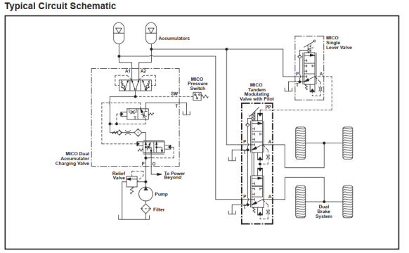
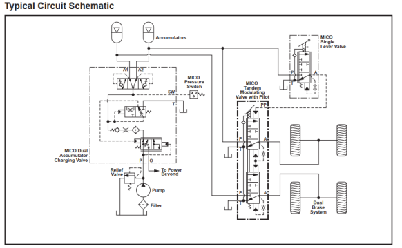
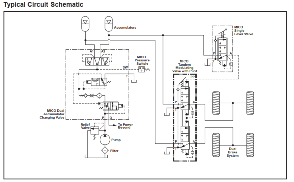
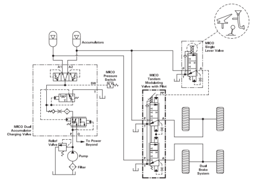
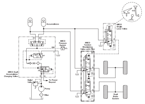
MICO制动阀/脚踏阀样本
MICO制动阀.png
MICO制动阀1.png
MICO制动阀2.png

制动阀Hydraulic Brake Valves_0 液压制动阀.pdf

6.13 MB, 下载次数: 66

售价: 20 金钱  [记录]

您需要登录后才可以回帖 登录 | 立即注册

本版积分规则