设为首页
收藏本站
所有帖子
关于我们
联系我们
微信群
开启辅助访问
搜索
搜索
本版
用户
门户
Portal
资讯
液压资讯
观点
观点
产品
液压产品
技术
液压技术
合集
导读
Guide
下载
签到
金币
论坛
BBS
登录
立即注册
腾讯QQ
账号
自动登录
找回密码
密码
登录
立即注册
只需一步,快速开始
好友
动态
收藏
分享
帖子
日志
记录
相册
留言板
勋章
任务
道具
设置
退出
液压圈
»
论坛
›
液压元件
›
液压多路阀
›
请教平衡阀的工作原理
负载敏感资料下载
|
液压培训资料下载
|
液压样本下载
|
AMESim资料下载
|
力士乐资料下载
|
挖掘机资料下载
|
标准资料下载
|
多路阀资料下载
返回列表
查看:
1216
|
回复:
6
请教平衡阀的工作原理
[复制链接]
lq2024
lq2024
当前离线
积分
83
注册时间
2024-3-22
最后登录
1970-1-1
IP卡
狗仔卡
打卡等级:偶尔看看
打卡总天数:63
打卡总奖励:78
发表于 2024-4-8 15:58:12
|
显示全部楼层
|
阅读模式
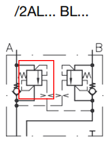
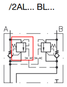
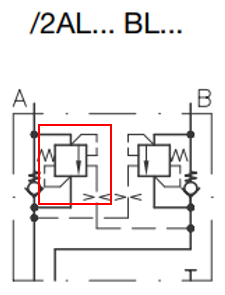
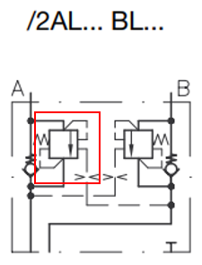
图示为哈威SWS型号
多路阀
,其中执行元件侧的
平衡阀
是哪种压力阀?是顺序阀吗?这样的职能符号的基本原理是什么?谢谢。
回复
使用道具
举报
提升卡
置顶卡
变色卡
wqltj12
wqltj12
当前离线
积分
3
注册时间
2024-3-6
最后登录
1970-1-1
IP卡
狗仔卡
打卡等级:无名新人
打卡总天数:2
打卡总奖励:2
发表于 2024-4-9 11:59:55
|
显示全部楼层
应该是顺序阀门吧。
回复
使用道具
举报
四筒
四筒
当前离线
积分
723
注册时间
2012-9-9
最后登录
1970-1-1
IP卡
狗仔卡
打卡等级:以坛为家
打卡总天数:880
打卡总奖励:1126
发表于 2024-4-9 12:00:40
来自手机
|
显示全部楼层
平衡阀,在有重力等负负载工况下使用
回复
使用道具
举报
tsmdxm1
tsmdxm1
当前离线
积分
135
注册时间
2010-11-19
最后登录
1970-1-1
IP卡
狗仔卡
打卡等级:偶尔看看
打卡总天数:121
打卡总奖励:134
发表于 2024-4-10 15:47:43
|
显示全部楼层
overcenter valve
回复
使用道具
举报
一生伏首拜阳明
一生伏首拜阳明
当前离线
积分
292
注册时间
2015-3-21
最后登录
1970-1-1
IP卡
狗仔卡
打卡等级:即来则安
打卡总天数:291
打卡总奖励:326
发表于 2024-6-14 11:01:14
|
显示全部楼层
平衡阀的自溢流压力受背压影响,抛去先导开阀的情况,实际溢流的压力等于出口压力加上弹簧设定值压力的和。
回复
使用道具
举报
一生伏首拜阳明
一生伏首拜阳明
当前离线
积分
292
注册时间
2015-3-21
最后登录
1970-1-1
IP卡
狗仔卡
打卡等级:即来则安
打卡总天数:291
打卡总奖励:326
发表于 2024-6-14 11:07:01
|
显示全部楼层
溢流阀,背压会对平衡阀设定压力值有影响
回复
使用道具
举报
羊鼠粮
羊鼠粮
当前离线
积分
582
注册时间
2023-2-16
最后登录
1970-1-1
IP卡
狗仔卡
打卡等级:常驻居民
打卡总天数:585
打卡总奖励:1060
发表于 2024-7-13 10:04:28
|
显示全部楼层
建议买一本张海平老师的《液压螺纹插装阀》
回复
使用道具
举报
返回列表
高级模式
B
Color
Image
Link
Quote
Code
Smilies
您需要登录后才可以回帖
登录
|
立即注册
本版积分规则
发表回复
回帖后跳转到最后一页
浏览过的版块
工程机械
测试技术
AMESim
供求信息
液压电磁阀
插装阀
液压油缸
故障诊断
快速回复
返回顶部
返回列表