设为首页
收藏本站
所有帖子
关于我们
联系我们
微信群
开启辅助访问
搜索
搜索
本版
用户
门户
Portal
资讯
液压资讯
观点
观点
产品
液压产品
技术
液压技术
合集
导读
Guide
下载
签到
金币
论坛
BBS
登录
立即注册
腾讯QQ
账号
自动登录
找回密码
密码
登录
立即注册
只需一步,快速开始
好友
动态
收藏
分享
帖子
日志
记录
相册
留言板
勋章
任务
道具
设置
退出
液压圈
»
论坛
›
液压元件
›
液压泵马达
›
力士乐变量马达HA控制模式能外部设置工作压力么? ...
负载敏感资料下载
|
液压培训资料下载
|
液压样本下载
|
AMESim资料下载
|
力士乐资料下载
|
挖掘机资料下载
|
标准资料下载
|
多路阀资料下载
返回列表
查看:
1013
|
回复:
3
力士乐变量马达HA控制模式能外部设置工作压力么?
[复制链接]
jingtl
jingtl
当前离线
积分
134
注册时间
2020-3-17
最后登录
1970-1-1
IP卡
狗仔卡
打卡等级:无名新人
打卡总天数:6
打卡总奖励:7
发表于 2024-4-14 18:52:26
|
显示全部楼层
|
阅读模式
看
力士乐
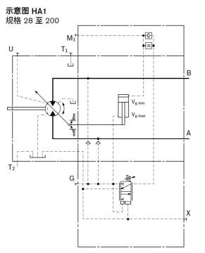
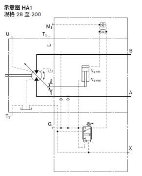
的A6VE/VM变量
马达
,看HA1/HA2控制模式下,X口是内部接卸油口的,我想能外部设置系统目标工作压力,M1口可以外接比例溢流阀实现目标压力设定么?好像也没有其他控制口可接了。
HA控制模式
回复
使用道具
举报
提升卡
置顶卡
变色卡
design
design
当前离线
积分
59
注册时间
2014-2-13
最后登录
1970-1-1
IP卡
狗仔卡
发表于 2024-4-26 14:01:45
|
显示全部楼层
外部设置工作压力是什么意思? HA是自动压力变量
回复
使用道具
举报
jingtl
jingtl
当前离线
积分
134
注册时间
2020-3-17
最后登录
1970-1-1
IP卡
狗仔卡
打卡等级:无名新人
打卡总天数:6
打卡总奖励:7
楼主
|
发表于 2024-5-9 21:59:41
|
显示全部楼层
design 发表于 2024-4-26 14:01
外部设置工作压力是什么意思? HA是自动压力变量
比如说有时候我希望油口AB的工作压力是5MPa,有些时候是13MPa之类的。
回复
使用道具
举报
design
design
当前离线
积分
59
注册时间
2014-2-13
最后登录
1970-1-1
IP卡
狗仔卡
发表于 2024-5-21 13:09:53
|
显示全部楼层
想外部设置压力那就设置系统压力就好了 ,在泵那边设置两级压力 HA的X口是直接堵起来的,不接任何东西
回复
使用道具
举报
返回列表
高级模式
B
Color
Image
Link
Quote
Code
Smilies
您需要登录后才可以回帖
登录
|
立即注册
本版积分规则
发表回复
回帖后跳转到最后一页
浏览过的版块
资料下载
液压辅件
液压技术
公告区
液压油缸
求职招聘
液压电磁阀
供求信息
快速回复
返回顶部
返回列表