设为首页
收藏本站
所有帖子
关于我们
联系我们
微信群
开启辅助访问
搜索
搜索
本版
用户
门户
Portal
资讯
液压资讯
观点
观点
产品
液压产品
技术
液压技术
合集
导读
Guide
下载
签到
金币
论坛
BBS
登录
立即注册
腾讯QQ
账号
自动登录
找回密码
密码
登录
立即注册
只需一步,快速开始
我的
日志
记录
收藏
勋章
任务
道具
动态
设置
退出
液压圈
»
论坛
›
液压系统
›
AMESim
›
萌新求教各位大佬,感激不尽
负载敏感资料下载
|
液压培训资料下载
|
液压样本下载
|
AMESim资料下载
|
力士乐资料下载
|
挖掘机资料下载
|
标准资料下载
|
多路阀资料下载
返回列表
查看:
693
|
回复:
0
萌新求教各位大佬,感激不尽
[复制链接]
bangpi
bangpi
当前离线
积分
5
注册时间
2024-5-22
最后登录
1970-1-1
IP卡
狗仔卡
发表于 2024-5-22 14:22:05
|
显示全部楼层
|
阅读模式
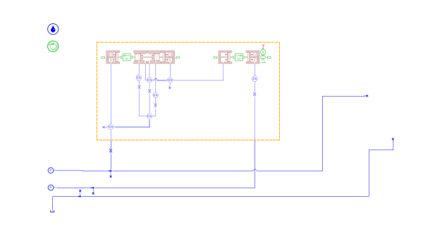
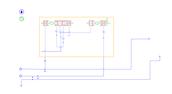
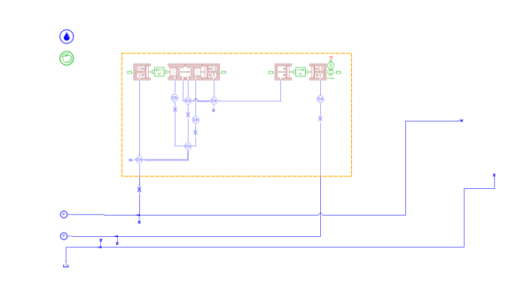
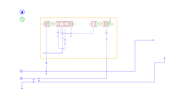
请问为什么我仿真编译时,单个模块编译是可以的,但是两个模块放在一起就编译失败了。
就出现了图片上的错误,这种具体要怎么修改呢?
谢谢各位大佬指教
回复
使用道具
举报
提升卡
置顶卡
变色卡
返回列表
高级模式
B
Color
Image
Link
Quote
Code
Smilies
您需要登录后才可以回帖
登录
|
立即注册
本版积分规则
发表回复
回帖后跳转到最后一页
浏览过的版块
资料下载
公告区
液压辅件
伺服控制
液压泵马达
液压技术
快速回复
返回顶部
返回列表