设为首页
收藏本站
所有帖子
关于我们
联系我们
微信群
开启辅助访问
搜索
搜索
本版
用户
门户
Portal
资讯
液压资讯
观点
观点
产品
液压产品
技术
液压技术
合集
导读
Guide
下载
签到
金币
论坛
BBS
登录
立即注册
腾讯QQ
账号
自动登录
找回密码
密码
登录
立即注册
只需一步,快速开始
好友
动态
收藏
分享
帖子
日志
记录
相册
留言板
勋章
任务
道具
设置
退出
液压圈
»
论坛
›
液压元件
›
液压多路阀
›
力士乐比例流量阀
负载敏感资料下载
|
液压培训资料下载
|
液压样本下载
|
AMESim资料下载
|
力士乐资料下载
|
挖掘机资料下载
|
标准资料下载
|
多路阀资料下载
返回列表
查看:
1070
|
回复:
3
力士乐比例流量阀
[复制链接]
guangshuikk
guangshuikk
当前离线
积分
12
注册时间
2023-10-21
最后登录
1970-1-1
IP卡
狗仔卡
打卡等级:无名新人
打卡总天数:1
打卡总奖励:1
发表于 2024-5-24 18:44:55
|
显示全部楼层
|
阅读模式
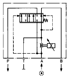
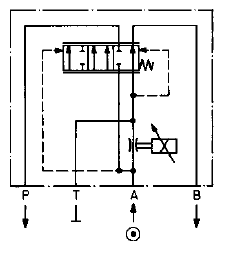
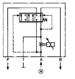
各位大神帮忙看下,
力士乐
的比例流量阀是阀芯部分是怎么动作的,有点理解不了
回复
使用道具
举报
提升卡
置顶卡
变色卡
qq378779921
qq378779921
当前离线
积分
689
注册时间
2012-11-3
最后登录
1970-1-1
IP卡
狗仔卡
打卡等级:论坛老炮
打卡总天数:1209
打卡总奖励:1899
发表于 2024-5-25 20:26:26
|
显示全部楼层
A口进油通过电比例可调节流阀调节阀口开度,上面那个三位阀是保持节流阀前后压差不变的,B口流量由节流阀开口决定,不受负载变化的影响,多余的油从P口出去可以用于其他动作,T口堵死的。
点评
1648183658
🤙
发表于 2024-5-26 13:44
回复
使用道具
举报
百万负翁
百万负翁
当前离线
积分
382
注册时间
2013-3-25
最后登录
1970-1-1
IP卡
狗仔卡
打卡等级:常驻居民
打卡总天数:317
打卡总奖励:335
发表于 2024-10-9 08:33:14
|
显示全部楼层
上边的阀芯是压力补偿器,通过比例电磁铁控制节流阀开口来调节流量。
回复
使用道具
举报
返回列表
高级模式
B
Color
Image
Link
Quote
Code
Smilies
您需要登录后才可以回帖
登录
|
立即注册
本版积分规则
发表回复
回帖后跳转到最后一页
浏览过的版块
工程机械
故障诊断
供求信息
液压电磁阀
测试技术
AMESim
插装阀
液压油缸
快速回复
返回顶部
返回列表