设为首页
收藏本站
所有帖子
关于我们
联系我们
微信群
开启辅助访问
搜索
搜索
本版
用户
门户
Portal
资讯
液压资讯
观点
观点
产品
液压产品
技术
液压技术
合集
导读
Guide
下载
签到
金币
论坛
BBS
登录
立即注册
腾讯QQ
账号
自动登录
找回密码
密码
登录
立即注册
只需一步,快速开始
好友
动态
收藏
分享
帖子
日志
记录
相册
留言板
勋章
任务
道具
设置
退出
液压圈
»
论坛
›
液压系统
›
液压技术
›
液压技术询问
负载敏感资料下载
|
液压培训资料下载
|
液压样本下载
|
AMESim资料下载
|
力士乐资料下载
|
挖掘机资料下载
|
标准资料下载
|
多路阀资料下载
1
2
/ 2 页
下一页
返回列表
查看:
1698
|
回复:
11
液压技术询问
[复制链接]
LMY6750274
LMY6750274
当前离线
积分
100
注册时间
2021-5-11
最后登录
1970-1-1
IP卡
狗仔卡
打卡等级:偶尔看看
打卡总天数:97
打卡总奖励:128
发表于 2024-6-5 11:46:10
|
显示全部楼层
|
阅读模式
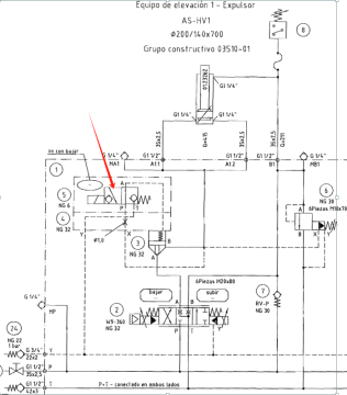
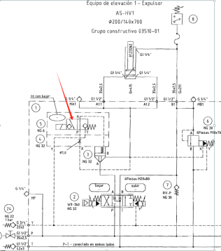
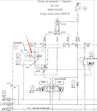
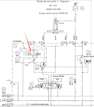
请问液压大师们,我发的图纸,
油缸
下行插装先导电磁球阀要得电,油缸上行电磁球阀不要要得电,为什么?
回复
使用道具
举报
提升卡
置顶卡
变色卡
LMY6750274
LMY6750274
当前离线
积分
100
注册时间
2021-5-11
最后登录
1970-1-1
IP卡
狗仔卡
打卡等级:偶尔看看
打卡总天数:97
打卡总奖励:128
楼主
|
发表于 2024-6-5 11:47:05
|
显示全部楼层
油缸上行电磁球阀不需要得电,为什么?
回复
使用道具
举报
zzj102730
zzj102730
当前离线
积分
34
注册时间
2014-3-14
最后登录
1970-1-1
IP卡
狗仔卡
打卡等级:初来乍到
打卡总天数:35
打卡总奖励:82
发表于 2024-6-5 14:42:11
|
显示全部楼层
上行的时候不得电等效于单向阀
回复
使用道具
举报
1648183658
1648183658
当前离线
积分
824
注册时间
2019-9-11
最后登录
1970-1-1
IP卡
狗仔卡
打卡等级:论坛老炮
打卡总天数:1038
打卡总奖励:1752
发表于 2024-6-5 16:07:04
来自手机
|
显示全部楼层
不用得电......
回复
使用道具
举报
zkzcmy
zkzcmy
当前离线
积分
892
注册时间
2010-8-27
最后登录
1970-1-1
IP卡
狗仔卡
打卡等级:论坛老炮
打卡总天数:940
打卡总奖励:1608
发表于 2024-6-6 07:08:01
|
显示全部楼层
简单啊,看控制油取的是哪,3楼说的很清楚,上行相当于单向阀,下行,控制路有压力,主阀芯打不开,电磁阀必须得电。
回复
使用道具
举报
erni
erni
当前离线
积分
339
注册时间
2016-5-2
最后登录
1970-1-1
IP卡
狗仔卡
打卡等级:常驻居民
打卡总天数:319
打卡总奖励:328
发表于 2024-6-6 08:15:30
来自手机
|
显示全部楼层
等效为大流量液控单向阀,得电等效为有先导压力单向阀打开,不得电等效为无先导压力单向阀关闭。
点评
海中游
是
发表于 2024-6-6 17:06
回复
使用道具
举报
a343740703
a343740703
当前离线
积分
398
注册时间
2013-5-24
最后登录
1970-1-1
IP卡
狗仔卡
打卡等级:常驻居民
打卡总天数:336
打卡总奖励:425
发表于 2024-6-6 09:34:50
|
显示全部楼层
上行时,大插装阀3相当于单向阀;负载小时,形成差动回路,实现快速伸出;负载大了,序号6打开,实现慢速伸出。上行结束时,插装阀3相当于液压锁,实现保压。
回复
使用道具
举报
a343740703
a343740703
当前离线
积分
398
注册时间
2013-5-24
最后登录
1970-1-1
IP卡
狗仔卡
打卡等级:常驻居民
打卡总天数:336
打卡总奖励:425
发表于 2024-6-6 09:51:21
|
显示全部楼层
压力油经过比例阀A口达到插装阀3A口,插装阀A口到B口 需要看控制油X,X控制油与B口相通,就相当于单向阀了。
回复
使用道具
举报
x199
x199
当前离线
积分
315
注册时间
2013-6-3
最后登录
1970-1-1
IP卡
狗仔卡
打卡等级:以坛为家
打卡总天数:776
打卡总奖励:3041
发表于 2024-6-6 20:13:47
|
显示全部楼层
请教一下:6和7的作用?
回复
使用道具
举报
enjoyhuang110
enjoyhuang110
当前离线
积分
1143
注册时间
2021-5-29
最后登录
1970-1-1
IP卡
狗仔卡
打卡等级:论坛老炮
打卡总天数:1189
打卡总奖励:1554
发表于 2024-6-7 09:42:10
|
显示全部楼层
x199 发表于 2024-6-6 20:13
请教一下:6和7的作用?
序号6和7是系统快慢速,液压油缸上升时,换向阀在平行位时,回油是堵死的,此时形成了差动回路,(差动回路速度快速上升)油缸上腔油液经过7单向阀与P口连通,此时形成差动的主要条件是负载压力要低于6号溢流阀的调定压力,当管路压力高于溢流阀调定压力时,溢流阀打开,此时差动回路关闭,油缸上腔的油液经过溢流阀回到油箱,此时为慢速上升。所以这两个元件的作用应该明白了吧
回复
使用道具
举报
下一页 »
1
2
/ 2 页
下一页
返回列表
高级模式
B
Color
Image
Link
Quote
Code
Smilies
您需要登录后才可以回帖
登录
|
立即注册
本版积分规则
发表回复
回帖后跳转到最后一页
浏览过的版块
资料下载
供求信息
液压油缸
建议区
工程机械
液压多路阀
企业名录
快速回复
返回顶部
返回列表