搜索
汉力达液压金币充值官方微信群液压资料下载
查看: 1565|回复: 14

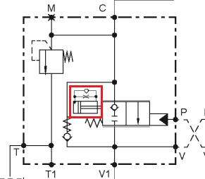
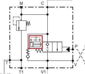
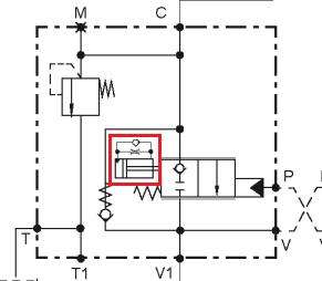
这个是平衡阀吗?

  [复制链接]
  • 打卡等级:偶尔看看
  • 打卡总天数:122
  • 打卡总奖励:208
发表于 2024-8-21 22:53:05 | 显示全部楼层 |阅读模式
这个平衡阀的弹簧腔柱塞缸是个什么原理?有没有专家指点下。

平衡阀?

平衡阀?
回复

使用道具 举报

  • 打卡等级:偶尔看看
  • 打卡总天数:145
  • 打卡总奖励:166
发表于 2024-8-24 10:29:31 来自手机 | 显示全部楼层
这个更像阻尼器
回复

使用道具 举报

  • 打卡等级:无名新人
  • 打卡总天数:2
  • 打卡总奖励:8
发表于 2024-8-24 16:57:51 | 显示全部楼层
有点复位缓冲的意思
回复

使用道具 举报

  • 打卡等级:无名新人
  • 打卡总天数:4
  • 打卡总奖励:8
发表于 2024-8-25 13:48:54 | 显示全部楼层
阀芯开启速度通过阻尼限制,复位通过单向通道可快速动作

点评

是的,这个是控制开启速度防止启动冲击的  发表于 2024-12-4 09:13
支持  发表于 2024-8-25 13:55
回复

使用道具 举报

  • 打卡等级:偶尔看看
  • 打卡总天数:122
  • 打卡总奖励:208
 楼主| 发表于 2024-8-25 21:21:09 | 显示全部楼层
wawaadd 发表于 2024-8-25 13:48
阀芯开启速度通过阻尼限制,复位通过单向通道可快速动作

,这个结构改怎么设计?

点评

可能就是阀芯端头柱塞腔并联两条油孔,一个装钢珠,一个装节流子,大概这个意思。  发表于 2024-12-4 09:18
回复

使用道具 举报

发表于 2024-8-25 23:47:49 | 显示全部楼层
wawaadd 发表于 2024-8-25 13:48
阀芯开启速度通过阻尼限制,复位通过单向通道可快速动作

应该是吧
回复

使用道具 举报

  • 打卡等级:无名新人
  • 打卡总天数:2
  • 打卡总奖励:2
发表于 2024-8-26 10:32:14 | 显示全部楼层
wawaadd 发表于 2024-8-25 13:48
阀芯开启速度通过阻尼限制,复位通过单向通道可快速动作

说的好
回复

使用道具 举报

  • 打卡等级:无名新人
  • 打卡总天数:3
  • 打卡总奖励:3
发表于 2024-12-1 07:53:59 来自手机 | 显示全部楼层
wawaadd 发表于 2024-8-25 13:48
阀芯开启速度通过阻尼限制,复位通过单向通道可快速动作

大神 能详细的讲解一下吗?🤝🤝
回复

使用道具 举报

  • 打卡等级:无名新人
  • 打卡总天数:3
  • 打卡总奖励:3
发表于 2024-12-2 08:04:41 来自手机 | 显示全部楼层
wawaadd 发表于 2024-8-25 13:48
阀芯开启速度通过阻尼限制,复位通过单向通道可快速动作

大神  跟我这个原理是不是一样的? 能详细说明一下吗? 谢谢🙏!
IMG_1089.png

点评

按照上面说法你这个是双向阻尼了,如果单向节流阀反装的话就是单向阻尼了,二级节流控制。  发表于 2024-12-4 09:21
回复

使用道具 举报

  • 打卡等级:初来乍到
  • 打卡总天数:33
  • 打卡总奖励:33
发表于 2025-4-1 15:12:10 | 显示全部楼层
这个我看是德国Wessel 的平衡阀样本上的截图,主要用于旋挖桅杆的,这个主要是为了缓冲,从结构设计上实现的。
回复

使用道具 举报

您需要登录后才可以回帖 登录 | 立即注册

本版积分规则