搜索
汉力达液压金币充值官方微信群液压资料下载
查看: 1133|回复: 4

卷筒钳口油缸活塞杆上开小孔的作用

[复制链接]
发表于 2024-10-9 11:27:48 | 显示全部楼层 |阅读模式
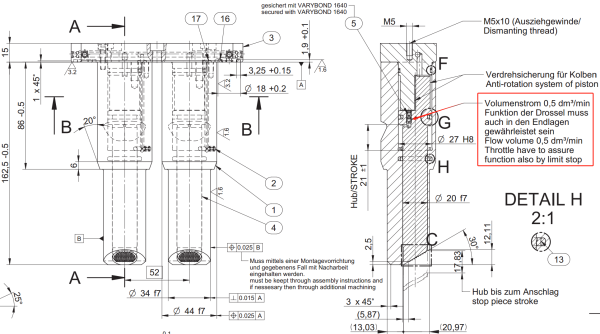
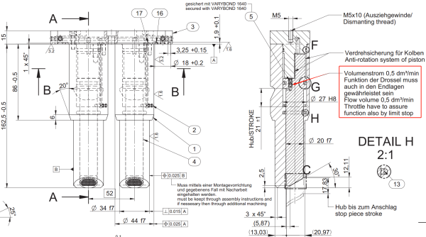
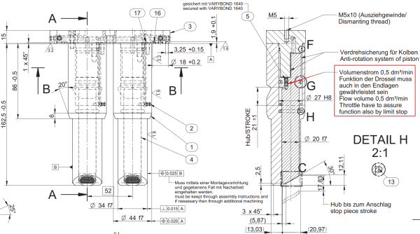
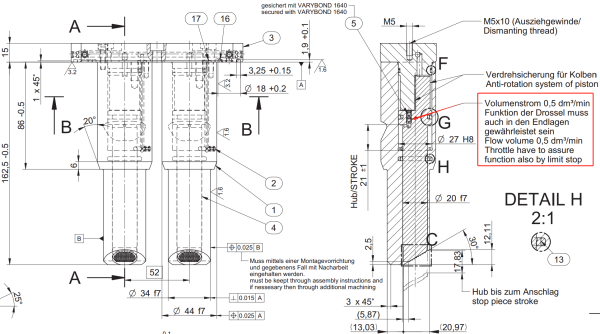
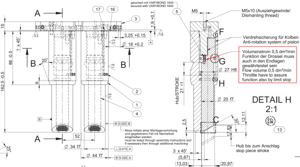
本人最近改造西马克的卷筒,发现钳口油缸很特别,活塞杆的活塞上开了小孔,将无杆腔和有杆腔连通,图纸上只标出了通过小孔的流量0.5L/min,没写小孔功能,查看液压原理图,就是普通的Y型电磁换向阀+液压锁。
本人通过两侧压差及通过流量,利用小孔流量计算公式,反推出小孔直径约φ0.3mm。
请教大神,油缸活塞上开小孔,将无杆腔和有杆腔导通的目的是什么?有什么作用?
夹紧油缸.png
夹紧油缸2.png
回复

使用道具 举报

  • 打卡等级:即来则安
  • 打卡总天数:285
  • 打卡总奖励:332
发表于 2024-10-10 14:57:22 | 显示全部楼层
好像记得之前在一款农机油缸上有看到过这种结构
回复

使用道具 举报

  • 打卡等级:初来乍到
  • 打卡总天数:30
  • 打卡总奖励:74
发表于 2024-10-11 22:53:58 来自手机 | 显示全部楼层
是为了增加系统阻尼,减少振荡,特别是在使用正遮盖伺候阀作闭环控制时。
回复

使用道具 举报

 楼主| 发表于 2024-10-12 20:38:52 | 显示全部楼层
游勇 发表于 2024-10-11 22:53
是为了增加系统阻尼,减少振荡,特别是在使用正遮盖伺候阀作闭环控制时。 ...

游老师,不是太明白。请再点拨点拨系统阻尼是个啥?还有电磁阀得电时,一直有油液窜油,节流孔处的发热量会不会高了影响活塞环格莱圈的寿命?
回复

使用道具 举报

  • 打卡等级:无名新人
  • 打卡总天数:7
  • 打卡总奖励:10
发表于 2024-10-31 11:28:34 | 显示全部楼层
应该是为了同步,消除一个行程上的误差!
回复

使用道具 举报

您需要登录后才可以回帖 登录 | 立即注册

本版积分规则