设为首页
收藏本站
所有帖子
关于我们
联系我们
微信群
开启辅助访问
搜索
搜索
本版
用户
门户
Portal
资讯
液压资讯
观点
观点
产品
液压产品
技术
液压技术
合集
导读
Guide
下载
签到
金币
论坛
BBS
登录
立即注册
腾讯QQ
账号
自动登录
找回密码
密码
登录
立即注册
只需一步,快速开始
我的
日志
记录
收藏
勋章
任务
道具
动态
设置
退出
液压圈
»
论坛
›
液压元件
›
液压电磁阀
›
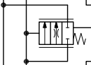
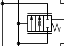
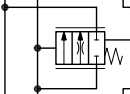
有这个液压符号对应的阀吗
负载敏感资料下载
|
液压培训资料下载
|
液压样本下载
|
AMESim资料下载
|
力士乐资料下载
|
挖掘机资料下载
|
标准资料下载
|
多路阀资料下载
返回列表
查看:
1037
|
回复:
6
有这个液压符号对应的阀吗
[复制链接]
22222222255
22222222255
当前离线
积分
7
注册时间
2023-7-7
最后登录
1970-1-1
IP卡
狗仔卡
发表于 2024-11-13 08:46:27
|
显示全部楼层
|
阅读模式
有这个液压符号对应的阀吗
回复
使用道具
举报
提升卡
置顶卡
变色卡
enjoyhuang110
enjoyhuang110
当前离线
积分
1026
注册时间
2021-5-29
最后登录
1970-1-1
IP卡
狗仔卡
打卡等级:论坛老炮
打卡总天数:1030
打卡总奖励:1341
发表于 2024-11-14 09:52:09
|
显示全部楼层
找生产阀的厂家给你做吧 不通用的很难买的到
回复
使用道具
举报
海中游
海中游
当前离线
积分
1055
注册时间
2011-8-11
最后登录
1970-1-1
IP卡
狗仔卡
打卡等级:以坛为家
打卡总天数:694
打卡总奖励:1109
发表于 2024-11-17 08:55:26
|
显示全部楼层
这是专用阀,得找厂家购买。
回复
使用道具
举报
zhanghaibowin
zhanghaibowin
当前离线
积分
519
注册时间
2014-11-17
最后登录
1970-1-1
IP卡
狗仔卡
打卡等级:无名新人
打卡总天数:5
打卡总奖励:6
发表于 2024-11-19 10:20:26
|
显示全部楼层
这是很常见的液控逻辑阀,常闭,导压开,直动,SUN就有相应的型号,DKDS-XHN,不同流量可以重新选型。。。。。希望对你有帮助
点评
海中游
好
发表于 2024-11-29 08:57
回复
使用道具
举报
耶耶耶耶耶
耶耶耶耶耶
当前离线
积分
7
注册时间
2024-1-2
最后登录
1970-1-1
IP卡
狗仔卡
打卡等级:无名新人
打卡总天数:1
打卡总奖励:1
发表于 2024-12-18 08:53:24
|
显示全部楼层
这就是个两位两通
回复
使用道具
举报
耶耶耶耶耶
耶耶耶耶耶
当前离线
积分
7
注册时间
2024-1-2
最后登录
1970-1-1
IP卡
狗仔卡
打卡等级:无名新人
打卡总天数:1
打卡总奖励:1
发表于 2024-12-18 08:53:43
|
显示全部楼层
这就是个两位两通的比例
回复
使用道具
举报
返回列表
高级模式
B
Color
Image
Link
Quote
Code
Smilies
您需要登录后才可以回帖
登录
|
立即注册
本版积分规则
发表回复
回帖后跳转到最后一页
浏览过的版块
公告区
液压多路阀
液压技术
资料下载
AMESim
工程机械
求职招聘
液压泵马达
故障诊断
快速回复
返回顶部
返回列表