设为首页
收藏本站
所有帖子
关于我们
联系我们
微信群
开启辅助访问
搜索
搜索
本版
用户
门户
Portal
资讯
液压资讯
观点
观点
产品
液压产品
技术
液压技术
合集
导读
Guide
下载
签到
金币
论坛
BBS
登录
立即注册
腾讯QQ
账号
自动登录
找回密码
密码
登录
立即注册
只需一步,快速开始
好友
动态
收藏
分享
帖子
日志
记录
相册
留言板
勋章
任务
道具
设置
退出
液压圈
»
论坛
›
液压系统
›
液压技术
›
比例溢流阀达不到压力及反复降为0
负载敏感资料下载
|
液压培训资料下载
|
液压样本下载
|
AMESim资料下载
|
力士乐资料下载
|
挖掘机资料下载
|
标准资料下载
|
多路阀资料下载
1
2
/ 2 页
下一页
返回列表
查看:
2553
|
回复:
17
比例溢流阀达不到压力及反复降为0
[复制链接]
czyzhao
czyzhao
当前离线
积分
459
注册时间
2024-5-6
最后登录
1970-1-1
IP卡
狗仔卡
打卡等级:常驻居民
打卡总天数:453
打卡总奖励:492
发表于 2024-12-20 08:33:09
|
显示全部楼层
|
阅读模式
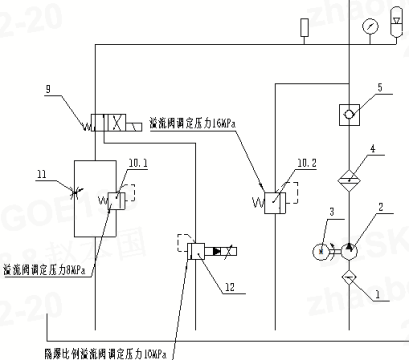
各位大神,请教两个比例溢流阀的问题。
1.现场的比例溢流阀总是达不到设定压力,设定10MPa,好的时候能到9.4MPa,不好的时候只有7.3MPa。
2.之前调试好的比例溢流阀,设定10MPa,后续再调的时候压力上升至8MPa后直接降为0,然后再升至8MPa,再降为0。就这样反复升压降压。
请帮忙分析一下原因。谢谢
回复
使用道具
举报
提升卡
置顶卡
变色卡
czyzhao
czyzhao
当前离线
积分
459
注册时间
2024-5-6
最后登录
1970-1-1
IP卡
狗仔卡
打卡等级:常驻居民
打卡总天数:453
打卡总奖励:492
楼主
|
发表于 2024-12-20 08:35:39
|
显示全部楼层
问题2中更换了其他回路里好的放大板还是不行,换下来的放大板在控制其他比例溢流阀就没有问题。
回复
使用道具
举报
海中游
海中游
当前离线
积分
1152
注册时间
2011-8-11
最后登录
1970-1-1
IP卡
狗仔卡
打卡等级:以坛为家
打卡总天数:782
打卡总奖励:1230
发表于 2024-12-20 16:32:58
|
显示全部楼层
比例阀的线路是否检查过,排除接触不良、受到干扰(强电、无线)等
回复
使用道具
举报
czyzhao
czyzhao
当前离线
积分
459
注册时间
2024-5-6
最后登录
1970-1-1
IP卡
狗仔卡
打卡等级:常驻居民
打卡总天数:453
打卡总奖励:492
楼主
|
发表于 2024-12-20 16:58:33
|
显示全部楼层
海中游 发表于 2024-12-20 16:32
比例阀的线路是否检查过,排除接触不良、受到干扰(强电、无线)等
线路排查过了,接头重新压的,没有干扰。上午调试的时候还是好的,下午就不好了。请问造成这种现象还有其他原因吗?谢谢
回复
使用道具
举报
cyxz
cyxz
当前离线
积分
488
注册时间
2013-3-31
最后登录
1970-1-1
IP卡
狗仔卡
打卡等级:偶尔看看
打卡总天数:144
打卡总奖励:368
发表于 2024-12-20 22:25:20
|
显示全部楼层
查一下10.1、10.2,11应该彻底关掉
回复
使用道具
举报
a8154633
a8154633
当前离线
积分
171
注册时间
2017-3-5
最后登录
1970-1-1
IP卡
狗仔卡
打卡等级:无名新人
打卡总天数:18
打卡总奖励:46
发表于 2024-12-21 08:50:15
来自手机
|
显示全部楼层
你这个估计是放大版问题,动作的时候看看电源稳不稳定,一边试一边万用表测呗
回复
使用道具
举报
zkzcmy
zkzcmy
当前离线
积分
876
注册时间
2010-8-27
最后登录
1970-1-1
IP卡
狗仔卡
打卡等级:以坛为家
打卡总天数:873
打卡总奖励:1484
发表于 2024-12-21 09:22:28
|
显示全部楼层
序号9电磁换向阀有问题,关不严或者泄露
回复
使用道具
举报
1648183658
1648183658
当前离线
积分
814
注册时间
2019-9-11
最后登录
1970-1-1
IP卡
狗仔卡
打卡等级:论坛老炮
打卡总天数:1009
打卡总奖励:1723
发表于 2024-12-22 02:05:22
来自手机
|
显示全部楼层
用万用表测量放大器输出电流,看看是不是不稳定
回复
使用道具
举报
y笨小孩
y笨小孩
当前离线
积分
547
注册时间
2014-10-30
最后登录
1970-1-1
IP卡
狗仔卡
打卡等级:以坛为家
打卡总天数:702
打卡总奖励:858
发表于 2024-12-23 08:20:36
|
显示全部楼层
把这个比例溢流阀 放到一个简单的加压系统里单独测 先排查比例溢流阀是否有问题 大概率是你原系统有地方泄漏所以压力上不去
回复
使用道具
举报
烤肉拌饭1988
烤肉拌饭1988
当前离线
积分
356
注册时间
2012-8-27
最后登录
1970-1-1
IP卡
狗仔卡
打卡等级:无名新人
打卡总天数:1
打卡总奖励:1
发表于 2024-12-23 09:25:16
|
显示全部楼层
楼主,请问您的问题找到原因了吗?我们也遇到了类似问题,目前还没有找到原因
回复
使用道具
举报
下一页 »
1
2
/ 2 页
下一页
返回列表
高级模式
B
Color
Image
Link
Quote
Code
Smilies
您需要登录后才可以回帖
登录
|
立即注册
本版积分规则
发表回复
回帖后跳转到最后一页
浏览过的版块
液压泵马达
快速回复
返回顶部
返回列表