搜索
汉力达液压金币充值官方微信群液压资料下载
查看: 1921|回复: 18

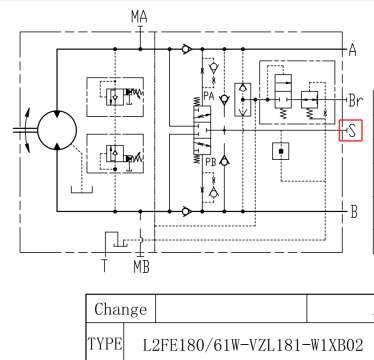
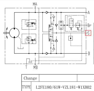
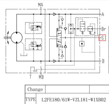
采埃孚ZF液压马达原理图解读,S口工作原理是什么,管路怎样接?

  [复制链接]
  • 打卡等级:无名新人
  • 打卡总天数:3
  • 打卡总奖励:3
发表于 2024-12-25 16:18:53 | 显示全部楼层 |阅读模式
采埃孚ZF液压马达原理图解读,S口工作原理是什么,管路怎样接?
ZF.png

点评

学习了  发表于 2025-1-1 22:59
回复

使用道具 举报

  • 打卡等级:论坛老炮
  • 打卡总天数:1009
  • 打卡总奖励:1317
发表于 2024-12-26 08:31:56 | 显示全部楼层
应该是接一个溢流阀。
回复

使用道具 举报

  • 打卡等级:常驻居民
  • 打卡总天数:324
  • 打卡总奖励:413
发表于 2024-12-26 08:45:53
S口接泄漏油,热油置换。

  • 打卡等级:以坛为家
  • 打卡总天数:758
  • 打卡总奖励:1165
发表于 2024-12-26 08:51:03 | 显示全部楼层
S口接散热器然后回油箱。
回复

使用道具 举报

  • 打卡等级:常驻居民
  • 打卡总天数:359
  • 打卡总奖励:445
发表于 2024-12-26 09:09:22
冲洗口,将A/B中的低压油经过逆梭阀从S口出来接邮箱

  • 打卡等级:常驻居民
  • 打卡总天数:359
  • 打卡总奖励:445
发表于 2024-12-26 09:10:25 | 显示全部楼层
冲洗口,将A/B口的低压热油经逆梭阀冲洗出来,S口接油箱
回复

使用道具 举报

  • 打卡等级:无名新人
  • 打卡总天数:5
  • 打卡总奖励:17
发表于 2024-12-26 09:29:39 | 显示全部楼层
S口应该是冲洗口,一般直接接回油箱的。Br口应该是控制油出口,可以用于马达刹车的控制。

点评

S口是马达正反转油路的回油口,接回油管路,回油到油箱  发表于 2024-12-26 13:24
Br估计是Brake即刹车  发表于 2024-12-26 13:03
回复

使用道具 举报

  • 打卡等级:无名新人
  • 打卡总天数:3
  • 打卡总奖励:3
 楼主| 发表于 2024-12-26 11:48:17 | 显示全部楼层
牛肉粒 发表于 2024-12-26 09:10
冲洗口,将A/B口的低压热油经逆梭阀冲洗出来,S口接油箱

是补油阀?
回复

使用道具 举报

  • 打卡等级:无名新人
  • 打卡总天数:3
  • 打卡总奖励:3
 楼主| 发表于 2024-12-26 11:50:42 | 显示全部楼层
enjoyhuang110 发表于 2024-12-26 08:31
应该是接一个溢流阀。

是个补油口,在颠簸路面行走起到稳定作用?
回复

使用道具 举报

  • 打卡等级:无名新人
  • 打卡总天数:3
  • 打卡总奖励:3
 楼主| 发表于 2024-12-26 13:11:02 | 显示全部楼层
shamozhihu14 发表于 2024-12-26 09:29
S口应该是冲洗口,一般直接接回油箱的。Br口应该是控制油出口,可以用于马达刹车的控制。 ...

个人认为,S是补油口,在颠簸路面行走起到稳定作用,认同你Br口的说法,用于打开打开刹车。
回复

使用道具 举报

您需要登录后才可以回帖 登录 | 立即注册

本版积分规则