搜索
金币充值液压资料下载官方微信群
12
返回列表 发新帖
楼主: LMY6750274

关于顺序阀在液压系统的作用

  [复制链接]
发表于 2025-2-14 11:23:37 | 显示全部楼层
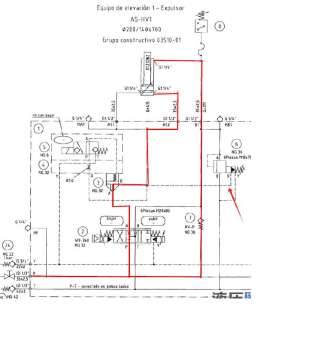
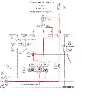
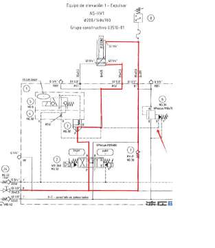
由于三位四通换向阀中位是Y技能,所以左面的插装开关阀可以在不工作时锁住负载,防止油缸掉落,同时油缸伸出时,有杆腔只能通过顺序阀回油,控制背压,油缸运行更平稳,当油缸缩回时顺序阀限制了有杆腔的压力,此时基本靠重力下落,X口控制压力很低,因此有杆腔的进油压力也不高。

点评

感觉靠谱  发表于 2025-2-15 09:56
回复

使用道具 举报

发表于 2025-2-14 11:25:31 | 显示全部楼层
怎么看不到自己回复的内容
回复

使用道具 举报

发表于 2025-2-15 09:06:49 | 显示全部楼层
cyxz 发表于 2025-2-14 05:59
油缸伸出时是差动状态,为的是加快速度;当压力达到顺序阀的设定压力时,顺序阀就打开,增大油缸推力 ...

确定?两个腔油液都没有联通,如何实现差动

点评

哪里来的差动?  发表于 2025-3-3 09:21
回复

使用道具 举报

  • 打卡等级:偶尔看看
  • 打卡总天数:144
  • 打卡总奖励:368
发表于 2025-2-21 18:21:23 | 显示全部楼层
13708912304 发表于 2025-2-15 09:06
确定?两个腔油液都没有联通,如何实现差动

单向阀7不可以吗?
回复

使用道具 举报

  • 打卡等级:伴坛终老
  • 打卡总天数:3899
  • 打卡总奖励:12836
发表于 2025-3-5 18:20:27 | 显示全部楼层
顺序阀是内控还能外控吗、
回复

使用道具 举报

发表于 2025-3-19 10:45:48 | 显示全部楼层
cyxz 发表于 2025-2-21 18:21
单向阀7不可以吗?

不可以,这个原理图里就没有差动
回复

使用道具 举报

  • 打卡等级:偶尔看看
  • 打卡总天数:144
  • 打卡总奖励:368
发表于 2025-3-22 17:34:01 | 显示全部楼层
13708912304 发表于 2025-3-19 10:45
不可以,这个原理图里就没有差动

是不是只有伸出时才有差动?这个算不算差动?
组合 1.jpg
回复

使用道具 举报

  • 打卡等级:常驻居民
  • 打卡总天数:501
  • 打卡总奖励:647
发表于 2025-3-26 16:49:06 | 显示全部楼层
油缸向有杆腔运行时,作为有杆腔的背压阀使用,主要目的为了控制向有杆腔运行时动作稳定,当有杆腔由于运行速度过快造成无杆腔供油失压时,还可以作为平衡阀或抗衡阀锁死回路,起到安全保护作用。
回复

使用道具 举报

您需要登录后才可以回帖 登录 | 立即注册

本版积分规则