设为首页
收藏本站
所有帖子
关于我们
联系我们
微信群
开启辅助访问
搜索
搜索
本版
用户
门户
Portal
资讯
液压资讯
观点
观点
产品
液压产品
技术
液压技术
合集
导读
Guide
下载
签到
金币
论坛
BBS
登录
立即注册
腾讯QQ
账号
自动登录
找回密码
密码
登录
立即注册
只需一步,快速开始
好友
动态
收藏
分享
帖子
日志
记录
相册
留言板
勋章
任务
道具
设置
退出
液压圈
»
论坛
›
液压系统
›
液压技术
›
液压原理图问题
负载敏感资料下载
|
液压培训资料下载
|
液压样本下载
|
AMESim资料下载
|
力士乐资料下载
|
挖掘机资料下载
|
标准资料下载
|
多路阀资料下载
返回列表
查看:
1498
|
回复:
10
液压原理图问题
[复制链接]
sgrgrwgv
sgrgrwgv
当前离线
积分
29
注册时间
2024-11-21
最后登录
1970-1-1
IP卡
狗仔卡
发表于 2025-2-26 23:55:13
|
显示全部楼层
|
阅读模式
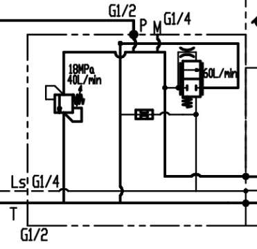
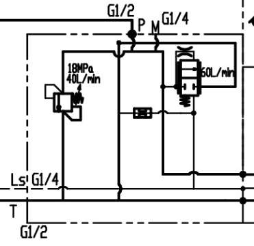
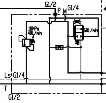
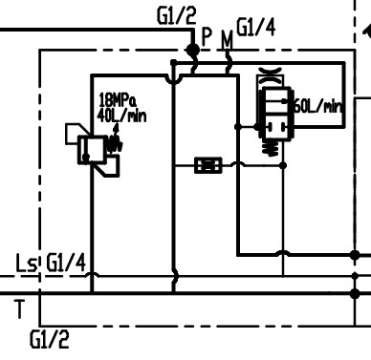
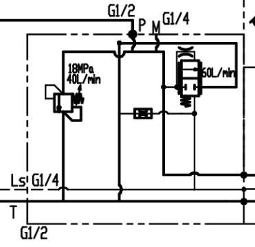
各位大佬好!
想请教以下图中虚线框中的整体起什么作用?每个阀又起到什么作用呢?
回复
使用道具
举报
提升卡
置顶卡
变色卡
qq378779921
qq378779921
当前离线
积分
673
注册时间
2012-11-3
最后登录
1970-1-1
IP卡
狗仔卡
打卡等级:论坛老炮
打卡总天数:1193
打卡总奖励:1883
发表于 2025-2-27 08:45:41
|
显示全部楼层
多路阀的进油联,左边溢流阀设置溢流压力,右面逻辑阀控制卸荷的,这种一般都是配定量泵的进油联,不做动作LS没有压力,P通T,P有一个待命压力,LS有压力P通阀片
点评
tanxiany
正确
发表于 2025-2-27 10:20
回复
使用道具
举报
ymt2024
ymt2024
当前离线
积分
63
注册时间
2024-5-3
最后登录
1970-1-1
IP卡
狗仔卡
打卡等级:无名新人
打卡总天数:24
打卡总奖励:24
发表于 2025-3-3 08:52:55
|
显示全部楼层
那个逻辑阀,是靠压力推动阀芯运动吗?从而实现泄压
回复
使用道具
举报
游勇
游勇
当前离线
积分
2577
注册时间
2011-7-5
最后登录
1970-1-1
IP卡
狗仔卡
打卡等级:初来乍到
打卡总天数:30
打卡总奖励:74
发表于 2025-3-4 12:08:24
来自手机
|
显示全部楼层
右边是压力补偿器,以保证多路阀开口的压差不变。
回复
使用道具
举报
yehuai2012
yehuai2012
当前离线
积分
255
注册时间
2012-8-31
最后登录
1970-1-1
IP卡
狗仔卡
打卡等级:偶尔看看
打卡总天数:122
打卡总奖励:208
发表于 2025-3-5 21:03:59
|
显示全部楼层
多路阀进油联,左边安全阀,右边三通流量阀,配合负载反馈压力。
回复
使用道具
举报
15236202367
15236202367
当前离线
积分
8
注册时间
2025-3-8
最后登录
1970-1-1
IP卡
狗仔卡
打卡等级:无名新人
打卡总天数:3
打卡总奖励:6
发表于 2025-3-8 19:20:15
|
显示全部楼层
有没有大佬有提梁机液压系统的相关学习资料!!!!!!!!
点评
海中游
搞不定,问厂家,厂家也只是给出方向,还得靠自己拆卸检修,排除故障。
发表于 2025-3-9 11:20
海中游
学习资料一般没有,厂家提供液压油路图,说明工作顺序。故障处理还是靠自己的能力和经验
发表于 2025-3-9 11:18
回复
使用道具
举报
15236202367
15236202367
当前离线
积分
8
注册时间
2025-3-8
最后登录
1970-1-1
IP卡
狗仔卡
打卡等级:无名新人
打卡总天数:3
打卡总奖励:6
发表于 2025-3-10 20:30:41
|
显示全部楼层
15236202367 发表于 2025-3-8 19:20
有没有大佬有提梁机液压系统的相关学习资料!!!!!!!!
没买厂家设备,找厂家要估计也不给
,都没法学了
回复
使用道具
举报
青花椒77
青花椒77
当前离线
积分
28
注册时间
2025-3-20
最后登录
1970-1-1
IP卡
狗仔卡
打卡等级:无名新人
打卡总天数:17
打卡总奖励:17
发表于 2025-3-20 15:41:03
|
显示全部楼层
学习了,现在正在学液压知识
回复
使用道具
举报
返回列表
高级模式
B
Color
Image
Link
Quote
Code
Smilies
您需要登录后才可以回帖
登录
|
立即注册
本版积分规则
发表回复
回帖后跳转到最后一页
浏览过的版块
测试技术
公告区
液压多路阀
液压油缸
AMESim
工程机械
快速回复
返回顶部
返回列表