设为首页
收藏本站
所有帖子
关于我们
联系我们
微信群
开启辅助访问
搜索
搜索
本版
用户
门户
Portal
资讯
液压资讯
观点
观点
产品
液压产品
技术
液压技术
合集
导读
Guide
下载
签到
金币
论坛
BBS
登录
立即注册
腾讯QQ
账号
自动登录
找回密码
密码
登录
立即注册
只需一步,快速开始
好友
动态
收藏
分享
帖子
日志
记录
相册
留言板
勋章
任务
道具
设置
退出
液压圈
»
论坛
›
液压系统
›
液压技术
›
液压原理图
负载敏感资料下载
|
液压培训资料下载
|
液压样本下载
|
AMESim资料下载
|
力士乐资料下载
|
挖掘机资料下载
|
标准资料下载
|
多路阀资料下载
返回列表
查看:
1032
|
回复:
1
液压原理图
[复制链接]
sgrgrwgv
sgrgrwgv
当前离线
积分
29
注册时间
2024-11-21
最后登录
1970-1-1
IP卡
狗仔卡
发表于 2025-2-27 01:29:24
|
显示全部楼层
|
阅读模式
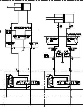
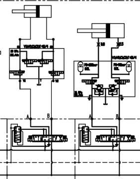
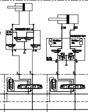
请教一下各位大佬,图示回路中两个方框内的结构是什么?起到什么样的作用呢?若是在
AMESim
中仿真,需要选择什么元件呢
请大佬们不吝赐教~
回复
使用道具
举报
提升卡
置顶卡
变色卡
y笨小孩
y笨小孩
当前离线
积分
547
注册时间
2014-10-30
最后登录
1970-1-1
IP卡
狗仔卡
打卡等级:以坛为家
打卡总天数:702
打卡总奖励:858
发表于 2025-2-27 08:15:28
|
显示全部楼层
AMESIM里没有直接与之匹配的模型需要自己用HCD库去搭建
回复
使用道具
举报
返回列表
高级模式
B
Color
Image
Link
Quote
Code
Smilies
您需要登录后才可以回帖
登录
|
立即注册
本版积分规则
发表回复
回帖后跳转到最后一页
浏览过的版块
AMESim
快速回复
返回顶部
返回列表