设为首页
收藏本站
所有帖子
关于我们
联系我们
微信群
开启辅助访问
搜索
搜索
本版
用户
门户
Portal
资讯
液压资讯
观点
观点
产品
液压产品
技术
液压技术
合集
导读
Guide
下载
签到
金币
论坛
BBS
登录
立即注册
腾讯QQ
账号
自动登录
找回密码
密码
登录
立即注册
只需一步,快速开始
好友
动态
收藏
分享
帖子
日志
记录
相册
留言板
勋章
任务
道具
设置
退出
液压圈
»
论坛
›
液压元件
›
液压电磁阀
›
求问
负载敏感资料下载
|
液压培训资料下载
|
液压样本下载
|
AMESim资料下载
|
力士乐资料下载
|
挖掘机资料下载
|
标准资料下载
|
多路阀资料下载
返回列表
查看:
1192
|
回复:
3
求问
[复制链接]
caoce
caoce
当前离线
积分
24
注册时间
2024-7-8
最后登录
1970-1-1
IP卡
狗仔卡
打卡等级:无名新人
打卡总天数:14
打卡总奖励:14
发表于 2025-4-13 22:21:23
|
显示全部楼层
|
阅读模式
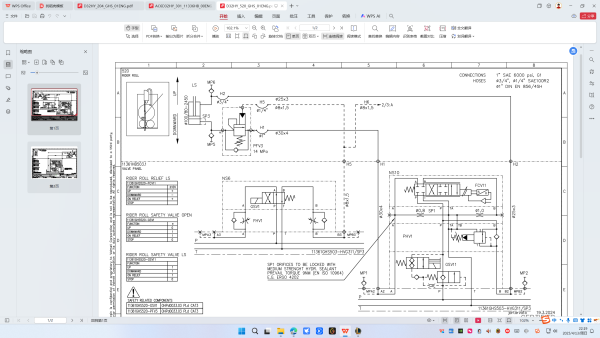
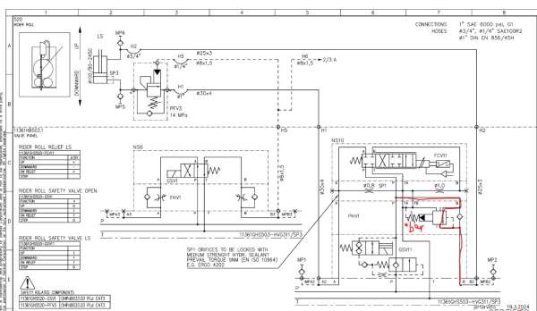
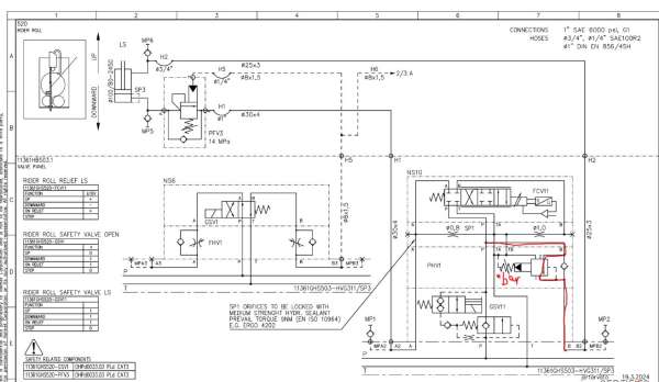
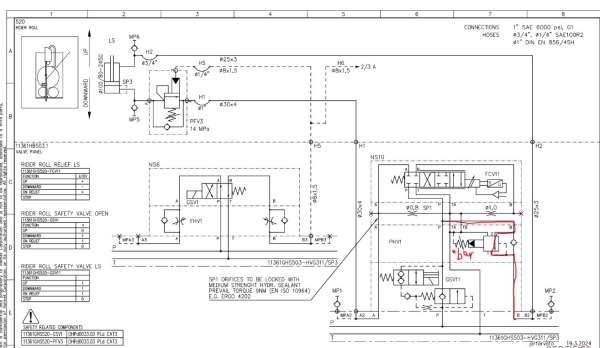
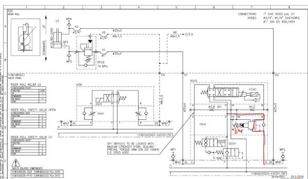
液压缸下降时,这个PHV1是如何工作的,油路又是怎么走的
回复
使用道具
举报
提升卡
置顶卡
变色卡
愉悦的心
愉悦的心
当前离线
积分
66
注册时间
2017-2-21
最后登录
1970-1-1
IP卡
狗仔卡
发表于 2025-4-14 15:45:28
来自手机
|
显示全部楼层
加微信,给你解读油路,18352830258
回复
使用道具
举报
junjie6560459
junjie6560459
当前离线
积分
93
注册时间
2020-5-5
最后登录
1970-1-1
IP卡
狗仔卡
打卡等级:偶尔看看
打卡总天数:62
打卡总奖励:70
发表于 2025-4-15 08:23:52
|
显示全部楼层
我的理解,找到PHV1这个阀的具体型号,校对一下。
回复
使用道具
举报
海中游
海中游
当前离线
积分
1145
注册时间
2011-8-11
最后登录
1970-1-1
IP卡
狗仔卡
打卡等级:以坛为家
打卡总天数:775
打卡总奖励:1220
发表于 2025-4-19 16:09:11
|
显示全部楼层
感觉工况是:
1、在卷取生产(ON RELIEF)时,压辊随着卷子直径增大而随动上升,油缸有杆腔(小腔)的油通过PHV1溢流排出,因此要设定好PHV1的压力。
2、手动上升(UP)时,小腔油液通过PHV1旁通单向阀回到进油管路,实现差动快速上升。
回复
使用道具
举报
返回列表
高级模式
B
Color
Image
Link
Quote
Code
Smilies
您需要登录后才可以回帖
登录
|
立即注册
本版积分规则
发表回复
回帖后跳转到最后一页
浏览过的版块
供求信息
液压多路阀
测试技术
建议区
液压油缸
故障诊断
工程机械
AMESim
快速回复
返回顶部
返回列表