设为首页
收藏本站
所有帖子
关于我们
联系我们
微信群
开启辅助访问
搜索
搜索
本版
用户
门户
Portal
资讯
液压资讯
观点
观点
产品
液压产品
技术
液压技术
合集
导读
Guide
下载
签到
金币
论坛
BBS
登录
立即注册
腾讯QQ
账号
自动登录
找回密码
密码
登录
立即注册
只需一步,快速开始
我的
日志
记录
收藏
勋章
任务
道具
动态
设置
退出
液压圈
»
论坛
›
液压元件
›
液压多路阀
›
求多路阀压力补偿阀结构原理
负载敏感资料下载
|
液压培训资料下载
|
液压样本下载
|
AMESim资料下载
|
力士乐资料下载
|
挖掘机资料下载
|
标准资料下载
|
多路阀资料下载
返回列表
查看:
1031
|
回复:
4
求多路阀压力补偿阀结构原理
[复制链接]
xiaoheiniupp
xiaoheiniupp
当前离线
积分
106
注册时间
2016-6-8
最后登录
1970-1-1
IP卡
狗仔卡
发表于 2025-4-20 15:38:58
来自手机
|
显示全部楼层
|
阅读模式
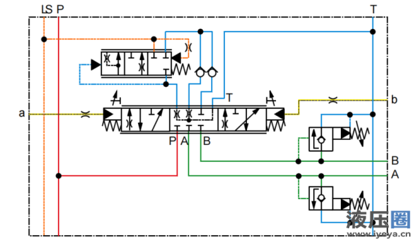
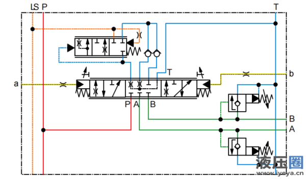
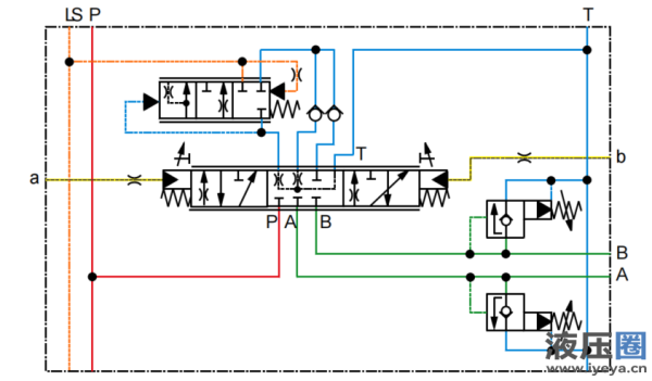
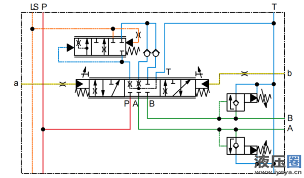
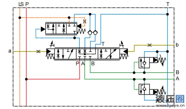
压力补偿阀图示液压符号具体结构原理是什么?阀后补偿?
回复
使用道具
举报
提升卡
置顶卡
变色卡
xiaoheiniupp
xiaoheiniupp
当前离线
积分
106
注册时间
2016-6-8
最后登录
1970-1-1
IP卡
狗仔卡
楼主
|
发表于 2025-4-20 18:34:03
来自手机
|
显示全部楼层
本帖最后由 xiaoheiniupp 于 2025-4-20 18:48 编辑
此阀是定差元件还是包括定差元件及节流阀,怎么理解图示的三个位置
回复
使用道具
举报
qq378779921
qq378779921
当前离线
积分
673
注册时间
2012-11-3
最后登录
1970-1-1
IP卡
狗仔卡
打卡等级:论坛老炮
打卡总天数:1193
打卡总奖励:1883
发表于 2025-4-21 08:39:36
|
显示全部楼层
这个是一种阀后补偿的压力补偿器,作用是使主阀芯P口阀前压力-阀后压力=一个定值,当阀后压力也就是负载压力小的适合,补偿器在最右面,这样P口阀后压力就会提高,直到P-LS=定值时阀补偿器会在中位到左位中间找到一个稳定的开口状态。实际就是压力消耗了,使联动时各个阀芯的阀前阀后压力都一致
点评
xiaoheiniupp
👍👍👍👍👍👍👍
发表于 2025-4-22 22:59
回复
使用道具
举报
tczz
tczz
当前离线
积分
441
注册时间
2015-8-7
最后登录
1970-1-1
IP卡
狗仔卡
打卡等级:即来则安
打卡总天数:263
打卡总奖励:291
发表于 2025-4-23 08:21:12
|
显示全部楼层
你这是阀后补偿LUDV 多路阀,去看力士乐M7样本
回复
使用道具
举报
返回列表
高级模式
B
Color
Image
Link
Quote
Code
Smilies
您需要登录后才可以回帖
登录
|
立即注册
本版积分规则
发表回复
回帖后跳转到最后一页
浏览过的版块
液压技术
公告区
资料下载
液压电磁阀
AMESim
工程机械
求职招聘
液压泵马达
故障诊断
插装阀
快速回复
返回顶部
返回列表