搜索
汉力达液压金币充值官方微信群液压资料下载
查看: 1467|回复: 6

求助各位大佬,液压马达带动发电机发电的话需要怎么设置

[复制链接]
发表于 2025-5-8 15:01:13 来自手机 | 显示全部楼层 |阅读模式
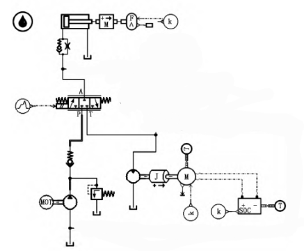
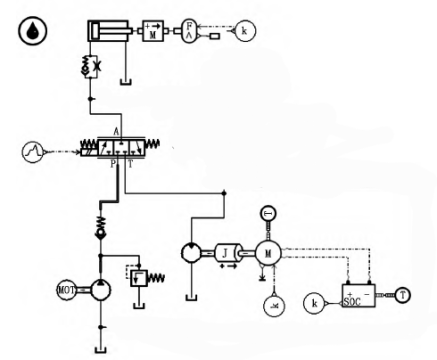
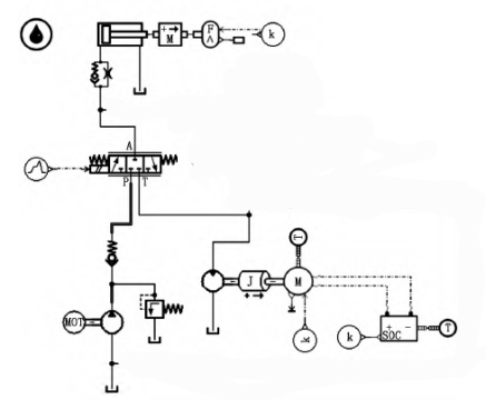
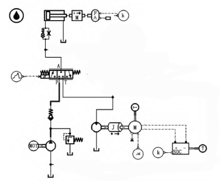
系统模型是这样的,想让液压缸随重力自然下降过程中带动马达旋转,然后带动发电机发电,但是不清楚发电机和旋转块的参数怎么设置😢
Image_210207421405174.png
回复

使用道具 举报

  • 打卡等级:无名新人
  • 打卡总天数:11
  • 打卡总奖励:11
发表于 2025-5-9 13:37:38 | 显示全部楼层
为什么要带马达,再带发电机呢?直接带发电机不行么?
回复

使用道具 举报

  • 打卡等级:论坛老炮
  • 打卡总天数:1305
  • 打卡总奖励:4125
发表于 2025-5-10 20:03:07 | 显示全部楼层
happyhrc1983 发表于 2025-5-9 13:37
为什么要带马达,再带发电机呢?直接带发电机不行么?

用油缸带动发电机?还是用液压油带发电机?

点评

可通过齿轮/齿条来把直线运动变为旋转运动。但平稳性不如用油马达及通过储能把液压缸的脉动消除掉。  详情 回复 发表于 2025-5-15 11:12
回复

使用道具 举报

  • 打卡等级:论坛老炮
  • 打卡总天数:1305
  • 打卡总奖励:4125
发表于 2025-5-10 20:04:22 | 显示全部楼层
想节能让液压马达来发电还不如用蓄能器回收回油压力,油泵只起到短时补油的作用
回复

使用道具 举报

  • 打卡等级:以坛为家
  • 打卡总天数:783
  • 打卡总奖励:1128
发表于 2025-5-12 11:37:38 | 显示全部楼层
这个发电机是能量回收用的,主要考虑流量、压力、马达排量,发电机转速、发电功率,还有就是马达与发电机的传动方式。
回复

使用道具 举报

  • 打卡等级:初来乍到
  • 打卡总天数:30
  • 打卡总奖励:74
发表于 2025-5-15 11:12:52 来自手机 | 显示全部楼层
aliolion 发表于 2025-5-10 20:03
用油缸带动发电机?还是用液压油带发电机?

可通过齿轮/齿条来把直线运动变为旋转运动。但平稳性不如用油马达及通过储能把液压缸的脉动消除掉。
回复

使用道具 举报

  • 打卡等级:论坛老炮
  • 打卡总天数:1305
  • 打卡总奖励:4125
发表于 2025-5-20 22:02:58 | 显示全部楼层
10年前河北人都做过类似产品,到处拉投资,现在没有任何消息了
回复

使用道具 举报

您需要登录后才可以回帖 登录 | 立即注册

本版积分规则