搜索
汉力达液压金币充值官方微信群液压资料下载
查看: 1500|回复: 6

请教压紧辊气动原理

[复制链接]
  • 打卡等级:初来乍到
  • 打卡总天数:43
  • 打卡总奖励:120
发表于 2025-6-1 22:52:13 | 显示全部楼层 |阅读模式
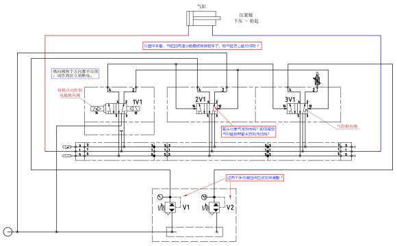
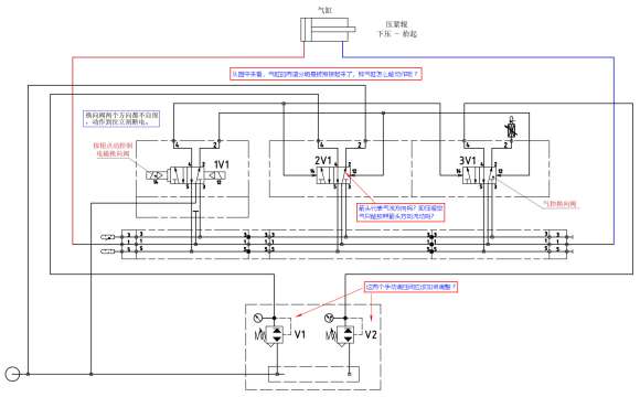
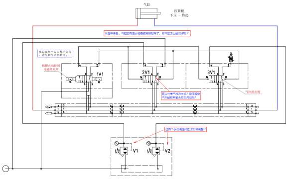
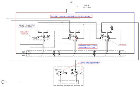
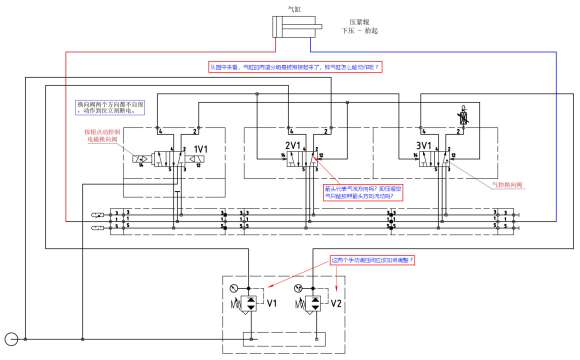
我们设备上有一个压紧辊,附图是它的气动原理图,对它的工作原理有很多地方搞不懂:

1)换向阀上标注的箭头是不是就是气流的方向?也就是压缩空气只能按照箭头的方向流动,是不能反着流动的。
2)气缸两端明明是被短接起来了,那它是怎么能动作的?
3)有两个手动调压阀应该怎么调整?

跟大家请教一下,我的问题都写在图片中了,望各位高手不吝赐教,谢谢了。
压紧辊气路图.jpg
回复

使用道具 举报

  • 打卡等级:以坛为家
  • 打卡总天数:680
  • 打卡总奖励:1089
发表于 2025-6-2 09:05:46 | 显示全部楼层
黑色方块气路不通
气阀1V1左侧得电即图示气路,气阀2V1、3V1阀芯置右位,气缸推出
气阀1V1右侧得电,气阀2V1、3V1阀芯置左位,气缸缩回
减压阀V1压力要比减压阀V2明显低,比如V1调0.3MPa,V2调0.5MPa
这个气路别扭,不知道怎么想的
回复

使用道具 举报

  • 打卡等级:无名新人
  • 打卡总天数:11
  • 打卡总奖励:12
发表于 2025-6-2 11:36:08 | 显示全部楼层
中间最长的点划线方块,是气路连接块,气路交叉处,空心的表示连通,黑色实心的表示不通。
1V1控制2V1和3V1,2V1控制气缸左侧进出气,3V1控制气缸右侧进出气。
减压阀V1,V2,压力之差控制压紧力度。
回复

使用道具 举报

  • 打卡等级:初来乍到
  • 打卡总天数:43
  • 打卡总奖励:120
 楼主| 发表于 2025-6-3 00:25:07 | 显示全部楼层
非常感谢二位的解答,现在基本明白它的动作原理了,还有个疑问要请教一下,图中阀 2V1 的 1 口一般应该连接气源,即 P 口,现在是 2 口连接气源,这样似乎气流的方向反了,这样换向阀和气缸能工作吗?谢谢了。
换向阀的管口连接问题.jpg
回复

使用道具 举报

  • 打卡等级:以坛为家
  • 打卡总天数:680
  • 打卡总奖励:1089
发表于 2025-6-3 08:59:39 | 显示全部楼层
我心飞翔407 发表于 2025-6-3 00:25
非常感谢二位的解答,现在基本明白它的动作原理了,还有个疑问要请教一下,图中阀 2V1 的 1 口一般应该连接 ...

这个图画的别扭,看起来真难受。
控制气路没用虚线用实线,即1V1出口气路。
1V1下进气上出气,符合常态。
2V1、3V1这两个气动阀上进气下出气,很少这样安排的。这个当然不影响气体流动。
回复

使用道具 举报

  • 打卡等级:初来乍到
  • 打卡总天数:43
  • 打卡总奖励:120
 楼主| 发表于 2025-6-4 23:01:24 | 显示全部楼层
海中游 发表于 2025-6-3 08:59
这个图画的别扭,看起来真难受。
控制气路没用虚线用实线,即1V1出口气路。
1V1下进气上出气,符合常态。 ...

非常感谢您的解答!

点评

问了问题,自己跟踪查看,及时表示感谢,这才是请教问题的态度,好。  发表于 2025-6-8 16:46
回复

使用道具 举报

您需要登录后才可以回帖 登录 | 立即注册

本版积分规则