设为首页
收藏本站
所有帖子
关于我们
联系我们
微信群
开启辅助访问
搜索
搜索
本版
用户
门户
Portal
资讯
液压资讯
观点
观点
产品
液压产品
技术
液压技术
合集
导读
Guide
下载
签到
金币
论坛
BBS
登录
立即注册
腾讯QQ
账号
自动登录
找回密码
密码
登录
立即注册
只需一步,快速开始
好友
动态
收藏
分享
帖子
日志
记录
相册
留言板
勋章
任务
道具
设置
退出
液压圈
»
论坛
›
液压元件
›
液压辅件
›
液压制动阀原理请教
负载敏感资料下载
|
液压培训资料下载
|
液压样本下载
|
AMESim资料下载
|
力士乐资料下载
|
挖掘机资料下载
|
标准资料下载
|
多路阀资料下载
返回列表
查看:
2561
|
回复:
2
液压制动阀原理请教
[复制链接]
zjut
zjut
当前离线
积分
115
注册时间
2022-11-18
最后登录
1970-1-1
IP卡
狗仔卡
打卡等级:偶尔看看
打卡总天数:93
打卡总奖励:93
发表于 2025-7-29 18:21:06
|
显示全部楼层
|
阅读模式
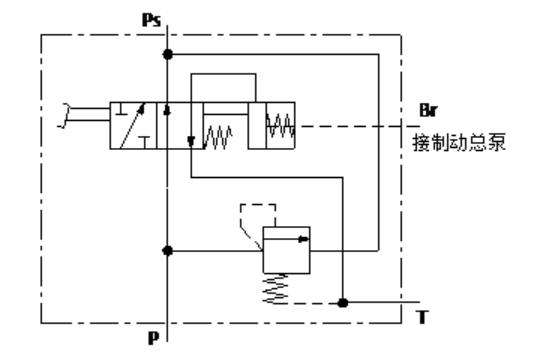
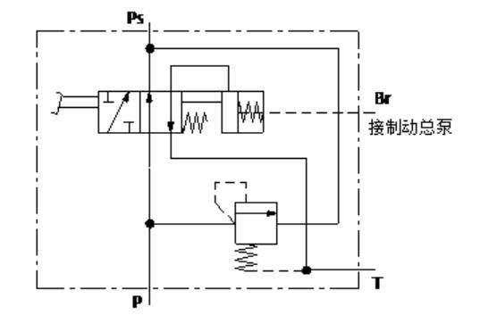
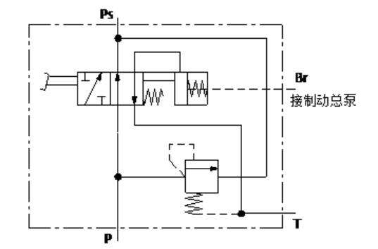
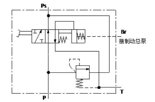
请问这个制动阀的原理是什么啊?P口处的是顺序阀吗?
回复
使用道具
举报
提升卡
置顶卡
变色卡
locuas
locuas
当前离线
积分
187
注册时间
2013-6-28
最后登录
1970-1-1
IP卡
狗仔卡
打卡等级:偶尔看看
打卡总天数:149
打卡总奖励:265
发表于 2025-7-30 16:33:22
|
显示全部楼层
一个两位两通换向阀,脚踏板控制换位,脚踏板也是弹簧复位。一个弹簧复位液压缸,驱动制动器,不是制动总泵,图画错了,不严谨。然后还有一个溢流阀,不踩刹车的时候溢流阀打开,油液不驱动液压缸,踩刹车的时候,油液和液压缸接通,驱动液压缸,液压缸驱动制动器,刹车。
点评
locuas
两位四通
发表于 2025-8-5 12:32
回复
使用道具
举报
返回列表
高级模式
B
Color
Image
Link
Quote
Code
Smilies
您需要登录后才可以回帖
登录
|
立即注册
本版积分规则
发表回复
回帖后跳转到最后一页
浏览过的版块
液压油缸
公告区
插装阀
资料下载
液压技术
求职招聘
液压电磁阀
供求信息
液压泵马达
快速回复
返回顶部
返回列表