搜索
金币充值液压资料下载官方微信群
查看: 1112|回复: 8

求这个液控液压锁的样本

[复制链接]
  • 打卡等级:论坛老炮
  • 打卡总天数:1317
  • 打卡总奖励:2075
发表于 2025-10-11 06:46:46 | 显示全部楼层 |阅读模式
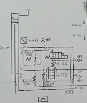
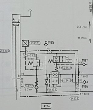
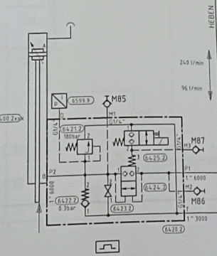
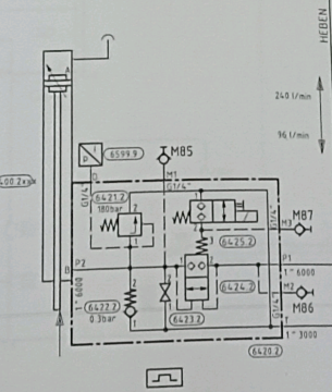
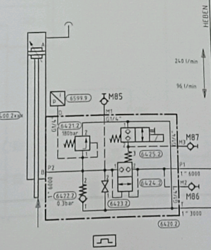
这个液控液压锁的工作原理时什么
Screenshot_2025_1010_120028.png
回复

使用道具 举报

  • 打卡等级:无名新人
  • 打卡总天数:10
  • 打卡总奖励:10
发表于 2025-10-13 08:29:47 | 显示全部楼层
先导式电磁球阀,这一套应该是定制的!
回复

使用道具 举报

  • 打卡等级:论坛老炮
  • 打卡总天数:1317
  • 打卡总奖励:2075
 楼主| 发表于 2025-10-13 09:36:28 来自手机 | 显示全部楼层
dyt5476095 发表于 2025-10-13 08:29
先导式电磁球阀,这一套应该是定制的!

这个电磁球阀复位原理是?不可能光靠弹簧复位吧?要是弹簧侧有压力油,这个压力油怎么到弹簧端的?
回复

使用道具 举报

  • 打卡等级:无名新人
  • 打卡总天数:10
  • 打卡总奖励:10
发表于 2025-10-14 11:52:34 | 显示全部楼层
qqqqqqwwww 发表于 2025-10-13 09:36
这个电磁球阀复位原理是?不可能光靠弹簧复位吧?要是弹簧侧有压力油,这个压力油怎么到弹簧端的? ...

弹簧复位,内部有先导油引过去
回复

使用道具 举报

  • 打卡等级:即来则安
  • 打卡总天数:220
  • 打卡总奖励:220
发表于 2025-10-15 08:58:24 | 显示全部楼层
二通阀的机能滑阀确实有点迷惑,我的理解是得电主阀打开,失电自锁关闭,弹簧腔应该是有先导压力的。
回复

使用道具 举报

  • 打卡等级:以坛为家
  • 打卡总天数:714
  • 打卡总奖励:1153
发表于 2025-10-16 12:24:30 | 显示全部楼层
比较像是SUN的非平衡型,导压闭逻辑阀
wechat_2025-10-16_122251_593.png
从1口或者2口有控制油到弹簧腔3口
这样动作逻辑能正确吧?
回复

使用道具 举报

  • 打卡等级:论坛老炮
  • 打卡总天数:1317
  • 打卡总奖励:2075
 楼主| 发表于 2025-10-17 11:12:41 来自手机 | 显示全部楼层
zhaozhihui 发表于 2025-10-16 12:24
比较像是SUN的非平衡型,导压闭逻辑阀

从1口或者2口有控制油到弹簧腔3口

谢谢您提供的样本资料!
回复

使用道具 举报

  • 打卡等级:初来乍到
  • 打卡总天数:34
  • 打卡总奖励:34
发表于 2025-10-17 14:27:10 | 显示全部楼层
油路画的有问题吧?
回复

使用道具 举报

  • 打卡等级:无名新人
  • 打卡总天数:21
  • 打卡总奖励:21
发表于 2026-1-21 15:56:27 | 显示全部楼层
油路怪怪的,有问题吧
回复

使用道具 举报

您需要登录后才可以回帖 登录 | 立即注册

本版积分规则