设为首页
收藏本站
所有帖子
关于我们
联系我们
微信群
开启辅助访问
搜索
搜索
本版
用户
门户
Portal
资讯
液压资讯
观点
观点
产品
液压产品
技术
液压技术
合集
导读
Guide
下载
签到
金币
论坛
BBS
登录
立即注册
腾讯QQ
账号
自动登录
找回密码
密码
登录
立即注册
只需一步,快速开始
好友
动态
收藏
分享
帖子
日志
记录
相册
留言板
勋章
任务
道具
设置
退出
液压圈
»
论坛
›
液压元件
›
液压泵马达
›
请教A4VSO180LR2D/31R-PPB12N00的使用方法
负载敏感资料下载
|
液压培训资料下载
|
液压样本下载
|
AMESim资料下载
|
力士乐资料下载
|
挖掘机资料下载
|
标准资料下载
|
多路阀资料下载
返回列表
查看:
902
|
回复:
1
请教A4VSO180LR2D/31R-PPB12N00的使用方法
[复制链接]
lxmxjtu
lxmxjtu
当前离线
积分
313
注册时间
2014-4-16
最后登录
1970-1-1
IP卡
狗仔卡
打卡等级:即来则安
打卡总天数:202
打卡总奖励:669
发表于 2025-11-12 15:59:54
|
显示全部楼层
|
阅读模式
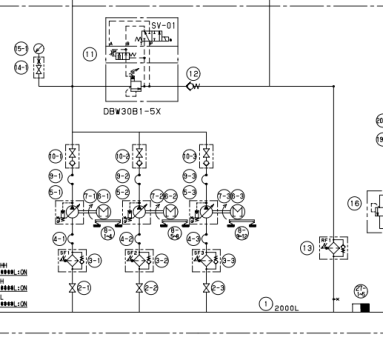
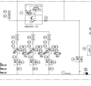
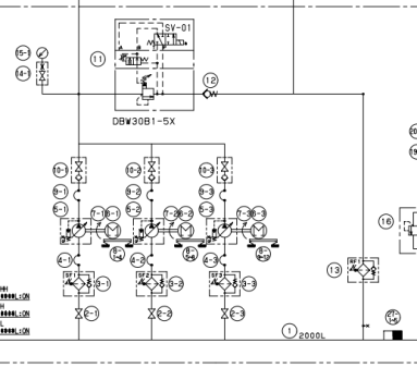
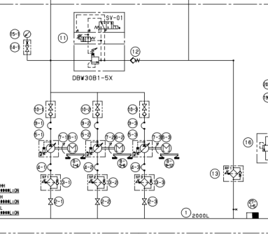
这个
液压系统
,有三台这种
泵
,两用一备,电机转速1000r/min,系统压力180bar,现场调试时,如何调节泵头的恒功率阀和恒压阀?
回复
使用道具
举报
提升卡
置顶卡
变色卡
qdqrr
qdqrr
当前离线
积分
2
注册时间
2014-9-22
最后登录
1970-1-1
IP卡
狗仔卡
打卡等级:无名新人
打卡总天数:1
打卡总奖励:1
发表于 2025-11-24 19:50:38
|
显示全部楼层
正常出厂设置时候应该设定好功率了,泵头阀中间的是功率发,六方螺帽里的调节螺杆设定功率,顺时针功率变大,外侧的较小的是压力阀,外六方螺杆设定压力,顺时针切断压力变高
回复
使用道具
举报
返回列表
高级模式
B
Color
Image
Link
Quote
Code
Smilies
您需要登录后才可以回帖
登录
|
立即注册
本版积分规则
发表回复
回帖后跳转到最后一页
快速回复
返回顶部
返回列表