设为首页
收藏本站
所有帖子
关于我们
联系我们
微信群
开启辅助访问
搜索
搜索
本版
用户
门户
Portal
资讯
液压资讯
观点
观点
产品
液压产品
技术
液压技术
合集
导读
Guide
下载
签到
金币
论坛
BBS
登录
立即注册
腾讯QQ
账号
自动登录
找回密码
密码
登录
立即注册
只需一步,快速开始
好友
动态
收藏
分享
帖子
日志
记录
相册
留言板
勋章
任务
道具
设置
退出
液压圈
»
论坛
›
液压元件
›
插装阀
›
平衡阀引压点位置的问题
负载敏感资料下载
|
液压培训资料下载
|
液压样本下载
|
AMESim资料下载
|
力士乐资料下载
|
挖掘机资料下载
|
标准资料下载
|
多路阀资料下载
返回列表
查看:
389
|
回复:
1
平衡阀引压点位置的问题
[复制链接]
shamozhihu14
shamozhihu14
当前离线
积分
107
注册时间
2012-8-25
最后登录
1970-1-1
IP卡
狗仔卡
打卡等级:无名新人
打卡总天数:6
打卡总奖励:18
发表于 2025-11-20 09:41:26
|
显示全部楼层
|
阅读模式
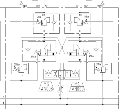
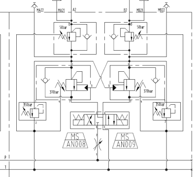
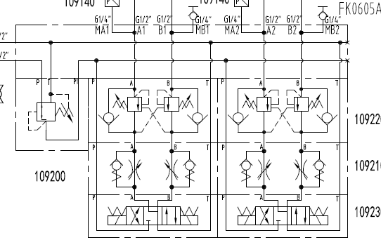
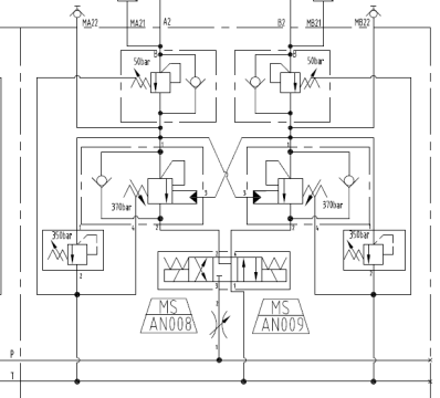
请教各位大神,如图所示,
油缸
回路中双单向
平衡阀
从对向平衡阀的进口(单向阀进口)引压和出口(单向阀出口)引压有啥区别呢?
液压技术
,
平衡阀
,
先导压力
,
引压位置
负载端口引压
换向阀侧引压
相关帖子
.
国产替代哈威/HAWE多路阀 & 国产高品质液压锁/防抖平衡阀
.
流量控制与压力控制阀芯
.
德国wessel平衡阀样本
.
布赫Cindy平衡阀中文样本
.
SUN升旭液压平衡阀培训资料
.
请教关于哈威LHT系列平衡阀开启压力如何计算?
.
平衡阀的选型
.
请教哈威的平衡阀是怎么工作的?
.
新书介绍“液压平衡阀应用技术”
.
平衡阀压力计算
回复
使用道具
举报
提升卡
置顶卡
变色卡
落日余晖
落日余晖
当前离线
积分
10
注册时间
2013-9-21
最后登录
1970-1-1
IP卡
狗仔卡
打卡等级:无名新人
打卡总天数:1
打卡总奖励:1
发表于 2025-12-27 00:48:01
来自手机
|
显示全部楼层
需要结合负载类型分析,能不能告知是什么设备?负载如何变化?
回复
使用道具
举报
返回列表
高级模式
B
Color
Image
Link
Quote
Code
Smilies
您需要登录后才可以回帖
登录
|
立即注册
本版积分规则
发表回复
回帖后跳转到最后一页
浏览过的版块
公告区
资料下载
工程机械
液压电磁阀
快速回复
返回顶部
返回列表