搜索
金币充值液压资料下载官方微信群
查看: 696|回复: 8

框架式液压机求助~~~

[复制链接]
  • 打卡等级:无名新人
  • 打卡总天数:5
  • 打卡总奖励:5
发表于 2025-12-15 16:34:28 | 显示全部楼层 |阅读模式
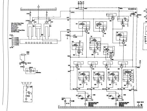
框架式液压机,回程时有时会缓慢,是哪个阀堵了吗?菜鸟求助
13410242029860464.jpg
回复

使用道具 举报

  • 打卡等级:论坛老炮
  • 打卡总天数:936
  • 打卡总奖励:1604
发表于 2025-12-16 07:35:14 | 显示全部楼层
可能是两个主缸的充液阀RCF150A有故障,检查一下。
回复

使用道具 举报

  • 打卡等级:即来则安
  • 打卡总天数:249
  • 打卡总奖励:372
发表于 2025-12-16 07:58:05 | 显示全部楼层
是一直慢呢还是偶尔会慢?可以考虑有杆腔流量和充液阀
回复

使用道具 举报

  • 打卡等级:偶尔看看
  • 打卡总天数:76
  • 打卡总奖励:168
发表于 2025-12-16 12:53:47 | 显示全部楼层
回程缓慢大概率是上腔快速排油的充液阀没有打开,原因是YA6控制的电磁阀未通电到位,可在故障发生时手动控制电磁阀到位观察效果。
回复

使用道具 举报

  • 打卡等级:以坛为家
  • 打卡总天数:787
  • 打卡总奖励:2198
发表于 2025-12-17 08:20:20 | 显示全部楼层
先降低伺服电机转速,排除油泵问题,看下是否一样速度,压力可适当增减观察回程背压,如果压力一直是上限,就是排油不畅,检查充液阀排油
回复

使用道具 举报

  • 打卡等级:无名新人
  • 打卡总天数:5
  • 打卡总奖励:5
 楼主| 发表于 2025-12-17 12:33:01 | 显示全部楼层
18405471280 发表于 2025-12-16 07:58
是一直慢呢还是偶尔会慢?可以考虑有杆腔流量和充液阀

昨晚找到原因了,充液阀没有完全打开,偶尔的
回复

使用道具 举报

  • 打卡等级:无名新人
  • 打卡总天数:5
  • 打卡总奖励:5
 楼主| 发表于 2025-12-17 12:33:32 | 显示全部楼层
zkzcmy 发表于 2025-12-16 07:35
可能是两个主缸的充液阀RCF150A有故障,检查一下。

感谢,确认了充液阀会有没有完全打开的时候
回复

使用道具 举报

  • 打卡等级:无名新人
  • 打卡总天数:5
  • 打卡总奖励:5
 楼主| 发表于 2025-12-17 12:33:57 | 显示全部楼层
zzfjct 发表于 2025-12-16 12:53
回程缓慢大概率是上腔快速排油的充液阀没有打开,原因是YA6控制的电磁阀未通电到位,可在故障发生时手动控 ...

感谢大佬,找到原因了,充液阀没有打开
回复

使用道具 举报

  • 打卡等级:无名新人
  • 打卡总天数:5
  • 打卡总奖励:5
 楼主| 发表于 2025-12-17 12:34:25 | 显示全部楼层
fsdongxu 发表于 2025-12-17 08:20
先降低伺服电机转速,排除油泵问题,看下是否一样速度,压力可适当增减观察回程背压,如果压力一直是上限, ...

谢谢,找到原因了。充液阀的问题

评分

参与人数 1金钱 +5 收起 理由
游勇 + 5 反馈故障结果

查看全部评分

回复

使用道具 举报

您需要登录后才可以回帖 登录 | 立即注册

本版积分规则