设为首页
收藏本站
所有帖子
关于我们
联系我们
微信群
开启辅助访问
搜索
搜索
本版
用户
门户
Portal
资讯
液压资讯
观点
观点
产品
液压产品
技术
液压技术
合集
导读
Guide
下载
签到
金币
论坛
BBS
登录
立即注册
腾讯QQ
账号
自动登录
找回密码
密码
登录
立即注册
只需一步,快速开始
好友
动态
收藏
分享
帖子
日志
记录
相册
留言板
勋章
任务
道具
设置
退出
液压圈
»
论坛
›
液压系统
›
故障诊断
›
求助,框架式液压机··
负载敏感资料下载
|
液压培训资料下载
|
液压样本下载
|
AMESim资料下载
|
力士乐资料下载
|
挖掘机资料下载
|
标准资料下载
|
多路阀资料下载
返回列表
查看:
407
|
回复:
4
求助,框架式液压机··
[复制链接]
yg8891
yg8891
当前离线
积分
22
注册时间
2025-12-12
最后登录
1970-1-1
IP卡
狗仔卡
打卡等级:无名新人
打卡总天数:5
打卡总奖励:5
发表于 2025-12-19 17:03:09
|
显示全部楼层
|
阅读模式
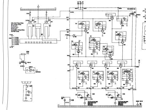
今天出现的问题,回程后会下滑,手动冲压几次会正常,再压一会还会下滑,伺服电机关掉,手动冲压不会下滑,安全阀调紧了一点,还是会有,也没有地方漏油
回复
使用道具
举报
提升卡
置顶卡
变色卡
yg8891
yg8891
当前离线
积分
22
注册时间
2025-12-12
最后登录
1970-1-1
IP卡
狗仔卡
打卡等级:无名新人
打卡总天数:5
打卡总奖励:5
楼主
|
发表于 2025-12-20 08:53:46
|
显示全部楼层
是YA11卡阀了吗?YA11是支撑阀吗?
回复
使用道具
举报
zzfjct
zzfjct
当前离线
积分
1370
注册时间
2013-7-28
最后登录
1970-1-1
IP卡
狗仔卡
打卡等级:偶尔看看
打卡总天数:78
打卡总奖励:170
发表于 2025-12-20 15:06:10
|
显示全部楼层
哪个是伺服电机?
回复
使用道具
举报
1648183658
1648183658
当前离线
积分
824
注册时间
2019-9-11
最后登录
1970-1-1
IP卡
狗仔卡
打卡等级:论坛老炮
打卡总天数:1038
打卡总奖励:1752
发表于 2025-12-23 20:29:56
来自手机
|
显示全部楼层
更换YA11同时检查下面的这个Ng50
回复
使用道具
举报
linan0218
linan0218
当前离线
积分
46
注册时间
2017-2-5
最后登录
1970-1-1
IP卡
狗仔卡
打卡等级:无名新人
打卡总天数:11
打卡总奖励:11
发表于 2026-2-14 14:06:03
|
显示全部楼层
关机手动冲压是什么意思,是指Ya11不得电吗,还有什么想象,可以加微信聊13383651716
回复
使用道具
举报
返回列表
高级模式
B
Color
Image
Link
Quote
Code
Smilies
您需要登录后才可以回帖
登录
|
立即注册
本版积分规则
发表回复
回帖后跳转到最后一页
浏览过的版块
液压油缸
液压技术
供求信息
资料下载
液压辅件
工程机械
液压电磁阀
液压多路阀
AMESim
伺服控制
快速回复
返回顶部
返回列表