搜索
金币充值液压资料下载官方微信群
查看: 609|回复: 5

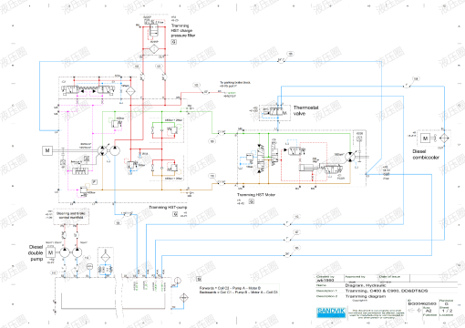
[矿山机械] 山特维克凿岩台车DD422i液压原理图

  [复制链接]
  • 打卡等级:常驻居民
  • 打卡总天数:352
  • 打卡总奖励:426
发表于 2026-4-3 09:50:59 | 显示全部楼层 |阅读模式
山特维克凿岩台车DD422i液压原理图,SICA(Sandvik Intelligent Control System Architecture)凿岩机控制系统,闭式行走系统
DD422I(SICA)_12(1).png
DD422I(SICA)_37(1).png

DD422I(SICA).pdf

2.73 MB, 下载次数: 91

售价: 20 金钱  [记录]

评分

参与人数 1金钱 +8 收起 理由
海中游 + 8 很给力!

查看全部评分

回复

使用道具 举报

  • 打卡等级:无名新人
  • 打卡总天数:24
  • 打卡总奖励:36
发表于 2026-4-4 14:14:11 | 显示全部楼层
给你,点赞
回复

使用道具 举报

  • 打卡等级:初来乍到
  • 打卡总天数:32
  • 打卡总奖励:33
发表于 2026-4-6 09:02:10 | 显示全部楼层
非常感谢楼主,这个资料很好
回复

使用道具 举报

  • 打卡等级:论坛老炮
  • 打卡总天数:1211
  • 打卡总奖励:3536
发表于 2026-4-6 10:23:14 | 显示全部楼层
外行人学习了
回复

使用道具 举报

  • 打卡等级:无名新人
  • 打卡总天数:4
  • 打卡总奖励:4
发表于 2026-4-9 14:17:46 | 显示全部楼层
凿岩台车的巨头!
回复

使用道具 举报

  • 打卡等级:即来则安
  • 打卡总天数:264
  • 打卡总奖励:292
发表于 2026-4-29 11:48:07 | 显示全部楼层
谢谢分享这些资料,有用
回复

使用道具 举报

您需要登录后才可以回帖 登录 | 立即注册

本版积分规则