设为首页
收藏本站
所有帖子
关于我们
联系我们
微信群
开启辅助访问
搜索
搜索
本版
用户
门户
Portal
资讯
液压资讯
观点
观点
产品
液压产品
技术
液压技术
合集
导读
Guide
下载
签到
金币
论坛
BBS
登录
立即注册
腾讯QQ
账号
自动登录
找回密码
密码
登录
立即注册
只需一步,快速开始
好友
动态
收藏
分享
帖子
日志
记录
相册
留言板
勋章
任务
道具
设置
退出
液压圈
»
论坛
›
液压工程师
›
资料下载
›
A10VSO远程控制求助
负载敏感资料下载
|
液压培训资料下载
|
液压样本下载
|
AMESim资料下载
|
力士乐资料下载
|
挖掘机资料下载
|
标准资料下载
|
多路阀资料下载
返回列表
查看:
215
|
回复:
1
[其他]
A10VSO远程控制求助
[复制链接]
vigor
vigor
当前离线
积分
269
注册时间
2019-10-11
最后登录
1970-1-1
IP卡
狗仔卡
打卡等级:即来则安
打卡总天数:228
打卡总奖励:288
发表于 2026-4-8 09:22:01
|
显示全部楼层
|
阅读模式
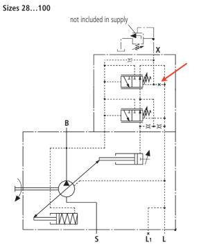
请教下各位,DRG控制,G阀右边通往油箱的油路是安装了一个节流孔还是堵住的呢。
回复
使用道具
举报
提升卡
置顶卡
变色卡
郁闷的小土豆儿
郁闷的小土豆儿
当前离线
积分
2
注册时间
2017-12-31
最后登录
1970-1-1
IP卡
狗仔卡
打卡等级:无名新人
打卡总天数:2
打卡总奖励:2
发表于 2026-4-14 09:13:56
|
显示全部楼层
堵着的,这个是阀内部结构,不用管,上边这个阀是压差控制阀,上边溢流阀溢流时会导致泵斜盘归零。如果你说的那个口过油的话,泵的斜盘就一直是归零状态了
回复
使用道具
举报
返回列表
高级模式
B
Color
Image
Link
Quote
Code
Smilies
您需要登录后才可以回帖
登录
|
立即注册
本版积分规则
发表回复
回帖后跳转到最后一页
快速回复
返回顶部
返回列表