搜索
金币充值液压资料下载官方微信群
查看: 294|回复: 2

液压马达行走系统如何做行车制动?

[复制链接]
  • 打卡等级:无名新人
  • 打卡总天数:12
  • 打卡总奖励:12
发表于 2026-4-15 14:49:20 | 显示全部楼层 |阅读模式
本帖最后由 dyt5476095 于 2026-4-15 14:52 编辑

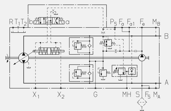
如图所示,四个轮边马达,弹簧制动液压释放型,整车最高行驶速度8.5KM/h,轮式行走,驱动如图所示。行车制动除了传统的充液阀+反向制动踏板之外还有什么更简便的方法?看到很多同行并没有制动踏板。
ScreenShot_2026-04-15_142937_206.png
ScreenShot_2026-04-15_143845_359.png
回复

使用道具 举报

  • 打卡等级:论坛老炮
  • 打卡总天数:1308
  • 打卡总奖励:4128
发表于 2026-4-16 21:29:54 | 显示全部楼层
你这闭式系统靠油泵调速,泵马达系统自己就可以自锁刹车,顶多加个驻车自动就可以,也可以外加紧急制动在伺服缸上。你这是做什么设备?用四个马达?喷药机吗?
回复

使用道具 举报

  • 打卡等级:无名新人
  • 打卡总天数:12
  • 打卡总奖励:12
 楼主| 发表于 2026-4-17 13:30:35 | 显示全部楼层
aliolion 发表于 2026-4-16 21:29
你这闭式系统靠油泵调速,泵马达系统自己就可以自锁刹车,顶多加个驻车自动就可以,也可以外加紧急制动在伺 ...

不用车桥,四个马达直驱车轮,铰接式车架。
1、泵马达系统自己就可以自锁刹车------是的,如果松掉油门踏板车子自己会减速,但是制动距离还是太远了。如果像挖机那种用梭阀从马达AB口引控制油去K口解锁刹车,如此之高的行驶速度会剧烈冲击,不合适。
回复

使用道具 举报

您需要登录后才可以回帖 登录 | 立即注册

本版积分规则