设为首页
收藏本站
所有帖子
关于我们
联系我们
微信群
开启辅助访问
搜索
搜索
本版
用户
门户
Portal
资讯
液压资讯
观点
观点
产品
液压产品
技术
液压技术
合集
导读
Guide
下载
签到
金币
论坛
BBS
登录
立即注册
腾讯QQ
账号
自动登录
找回密码
密码
登录
立即注册
只需一步,快速开始
好友
动态
收藏
分享
帖子
日志
记录
相册
留言板
勋章
任务
道具
设置
退出
液压圈
»
论坛
›
液压系统
›
液压技术
›
湖州压力机不保压问题请教
负载敏感资料下载
|
液压培训资料下载
|
液压样本下载
|
AMESim资料下载
|
力士乐资料下载
|
挖掘机资料下载
|
标准资料下载
|
多路阀资料下载
1
2
3
/ 3 页
返回列表
楼主:
changfei
湖州压力机不保压问题请教
[复制链接]
一线牵
一线牵
当前离线
积分
116
注册时间
2013-6-30
最后登录
1970-1-1
IP卡
狗仔卡
发表于 2013-8-21 19:28:10
|
显示全部楼层
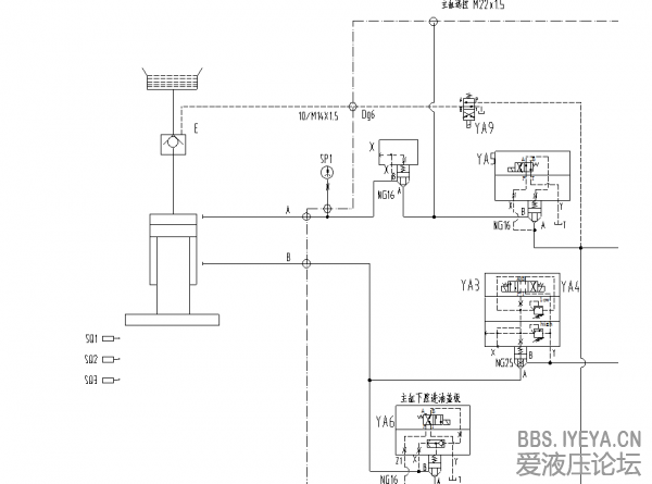
如果压力阀调定压力没问题,检查电液换向阀,可能是换向阀阀芯磨损加剧
回复
使用道具
举报
一线牵
一线牵
当前离线
积分
116
注册时间
2013-6-30
最后登录
1970-1-1
IP卡
狗仔卡
发表于 2013-8-25 13:34:06
|
显示全部楼层
没有图纸,没办法解决
回复
使用道具
举报
海中游
海中游
当前离线
积分
1095
注册时间
2011-8-11
最后登录
1970-1-1
IP卡
狗仔卡
打卡等级:以坛为家
打卡总天数:732
打卡总奖励:1162
发表于 2013-8-27 12:33:36
|
显示全部楼层
检查阀17,最好是更换。
慢速下滑可能是16不良,活塞密封不良。
回复
使用道具
举报
yjl10252006
yjl10252006
当前离线
积分
15
注册时间
2012-7-25
最后登录
1970-1-1
IP卡
狗仔卡
发表于 2013-8-27 22:04:55
|
显示全部楼层
检查阀17,采用的是滑阀,有可能是存在泄露了
回复
使用道具
举报
sunlike
sunlike
当前离线
积分
131
注册时间
2014-3-10
最后登录
1970-1-1
IP卡
狗仔卡
打卡等级:无名新人
打卡总天数:3
打卡总奖励:19
发表于 2014-3-11 15:11:12
|
显示全部楼层
保压保不住由三点决定:1、充液阀泄露,2、主缸上腔进油单向阀泄露,3、油缸内泄露。按照以上三点方向进行分析,逐项排查
回复
使用道具
举报
继续
继续
当前离线
积分
927
注册时间
2013-1-19
最后登录
1970-1-1
IP卡
狗仔卡
打卡等级:无名新人
打卡总天数:2
打卡总奖励:6
发表于 2014-4-1 08:41:28
|
显示全部楼层
还是觉着阀14 有问题
回复
使用道具
举报
zzfjct
zzfjct
当前离线
积分
1359
注册时间
2013-7-28
最后登录
1970-1-1
IP卡
狗仔卡
打卡等级:偶尔看看
打卡总天数:70
打卡总奖励:162
发表于 2014-4-1 13:12:50
|
显示全部楼层
阀13泄漏或复位弹簧失效等。
回复
使用道具
举报
beesljyf
beesljyf
当前离线
积分
23
注册时间
2010-7-13
最后登录
1970-1-1
IP卡
狗仔卡
发表于 2014-4-2 18:36:34
来自手机
|
显示全部楼层
滑块下溜应是两方面原因,一是密封的球阀漏,二是插装阀的先导卡阀。,楼主试一下
回复
使用道具
举报
qwe123456
qwe123456
当前离线
积分
49
注册时间
2012-9-21
最后登录
1970-1-1
IP卡
狗仔卡
打卡等级:即来则安
打卡总天数:225
打卡总奖励:786
发表于 2014-5-29 14:54:07
|
显示全部楼层
你液控单向阀控制油路常态下的压力?
回复
使用道具
举报
1
2
3
/ 3 页
返回列表
高级模式
B
Color
Image
Link
Quote
Code
Smilies
您需要登录后才可以回帖
登录
|
立即注册
本版积分规则
发表回复
回帖后跳转到最后一页
浏览过的版块
公告区
资料下载
插装阀
快速回复
返回顶部
返回列表