搜索
金币充值液压资料下载官方微信群
查看: 7042|回复: 11

柴油机AMEsim仿真问题

[复制链接]
  • 打卡等级:无名新人
  • 打卡总天数:1
  • 打卡总奖励:1
发表于 2013-10-13 16:25:22 | 显示全部楼层 |阅读模式
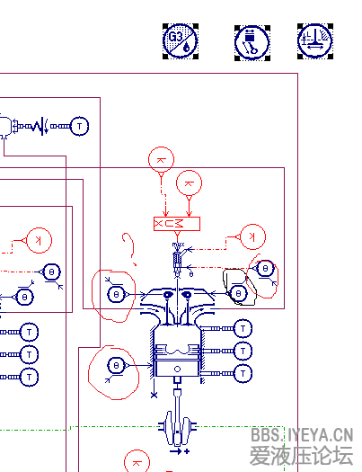
按照帮助文件搭建的柴油机草图,在进入参数模式时会出现“crankAngle没有相应发射器”的提示,如图。请教各位该如何处理

柴油机AME仿真

柴油机AME仿真
  • 打卡等级:无名新人
  • 打卡总天数:1
  • 打卡总奖励:1
 楼主| 发表于 2013-10-13 16:29:30 | 显示全部楼层
如图中红色圆圈所标出

cranAngle

cranAngle
回复

使用道具 举报

发表于 2013-10-13 19:07:15 | 显示全部楼层
太高端~~~
回复

使用道具 举报

发表于 2013-12-5 16:10:36 | 显示全部楼层
你没有一个全局的角度信号,这些角度信号接收器是接收不了的
回复

使用道具 举报

  • 打卡等级:无名新人
  • 打卡总天数:1
  • 打卡总奖励:1
 楼主| 发表于 2013-12-6 10:52:59 | 显示全部楼层
柴油机仿真运行错误提示@Septfei  

柴油机模型

柴油机模型

仿真运行错误提示

仿真运行错误提示
回复

使用道具 举报

  • 打卡等级:无名新人
  • 打卡总天数:1
  • 打卡总奖励:1
 楼主| 发表于 2013-12-6 10:55:31 | 显示全部楼层
Septfei 发表于 2013-12-5 16:10
你没有一个全局的角度信号,这些角度信号接收器是接收不了的

请教您,请查看5楼图片,这个模型草图按照论文和DEMO里的例子搭的,参数设置也是参考了一些,仿真时出现如上错误提示,搞不明白具体原因,麻烦您能不能指点一二?
回复

使用道具 举报

发表于 2013-12-6 16:46:33 | 显示全部楼层
烤肉拌饭1988 发表于 2013-12-6 10:55
请教您,请查看5楼图片,这个模型草图按照论文和DEMO里的例子搭的,参数设置也是参考了一些,仿真时出现如 ...

从提示的错误信息看,是因为无法打开进气和排气的气门升程和回程的文件造成的。再一个就是你的inflow和backflow 的流量系数没有。
回复

使用道具 举报

  • 打卡等级:无名新人
  • 打卡总天数:1
  • 打卡总奖励:1
 楼主| 发表于 2013-12-6 18:41:58 | 显示全部楼层
Septfei 发表于 2013-12-6 16:46
从提示的错误信息看,是因为无法打开进气和排气的气门升程和回程的文件造成的。再一个就是你的inflow和ba ...

那关于如何解决打不开这两个文件的问题您有什么好的办法吗?麻烦您
回复

使用道具 举报

  • 打卡等级:无名新人
  • 打卡总天数:15
  • 打卡总奖励:38
发表于 2013-12-7 11:34:48 | 显示全部楼层
linwowotou 发表于 2013-10-13 19:07
太高端~~~

有些看不懂啊
回复

使用道具 举报

发表于 2013-12-7 20:10:56 | 显示全部楼层
烤肉拌饭1988 发表于 2013-12-6 18:41
那关于如何解决打不开这两个文件的问题您有什么好的办法吗?麻烦您

DEMO 中有这两个文件的,但是他的凸轮运动规律应该是对应于DEMO中的发动机
回复

使用道具 举报

您需要登录后才可以回帖 登录 | 立即注册

本版积分规则