搜索
汉力达液压金币充值官方微信群液压资料下载
查看: 3122|回复: 2

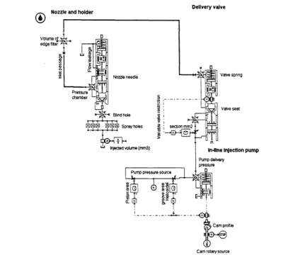
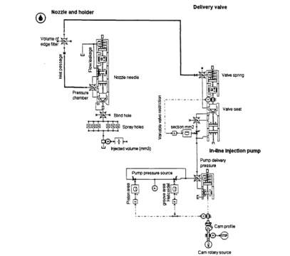
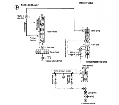
柴油机燃用二甲醚供给系统的研究

[复制链接]
发表于 2015-5-13 19:51:48 | 显示全部楼层 |阅读模式
柴油机燃用二甲醚供给系统的研究

看到群友比较急迫需要,找到相关的资料,希望可以有所借鉴

柴油机燃用二甲醚供给系统的研究

柴油机燃用二甲醚供给系统的研究

柴油机燃用二甲醚供给系统的研究

柴油机燃用二甲醚供给系统的研究

柴油机燃用二甲醚供给系统的研究.part1.rar

2 MB, 下载次数: 3

售价: 5 金钱  [记录]  [购买]

柴油机燃用二甲醚供给系统的研究

柴油机燃用二甲醚供给系统的研究.part2.rar

2 MB, 下载次数: 3

售价: 5 金钱  [记录]  [购买]

柴油机燃用二甲醚供给系统的研究

柴油机燃用二甲醚供给系统的研究.part3.rar

130.67 KB, 下载次数: 3

售价: 5 金钱  [记录]  [购买]

柴油机燃用二甲醚供给系统的研究

  • 打卡等级:偶尔看看
  • 打卡总天数:99
  • 打卡总奖励:105
发表于 2015-5-14 10:08:53 | 显示全部楼层
学习谢谢
回复

使用道具 举报

  • 打卡等级:无名新人
  • 打卡总天数:1
  • 打卡总奖励:5
发表于 2017-2-26 21:35:16 | 显示全部楼层
你好,你有供给系统建好的模型吗  
回复

使用道具 举报

您需要登录后才可以回帖 登录 | 立即注册

本版积分规则