搜索
汉力达液压金币充值官方微信群液压资料下载
查看: 8145|回复: 16

这个原理怎么理解!

  [复制链接]
  • 打卡等级:无名新人
  • 打卡总天数:4
  • 打卡总奖励:22
发表于 2014-5-22 09:08:41 | 显示全部楼层 |阅读模式
初学请各位老师讲的详细一点,先谢过了!
QQ截图20140522090910.png
发表于 2014-5-22 11:50:52 | 显示全部楼层

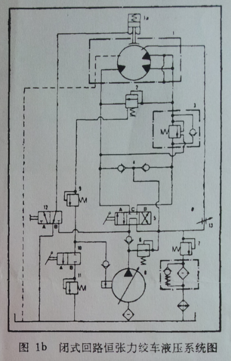
学生党,不才,绞车没接触过,以下,仅仅从液压原理图给出我的理解

1,绞车不工作时,是必须锁死的,最上面有弹簧的缸就是在不工作时,锁住马达的。绞车要工作前,必须二位三通阀12切换到A位,松开液压缸12.

2,主换向阀中为可能是低压循环通过节流阀13进入马达,然后从虚线回油。也有可能从溢流阀7走。A,B位就是马达的正反转,实现收线防线。A,B位时,回油没看懂。欢迎补充。

3,减压阀6,将泵出口一小部分油液减压后,经过两个单向阀的选择,给闭式系统补油,补油肯定是向低压腔补油,补油压力肯定不需要很高,不然马达有背压,卷扬力会下降,效率降低。

3,阀3为平衡阀,可能是用于防止卷线瞬间发生溜车。

4,阀7,9,11都是溢流阀,10处于A位时,7可能是安全阀,恒章立可能有9设定,具体压力有负载决定,11可能是用于产生背压。
10处于B位时,9,11都不起作用。此时压力工作的最大压力仅由7设定。


图中马达右侧部分几条油路没看懂。
回复

使用道具 举报

  • 打卡等级:无名新人
  • 打卡总天数:4
  • 打卡总奖励:22
 楼主| 发表于 2014-5-22 12:15:52 | 显示全部楼层
这是锚机,恒张力是主要的,其他都和闭式系统差不多,只是那个马达的进口有3个是什么马达!
回复

使用道具 举报

发表于 2014-5-22 12:31:57 | 显示全部楼层
boyao521 发表于 2014-5-22 12:15
这是锚机,恒张力是主要的,其他都和闭式系统差不多,只是那个马达的进口有3个是什么马达!

你这截图是书本或文献上的么?没有说明么?把文字部分图片也发出来看看吧
回复

使用道具 举报

  • 打卡等级:无名新人
  • 打卡总天数:4
  • 打卡总奖励:22
 楼主| 发表于 2014-5-22 12:40:40 | 显示全部楼层
这应该是论坛里的,大家讨论一下
QQ截图20140522124215.png
回复

使用道具 举报

发表于 2014-5-22 21:24:00 | 显示全部楼层
试着用Automation Studio画图仿真一下,有了结果后把视频截屏贴在这里。
回复

使用道具 举报

  • 打卡等级:即来则安
  • 打卡总天数:186
  • 打卡总奖励:554
发表于 2014-5-22 23:53:25 | 显示全部楼层
9、10、11是怎么用的?楼主可否讲讲??
回复

使用道具 举报

  • 打卡等级:无名新人
  • 打卡总天数:4
  • 打卡总奖励:22
 楼主| 发表于 2014-5-23 08:42:06 | 显示全部楼层
哥哥,我是来请教的,10、11应该是在保持恒张力时,系统压力降到4mpa,9应该是控制顺序阀7的吧,不完全确定,就等高人了
回复

使用道具 举报

发表于 2014-5-23 12:26:18 | 显示全部楼层
boyao521 发表于 2014-5-22 12:15
这是锚机,恒张力是主要的,其他都和闭式系统差不多,只是那个马达的进口有3个是什么马达!

那不是调整扭矩的嘛,当然同时也调速,扭矩小了转速也就快了
回复

使用道具 举报

发表于 2014-5-24 20:53:43 | 显示全部楼层
liugde 发表于 2014-5-22 21:24
试着用Automation Studio画图仿真一下,有了结果后把视频截屏贴在这里。

这个有3个进油口的马达,右侧部分是不是有背压,更好保持张力的,谢谢?
回复

使用道具 举报

您需要登录后才可以回帖 登录 | 立即注册

本版积分规则