搜索
金币充值液压资料下载官方微信群
查看: 11112|回复: 10

AMESim液压缸元件连接两种速度位移传感器

[复制链接]
发表于 2015-4-4 10:43:24 | 显示全部楼层 |阅读模式
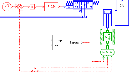
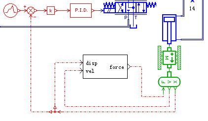
如图,液压缸可以连接右边的速度位移力传感器,但怎么也连不上左边的速度位移力传感器,是什么原因想知道。难道不支持速度位移输出只支持速度位移输入?

AMESim液压缸元件连接两种速度位移传感器

AMESim液压缸元件连接两种速度位移传感器
 楼主| 发表于 2015-4-4 10:53:10 | 显示全部楼层
我想可能进行联合的时候是以Adams为主仿真软件,所以只能支持速度位移输入到AMESim中,而力输入到Adams中。
回复

使用道具 举报

  • 打卡等级:常驻居民
  • 打卡总天数:365
  • 打卡总奖励:2062
发表于 2015-4-4 11:07:35 | 显示全部楼层
机械端口的外部变量方向是相反的,肯定链接不了
回复

使用道具 举报

  • 打卡等级:无名新人
  • 打卡总天数:4
  • 打卡总奖励:8
发表于 2015-4-4 16:12:01 | 显示全部楼层
加个质量块应该就可以接上了
回复

使用道具 举报

 楼主| 发表于 2015-4-5 10:33:49 | 显示全部楼层
wawaadd 发表于 2015-4-4 16:12
加个质量块应该就可以接上了

的确加个质量块就连上了,谢谢!但请问这里质量块质量可以设为0吗?
QQ截图20150405102419.png
回复

使用道具 举报

  • 打卡等级:无名新人
  • 打卡总天数:4
  • 打卡总奖励:8
发表于 2015-4-5 13:23:28 | 显示全部楼层
a=F/m,m设置为0,除数为零数学上不成立,加速度无穷大物理上不成立;建议先学好动力学,再去用amesim
回复

使用道具 举报

 楼主| 发表于 2015-4-10 16:00:09 | 显示全部楼层
wawaadd 发表于 2015-4-5 13:23
a=F/m,m设置为0,除数为零数学上不成立,加速度无穷大物理上不成立;建议先学好动力学,再去用amesim

那我设置为0.0001也行吧!
回复

使用道具 举报

  • 打卡等级:初来乍到
  • 打卡总天数:32
  • 打卡总奖励:193
发表于 2015-5-23 13:03:52 | 显示全部楼层
COD 发表于 2015-4-5 10:33
的确加个质量块就连上了,谢谢!但请问这里质量块质量可以设为0吗?

仿真怎么样了,我也打算研究这个那
有空请教一下
回复

使用道具 举报

发表于 2015-5-25 15:03:41 | 显示全部楼层
那不是传感器!
那个一个是动力约束,返回运动
一个是运动约束,返回动力
回复

使用道具 举报

  • 打卡等级:无名新人
  • 打卡总天数:6
  • 打卡总奖励:34
发表于 2016-6-7 10:26:54 | 显示全部楼层
你好,你能告诉一下你的QQ号吗?我也做联合仿真,交流一下啊,我的是935619940
回复

使用道具 举报

您需要登录后才可以回帖 登录 | 立即注册

本版积分规则