搜索
金币充值液压资料下载官方微信群
查看: 20043|回复: 18

液压缸活塞杆下降时产性严重爬行

  [复制链接]
  • 打卡等级:无名新人
  • 打卡总天数:2
  • 打卡总奖励:15
发表于 2015-6-13 11:32:34 | 显示全部楼层 |阅读模式
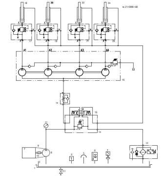
我公司的一个液压升降小车,液压缸用来提升重物,并带重物移动的。今天,在将重物起升过程中,无任何异像,但每次重物下降,即活塞杆收回时。出现严重的振动/晃动。我怀疑是出现了爬行。但是这个小车才才买没多久的,用的时间也很短,请教各位,最有可能是什么原因导致的呢?我们该如何做呢?

液压缸活塞杆下降时产性严重爬行

液压缸活塞杆下降时产性严重爬行
  • 打卡等级:初来乍到
  • 打卡总天数:44
  • 打卡总奖励:323
发表于 2015-6-13 12:07:21 | 显示全部楼层
1)14号阀接反了。调过来,节流调小些试试。
2)某缸存在内漏,查查。
3)平衡阀开启压力差别较大。
回复

使用道具 举报

  • 打卡等级:无名新人
  • 打卡总天数:4
  • 打卡总奖励:14
发表于 2015-6-14 10:35:22 | 显示全部楼层
找厂家最简单
回复

使用道具 举报

发表于 2015-6-14 11:27:34 | 显示全部楼层
感觉好像是平衡阀的事
回复

使用道具 举报

  • 打卡等级:论坛老炮
  • 打卡总天数:1309
  • 打卡总奖励:2064
发表于 2015-6-14 19:03:38 | 显示全部楼层
图纸设计有问题
回复

使用道具 举报

  • 打卡等级:无名新人
  • 打卡总天数:2
  • 打卡总奖励:15
 楼主| 发表于 2015-6-15 18:01:48 | 显示全部楼层
cqzyouxiang 发表于 2015-6-13 12:07
1)14号阀接反了。调过来,节流调小些试试。
2)某缸存在内漏,查查。
3)平衡阀开启压力差别较大。

我们用的平衡阀是螺纹插装式的,我见老外转动阀最外面的一个孔,好像杆下降的速度变快了,而且最后下降的振动也不是太大了,有好转,请问,调节这个孔的作用具体是调节了什么呢?我的推断:调节下降的阀的开启压力,同时也调节了下降的流量。请问我的推断对吗
回复

使用道具 举报

  • 打卡等级:初来乍到
  • 打卡总天数:44
  • 打卡总奖励:323
发表于 2015-6-15 20:49:13 | 显示全部楼层
本帖最后由 cqzyouxiang 于 2015-6-15 20:50 编辑

1)如你所说,可以这么认为。
2)从补充情况看,应属低速爬行。本质上是由于静-动摩擦系数不一致产生的一种低频振动现象。增加流量或速度是有效的办法。如果四缸的同步性相差较大,振动就大。
3)“不是太大了”,说明问题没有彻底解决。主要应从同步性考虑。适当地增加背压也是有效的办法。
4)四个平衡阀可合而为一,接到分流器进油端。如图接法同步性差些。
5)定量泵,不溢流,节流或者说调速是无效的。14显得多余。还画反了,不知是否也接反。
回复

使用道具 举报

  • 打卡等级:无名新人
  • 打卡总天数:1
  • 打卡总奖励:4
发表于 2015-6-15 21:08:42 | 显示全部楼层
我之前也遇到过类似的问题,检查一下平衡阀是否装反了,这个现象应该是平衡阀装反了而引起的点头现象!
回复

使用道具 举报

  • 打卡等级:无名新人
  • 打卡总天数:29
  • 打卡总奖励:220
发表于 2015-6-16 15:06:25 | 显示全部楼层
简单的问题啊,平衡故障,当然要看看平衡回路液控顺序阀、单向阀,四个同步,
回复

使用道具 举报

  • 打卡等级:偶尔看看
  • 打卡总天数:140
  • 打卡总奖励:708
发表于 2015-6-16 19:02:14 | 显示全部楼层
觉得还是同步问题,而且平衡阀用一个,然后同步分流可能会好一点
回复

使用道具 举报

您需要登录后才可以回帖 登录 | 立即注册

本版积分规则