- 积分
- 44
- 注册时间
- 2014-7-4
- 最后登录
- 1970-1-1
- 打卡等级:无名新人
- 打卡总天数:4
- 打卡总奖励:33
|

楼主 |
发表于 2014-12-2 16:31:30
|
显示全部楼层
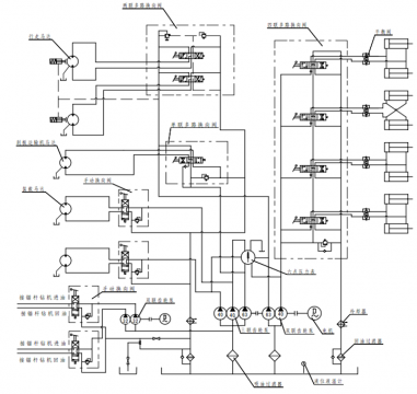
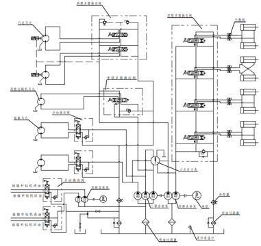
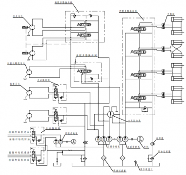
就是这个系统,我想根据负载转矩和设定转矩值的差值,通过调节泵的泵的排量来控制马达的转速。
(1)当负载转矩大于设定转矩值时,马达当前转速加上一个值后作为马达的设定转速,控制泵的排量达到马达设定转速,只要负载转矩大于设定转矩值,就一直循环下去,直到负载转矩不大于设定转矩,然后保持此时的马达转速不变。
(2)当负载转矩不大于设定转矩值时,保持此时的马达转速不变。
|
|