- 积分
 - 44
 
 
- 注册时间
 - 2014-7-4
  
- 最后登录
 - 1970-1-1
  
 
 
 
				- 打卡等级:无名新人
 
				- 打卡总天数:4
 
				
				- 打卡总奖励:33
 
				
				  
 
 | 
 
 
 楼主 |
发表于 2014-12-2 16:31:30
|
显示全部楼层
 
 
 
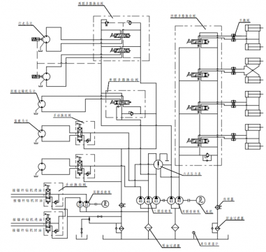
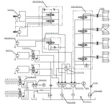
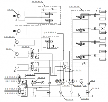
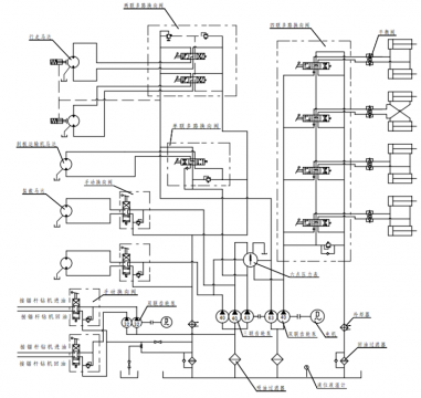
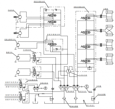
就是这个系统,我想根据负载转矩和设定转矩值的差值,通过调节泵的泵的排量来控制马达的转速。 
(1)当负载转矩大于设定转矩值时,马达当前转速加上一个值后作为马达的设定转速,控制泵的排量达到马达设定转速,只要负载转矩大于设定转矩值,就一直循环下去,直到负载转矩不大于设定转矩,然后保持此时的马达转速不变。 
(2)当负载转矩不大于设定转矩值时,保持此时的马达转速不变。 
 |   
 
  
 |