搜索
金币充值液压资料下载官方微信群
楼主: 泛舟

DFR/DFR1能否实现远程压力控制

    [复制链接]
  • 打卡等级:无名新人
  • 打卡总天数:15
  • 打卡总奖励:15
 楼主| 发表于 2013-8-9 22:44:52 | 显示全部楼层
qqqqqqwwww 发表于 2013-8-9 21:41
谢谢scgbb老师的点拨,我今天又把各个线上的液压原理图又梳理了一遍,确如老师所说:在泵的单向阀出口和Y ...

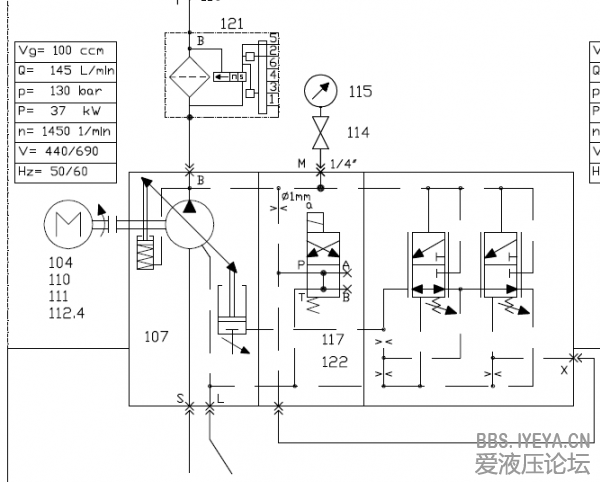
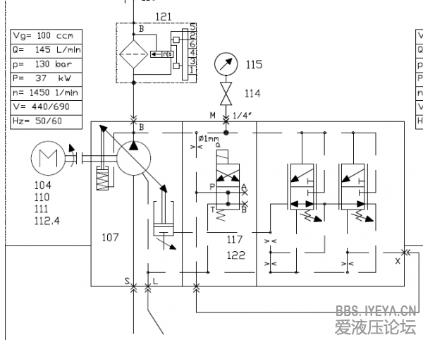
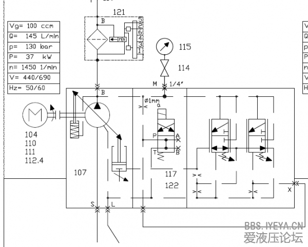
换向阀P口前有直径1.0或者1.2的节流子,那么我又有个疑问:问什么只设置6通径的换向阀,为什么不设置10通径的卸荷不更快吗
由于换向阀前的节流子为直径1.0或者1.2,设置10通径的效果与6通径的效果是一致的。1.0或者1.2的节流子在保证换向阀长期使用后,因磨损所产生的泄漏流量损失也可忽略不计。
我们一般在更换单向阀后的阀时,会对所换的之路的换向阀进行来回换向,就可实现换向阀后至油缸后AB油路进行泄压,保证在拆螺丝后,从不出现喷油现象。由于喷油现象会伤人,另恒容易击穿阀的密封圈
回复

使用道具 举报

  • 打卡等级:论坛老炮
  • 打卡总天数:1259
  • 打卡总奖励:1996
发表于 2013-8-9 22:59:01 来自手机 | 显示全部楼层
scgbb 发表于 2013-8-9 22:44
换向阀P口前有直径1.0或者1.2的节流子,那么我又有个疑问:问什么只设置6通径的换向阀,为什么不设置10通径的 ...

谢谢老师的回复。弄懂图中各个元件的设计意图真不容易呀!
回复

使用道具 举报

  • 打卡等级:无名新人
  • 打卡总天数:15
  • 打卡总奖励:15
 楼主| 发表于 2013-8-10 07:51:40 | 显示全部楼层
qqqqqqwwww 发表于 2013-8-9 22:59
谢谢老师的回复。弄懂图中各个元件的设计意图真不容易呀!

qqqqqqwwww:您好!技术交流呢,共同提高。
qqqqqqwwww :可否提供说明液压站图中另一电磁换向阀的得失电情况。该换向阀是否是在泵运行时一直得电,泵停止时失电?谢谢!
2013-08-10_074706.png
回复

使用道具 举报

  • 打卡等级:论坛老炮
  • 打卡总天数:1259
  • 打卡总奖励:1996
发表于 2013-8-10 10:38:56 来自手机 | 显示全部楼层
scgbb 发表于 2013-8-10 07:51
qqqqqqwwww:您好!技术交流呢,共同提高。
qqqqqqwwww :可否提供说明液压站图中另一电磁换向阀的得失电 ...

scgbb老师,我已经让搞电气的去查了,星期一出结果,到时再回复您,大学期间学的是机械,液压一点也没接触,所以基础比较差,还请论坛的各位老师帮忙指点,特别是液压原理基础,再次感谢您和游勇老师的帮助。
回复

使用道具 举报

  • 打卡等级:论坛老炮
  • 打卡总天数:1259
  • 打卡总奖励:1996
发表于 2013-8-12 10:25:15 来自手机 | 显示全部楼层
scgbb 发表于 2013-8-10 07:51
qqqqqqwwww:您好!技术交流呢,共同提高。
qqqqqqwwww :可否提供说明液压站图中另一电磁换向阀的得失电 ...

scgbb老师:您好,经查电气原理图,与安全阀并联的6通径电磁阀在给定泵启动命令后延时500ms得电,给定泵停止命令后延时3s后失电。而变量泵头的电磁阀在给定泵启动命令时立即得电,无延时;给定泵停止命令就失电,无延时。看来变量泵低压低排量启动是靠直径2毫米的节流子后的电磁阀起作用,不知我的说法对不对,还请老师详解。
回复

使用道具 举报

  • 打卡等级:论坛老炮
  • 打卡总天数:1259
  • 打卡总奖励:1996
发表于 2013-8-12 11:01:52 来自手机 | 显示全部楼层
scgbb 发表于 2013-8-10 07:51
qqqqqqwwww:您好!技术交流呢,共同提高。
qqqqqqwwww :可否提供说明液压站图中另一电磁换向阀的得失电 ...

scgbb老师:您好,既然泵一起动泵头电磁阀就得电关闭,那么FR阀上部受液压油作用力假设为p,FR阀下部受的力为p与14bar压力之和,p与p相抵消,那么FR就只受14bar的压力,在此力作用下FR阀下位工作,所以油泵在低压大排量下启动,此时油泵摆角最大。不知我的说法对不对?

点评

异步电机起动时先是星形接法起动,以减低起动电流;几秒後当电马达差不多到额定转速时,才转变为角形接法,以提供足够扭力。为免电机在起动时超载,A10VSO以最低排量(~2-3升/分)及最低压力(14Bar)起动,阁下可把下图  详情 回复 发表于 2013-8-15 00:39
回复

使用道具 举报

  • 打卡等级:论坛老炮
  • 打卡总天数:1259
  • 打卡总奖励:1996
发表于 2013-8-12 11:18:44 来自手机 | 显示全部楼层
scgbb 发表于 2013-8-10 07:51
qqqqqqwwww:您好!技术交流呢,共同提高。
qqqqqqwwww :可否提供说明液压站图中另一电磁换向阀的得失电 ...

scgbb老师:您好。当与安全阀并联的电磁阀得电关闭后,这时油路中DR阀的调压弹簧为最小负载,液压油克服DR阀弹簧力,DR阀芯移动,液压油进入变量缸活塞端,此时泵摆角变为0,压力为DR阀设定值130bar,此时变量完成,系统维持恒压。
回复

使用道具 举报

  • 打卡等级:论坛老炮
  • 打卡总天数:1259
  • 打卡总奖励:1996
发表于 2013-8-12 12:04:26 | 显示全部楼层
scgbb 发表于 2013-8-10 07:51
qqqqqqwwww:您好!技术交流呢,共同提高。
qqqqqqwwww :可否提供说明液压站图中另一电磁换向阀的得失电 ...

scgbb老师:油泵停止运转后,泵与单向阀119之间的压力通过泵头电磁阀缓慢卸荷,中间经过直径1毫米的节流子,卸荷后,FR阀和DR阀在14BAR和130BAR压力作用下,下位工作,变量缸活塞端通油箱,此时油泵处在最大排量状态,也就是说,泵下一次启动前,油泵始终是在大排量状态。而119单向阀至Y机能换向阀之间的压力是经过上面的6通径换向阀缓慢卸荷的,不知我以上的分析对不对?请老师明示,谢谢。
回复

使用道具 举报

  • 打卡等级:无名新人
  • 打卡总天数:15
  • 打卡总奖励:15
 楼主| 发表于 2013-8-12 21:40:44 | 显示全部楼层
qqqqqqwwww 发表于 2013-8-12 10:25
scgbb老师:您好,经查电气原理图,与安全阀并联的6通径电磁阀在给定泵启动命令后延时500ms得电,给定泵停止命 ...

qqqqqqwwww :你好!咱们以后交流称呼坛友,更好!{:9_232:}
个人理解:泵头的电磁阀在电机启动时得电,FR(最外面的阀)上位工作,泵在最小排量的情况下启动,跟星形降压启动共同作用来启动泵。而泵启动之后,电磁阀失电,FR下位工作,泵在图中2个红圈内的串联液阻的作用下,大约低于游勇管理员所述的流量损失。DFR泵的中间的DR阀起作用,DFR泵的最终作用还是DR泵的功能,即恒压泵系统。不过我的理解跟你提供的电磁铁得失电有出入。
qqqqqqwwww :根据你提供的该泵为DFR,在泵的出口没有梭阀的作用下,泵的出口一般是单执行元件。

qqqqqqwwww:请教该液压站是应用于工业液压哪类设备?谢谢!
075132eyuyy785277dzu94_png_thumb.png
回复

使用道具 举报

  • 打卡等级:无名新人
  • 打卡总天数:15
  • 打卡总奖励:15
 楼主| 发表于 2013-8-12 21:55:27 | 显示全部楼层
qqqqqqwwww 发表于 2013-8-12 10:25
scgbb老师:您好,经查电气原理图,与安全阀并联的6通径电磁阀在给定泵启动命令后延时500ms得电,给定泵停止命 ...

qqqqqqwwww:电磁铁得失电在电气原理图上一般不会反映出来的吧,一般在PLC上可反映出来。或者自己直接利用万用表测量可得出来。
回复

使用道具 举报

您需要登录后才可以回帖 登录 | 立即注册

本版积分规则