搜索
汉力达液压金币充值官方微信群液压资料下载
查看: 10365|回复: 26

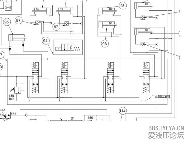
你能看出这张液压原理图的错误码?

    [复制链接]
发表于 2013-2-22 11:25:09 | 显示全部楼层 |阅读模式
求教一下!你们觉得电磁多路阀这部分设计的合理吗?因为这是nilfisk一款型号为RS1301的全液压清扫车液压设计的方案,应该不会有设计上的问题,但我看着有点不对劲啊,电磁阀中位直接把液压油全回油箱了,系统压力怎么建立的啊?
无标题.jpg
 楼主| 发表于 2013-2-22 11:26:28 | 显示全部楼层
自己先顶一下吧  不能没人看吧
回复

使用道具 举报

  • 打卡等级:无名新人
  • 打卡总天数:19
  • 打卡总奖励:68
发表于 2013-2-22 11:44:15 | 显示全部楼层
需要动作的时候才能建压,不动作的时候直接回油箱避免溢流发热浪费功率
回复

使用道具 举报

  • 打卡等级:偶尔看看
  • 打卡总天数:85
  • 打卡总奖励:380
发表于 2013-2-22 12:03:14 | 显示全部楼层
不操作时液压油回油箱,阀芯动作压力开始建立,一般用齿轮泵
回复

使用道具 举报

 楼主| 发表于 2013-2-22 12:04:02 | 显示全部楼层
axiao2527 发表于 2013-2-22 11:44
需要动作的时候才能建压,不动作的时候直接回油箱避免溢流发热浪费功率

必须四个电磁换向阀都有动作才能建压吧?
回复

使用道具 举报

  • 打卡等级:无名新人
  • 打卡总天数:1
  • 打卡总奖励:7
发表于 2013-2-22 13:04:16 | 显示全部楼层
只要有一个电磁换向阀动作,就会建立起压力来,压力最大为130bar.

点评

阁下先看清楚什么是並联回路才发表!  发表于 2013-2-22 19:26
回复

使用道具 举报

 楼主| 发表于 2013-2-22 13:19:15 | 显示全部楼层
天宇神剑 发表于 2013-2-22 13:04
只要有一个电磁换向阀动作,就会建立起压力来,压力最大为130bar.

我有点不太理解,因为四个换向阀是并联的,若只有其中一个电磁换向阀动作,液压油会不会通过其余的换向阀中位回油箱?为什么?
求教了  谢谢!
回复

使用道具 举报

  • 打卡等级:以坛为家
  • 打卡总天数:868
  • 打卡总奖励:2948
发表于 2013-2-22 13:55:54 | 显示全部楼层
没有问题吧,不工作时卸荷
回复

使用道具 举报

发表于 2013-2-22 14:08:12 | 显示全部楼层
系统的压力建立 主要是靠换向阀的换向。中位使泵泄压 节约能量,减少泵的负荷  同时在油缸下面有液控单向阀  起到保压作用
回复

使用道具 举报

 楼主| 发表于 2013-2-22 14:41:32 | 显示全部楼层
今夕何夕 发表于 2013-2-22 13:55
没有问题吧,不工作时卸荷

因为四个换向阀是并联的,若只有其中一个电磁换向阀动作,液压油就会通过其余的换向阀中位回油箱,就使得系统不能建立压力,不是这样吗?
回复

使用道具 举报

您需要登录后才可以回帖 登录 | 立即注册

本版积分规则