搜索
汉力达液压金币充值官方微信群液压资料下载
查看: 7568|回复: 5

AMESim与Simulink联合仿真的问题

[复制链接]
发表于 2013-3-7 10:26:41 | 显示全部楼层 |阅读模式
在仿真中总是中间出现停止:
Requesting hydraulic license ...
got the license for hydraulic, continuing

Dissipation number is significant, Dn = 0.00338295.

Consider using f.d.f states for HL041 submodel.

For faster computation, you may also try a HLG0021D submodel.

Warning in HL041 instance 2.

Be careful! the flow area is limited by
(PI/4)*(dspool^2-drod^2) and not by xmax.

Warning in BRP025 instance 1.

Requesting hcd license ...
got the license for hcd, continuing
Warning in OR005 instance 1 (t = 0.000000): Reynolds > 10000
The simulation has been stopped before
the results file exceeds the 2 GigaBytes limit.
To avoid this problem, reduce the number of saved variables
or increase the print interval.

The simulation has been stopped before
the results file exceeds the 2 GigaBytes limit.
To avoid this problem, reduce the number of saved variables
or increase the print interval.
不知道如何解决,望高手指点一二,小弟不胜感激!
发表于 2013-3-7 21:24:26 | 显示全部楼层
这是因为你存的仿真结果太多了,amesim的上线是2gb.simulation setting里面把print interval改小点,或者选择你不需要知道仿真结果的元件,右键单机,然后选择don't save variable.
回复

使用道具 举报

发表于 2013-3-12 10:19:23 | 显示全部楼层
你好,你这个出错的地方应该是和你的模型参数设置有关系。你的模型应该是一个带液压系统的模型,错误提醒中提到了雷诺数。你是否方便给我看一下你的具体AMESim模型,这样有助于我给你找到错误的所在。
回复

使用道具 举报

发表于 2013-3-12 10:23:18 | 显示全部楼层
问题说你需要保存的数据量太大,已经超过了千兆字节,建议你较少需要保存的变量数或者增大记录数据时间间隔。
回复

使用道具 举报

 楼主| 发表于 2013-3-13 20:23:10 | 显示全部楼层
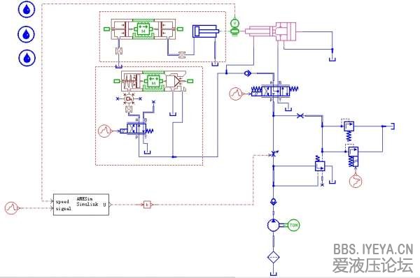
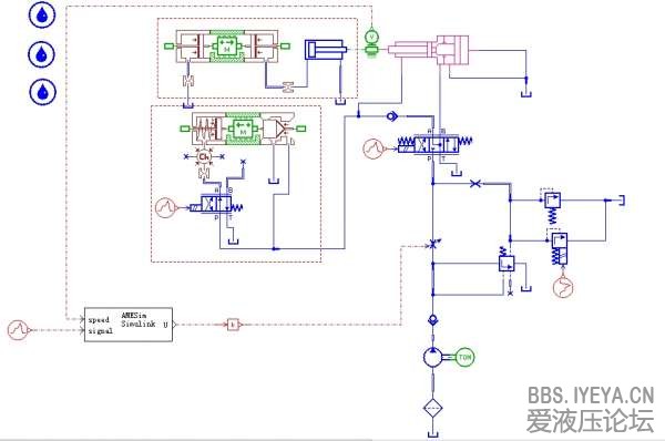
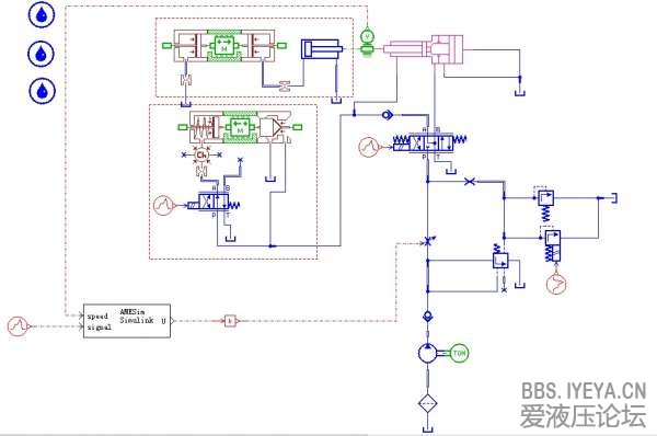
附图如下,谢谢各位好心人帮忙。

AMESim中的图

AMESim中的图
回复

使用道具 举报

 楼主| 发表于 2013-3-13 20:30:13 | 显示全部楼层
AMESim中的模型压缩文件

MY1.rar

321.17 KB, 下载次数: 33

售价: 5 金钱  [记录]

回复

使用道具 举报

您需要登录后才可以回帖 登录 | 立即注册

本版积分规则