搜索
汉力达液压金币充值官方微信群液压资料下载
查看: 4431|回复: 2

AMESim与Simulink联合仿真

[复制链接]
发表于 2013-3-15 11:18:23 | 显示全部楼层 |阅读模式
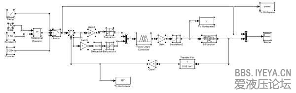
AMESim与Simulink联合仿真时,当改变一个增益值(gain2)时,仿真变得出问题,而未改之前没问题(之前为1),如下图所示。请问这是什么原因?先谢过了!错误信息如下 :Unable to reduce the step size without violating a minimum step size of 1.85914676816254e-015 at time 0.5233032932702435 for model 'gai1'.
7.jpg
  • 打卡等级:无名新人
  • 打卡总天数:10
  • 打卡总奖励:57
发表于 2013-4-18 18:09:17 | 显示全部楼层
在0.5233032932702435 时不能够在减小最小步长了,因为设置的最小步长是1.85914676816254e-015

积分的误差不满足matlab要求的进度,所以在这里不停得想要缩短步长,精确计算,让估计的误差减小。但是matlab上的步长最小限制为1.85914676816254e-015,步长不能再小了。

我猜测多半你的积分步长和积分误差限是按auto设置的,就是matlab积分器自己调节积分器。如果是上面的假设,说明模型有问题。那个增益是不是改错了。具体情况我也不知道。只能回答到这个地步
回复

使用道具 举报

发表于 2013-10-11 12:31:05 | 显示全部楼层
你好  我是一名在校学生,现在也在用amesim与simulink联合仿真,但是在我的amesim 一旦选用VC++作为编译器时,就会在仿真第三部的参数模式下出现系统无法执行的错误,请问这是什么原因造成的呢? 非常希望您能帮助我解决这个问题,我的亲戚qq  391137320   十分感谢!
回复

使用道具 举报

您需要登录后才可以回帖 登录 | 立即注册

本版积分规则