设为首页
收藏本站
所有帖子
关于我们
联系我们
微信群
开启辅助访问
搜索
搜索
本版
用户
门户
Portal
资讯
液压资讯
观点
观点
产品
液压产品
技术
液压技术
合集
导读
Guide
下载
签到
金币
论坛
BBS
登录
立即注册
腾讯QQ
账号
自动登录
找回密码
密码
登录
立即注册
只需一步,快速开始
好友
动态
收藏
分享
帖子
日志
记录
相册
留言板
勋章
任务
道具
设置
退出
液压圈
»
论坛
›
液压元件
›
液压多路阀
›
关于LS压力补偿器的见解
负载敏感资料下载
|
液压培训资料下载
|
液压样本下载
|
AMESim资料下载
|
力士乐资料下载
|
挖掘机资料下载
|
标准资料下载
|
多路阀资料下载
1
2
/ 2 页
返回列表
楼主:
heripeng
关于LS压力补偿器的见解
[复制链接]
游勇
游勇
当前离线
积分
2577
注册时间
2011-7-5
最后登录
1970-1-1
IP卡
狗仔卡
打卡等级:初来乍到
打卡总天数:30
打卡总奖励:74
发表于 2013-8-15 12:42:48
|
显示全部楼层
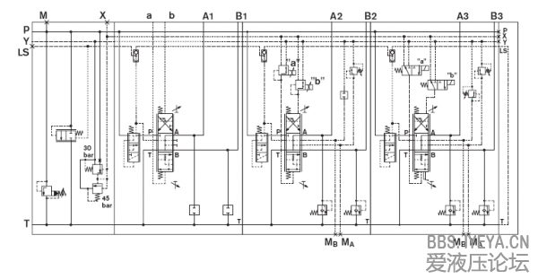
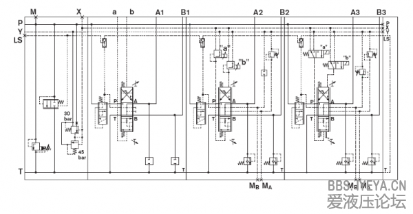
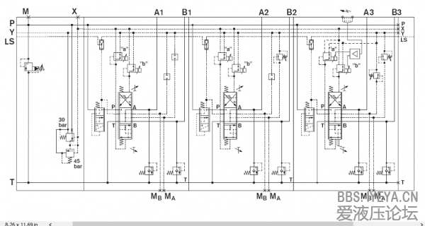
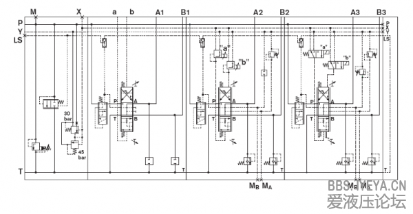
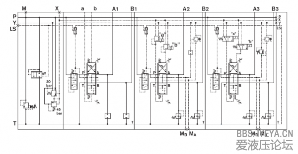
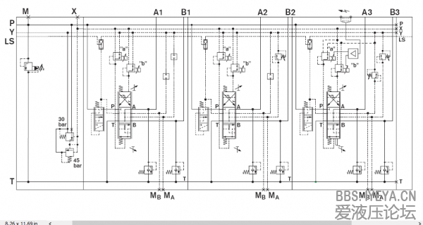
三通压力补偿器是配定量泵:
二通压力补偿器是配变量泵:
回复
使用道具
举报
Maxtum
Maxtum
当前离线
积分
108
注册时间
2013-6-22
最后登录
1970-1-1
IP卡
狗仔卡
发表于 2013-8-18 17:46:33
|
显示全部楼层
LZ果然高手,请教一下各位大虾几个基本概念:
1、假设已经使用了2通流量器及三通流量器实现阀前调速,如果此时在阀后加上另外一个2通流量器调速会怎样?也就是二次调节。
2、压力相同的情况下(并联油路),流量是按照节流口的面积进行等比分配的吗?且各自的流速会不会相同?
3、LS系统中的AVR功能是靠电控来强制减少并联各油路的先导压力,有没有可能使用液压就能解决?
回复
使用道具
举报
波波维齐
波波维齐
当前离线
积分
6
注册时间
2011-12-24
最后登录
1970-1-1
IP卡
狗仔卡
发表于 2013-9-15 08:22:07
来自手机
|
显示全部楼层
你说的多路换向阀是不是相当于人可调节的可变节流阀
回复
使用道具
举报
1
2
/ 2 页
返回列表
高级模式
B
Color
Image
Link
Quote
Code
Smilies
您需要登录后才可以回帖
登录
|
立即注册
本版积分规则
发表回复
回帖后跳转到最后一页
浏览过的版块
公告区
液压油缸
液压技术
插装阀
快速回复
返回顶部
返回列表