搜索
汉力达液压金币充值官方微信群液压资料下载
查看: 11030|回复: 11

[综合讨论] 关于转向器的问题

  [复制链接]
  • 打卡等级:即来则安
  • 打卡总天数:206
  • 打卡总奖励:631
发表于 2013-5-31 15:20:47 | 显示全部楼层 |阅读模式
关于转向器有几个疑问还请高手指点一下
1.“开芯式无反应转向回路”和“闭芯式无反应转向回路”的区别是?
2.“静态信号负荷传感转向”和“动态信号负荷传感转向”的区别是?动态的话左路控制油路有两个,而静态只有一个?那么动态的好处是什么?
3.负荷有反应和负荷无反应的区别是?
  • 打卡等级:初来乍到
  • 打卡总天数:39
  • 打卡总奖励:286
发表于 2013-6-7 22:05:16 | 显示全部楼层
楼主,你这个问题比较专业,建议你找个转向器样本看看
回复

使用道具 举报

  • 打卡等级:无名新人
  • 打卡总天数:27
  • 打卡总奖励:112
发表于 2013-11-15 21:58:01 | 显示全部楼层
叉车用全液压转向器分为开芯无反应型、开芯有反应型、闭芯无反应型、闭芯有反应型(实际运用中基本没人使用)、负荷传感型、流量放大型。
开芯指的是在转向器不工作的情况下,转向器的进油口和回油口是联通的、P口油液可直接流向T口。闭芯就是指这两个口不连通
有反应指的是在转向器不工作的情况下,转向油缸的油可经过转向器A口或B口与转向器的P口或T口联通。无反应就是指不连通的型式。
负荷传感型转向器分为静态信号和动态信号,静态信号转向器必须与静态信号优先阀配合,动态信号转向器必须与动态信号优先阀配合。具体静态和动态哪个好我就不清楚了
回复

使用道具 举报

  • 打卡等级:常驻居民
  • 打卡总天数:458
  • 打卡总奖励:1443
发表于 2013-11-16 10:43:54 | 显示全部楼层
其实EATON的样本上已经讲的很清楚了

点评

样本上详细讲动态信号和静态信号的结构区别了吗?有的话能否给我发一下,本人目前还没研究明白  发表于 2015-9-2 22:45
回复

使用道具 举报

发表于 2013-12-7 21:37:50 来自手机 | 显示全部楼层
三楼讲的挺详细了,我再说一下有反应和无反应,有反应又叫有路感,无反应又叫无路感。有反应就是路面高低会传到方向盘上甚至会打手,无路感那驾驶员就感觉不到路面的情况了
回复

使用道具 举报

  • 打卡等级:无名新人
  • 打卡总天数:3
  • 打卡总奖励:15
发表于 2014-3-25 14:28:55 | 显示全部楼层
楼主弄清楚了吗,能不能给我也讲讲静态信号和动态信号的区别?
回复

使用道具 举报

发表于 2014-6-13 09:08:58 | 显示全部楼层
伊顿转向器分动态和静态的,镇江液压的不分,
镇江的负荷传感转向器的全是动态的,优先阀大多数是静态的,如此混用,除了转向手感有点差异。
转向功能基本一致。所以不要在纠结动静态的差异了。
回复

使用道具 举报

  • 打卡等级:无名新人
  • 打卡总天数:2
  • 打卡总奖励:13
发表于 2015-9-2 22:56:37 | 显示全部楼层
米其林大海 发表于 2014-3-25 14:28
楼主弄清楚了吗,能不能给我也讲讲静态信号和动态信号的区别?

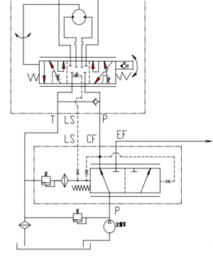
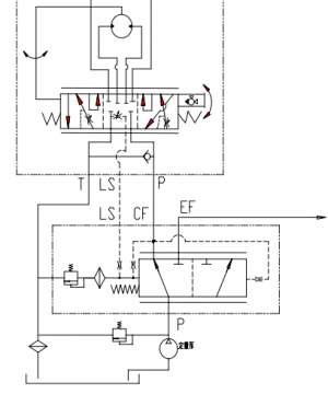
我来试着回答一下吧,动态信号优先阀出口的压力除了作用到无弹簧腔,还经过很小的阻尼(多大?)作用到优先阀芯弹簧腔,作用:在泵启动而不转向时,能够通过流动使LS油路的油流动起来,好处,提高转向的反应速度,尤其是低温启动时候的。 捕获.PNG
回复

使用道具 举报

  • 打卡等级:无名新人
  • 打卡总天数:2
  • 打卡总奖励:13
发表于 2015-9-2 23:01:29 | 显示全部楼层
風吹落了記憶 发表于 2013-12-7 21:37
三楼讲的挺详细了,我再说一下有反应和无反应,有反应又叫有路感,无反应又叫无路感。有反应就是路面高低会 ...

路感,嗯,这种解释最好了,结合实际,不然老外随便取个名字,翻译者是外行,又恰巧模仿老外的时候没搞懂就人云亦云那就惨了,所以再强调一遍:有反应=有路感
回复

使用道具 举报

  • 打卡等级:偶尔看看
  • 打卡总天数:105
  • 打卡总奖励:414
发表于 2015-9-25 09:31:37 | 显示全部楼层
最近搜到一篇外文资料,主要是讲优先阀在负荷传感中的作用。其中讲到了动静态负荷传感的区别,你可以参考下:http://www.hydraforce.com/HFinsi ... Priority_Valves.htm
回复

使用道具 举报

您需要登录后才可以回帖 登录 | 立即注册

本版积分规则