设为首页
收藏本站
所有帖子
关于我们
联系我们
微信群
开启辅助访问
搜索
搜索
本版
用户
门户
Portal
资讯
液压资讯
观点
观点
产品
液压产品
技术
液压技术
合集
导读
Guide
下载
签到
金币
论坛
BBS
登录
立即注册
腾讯QQ
账号
自动登录
找回密码
密码
登录
立即注册
只需一步,快速开始
好友
动态
收藏
分享
帖子
日志
记录
相册
留言板
勋章
任务
道具
设置
退出
液压圈
»
论坛
›
液压工程师
›
资料下载
›
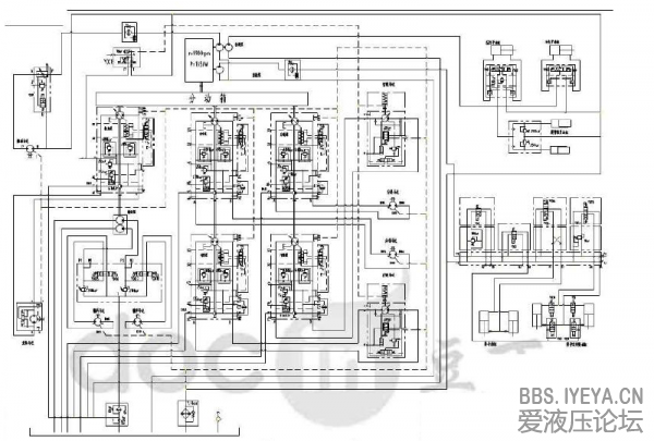
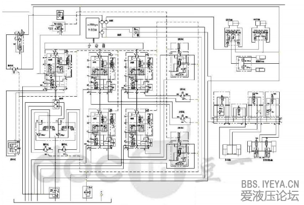
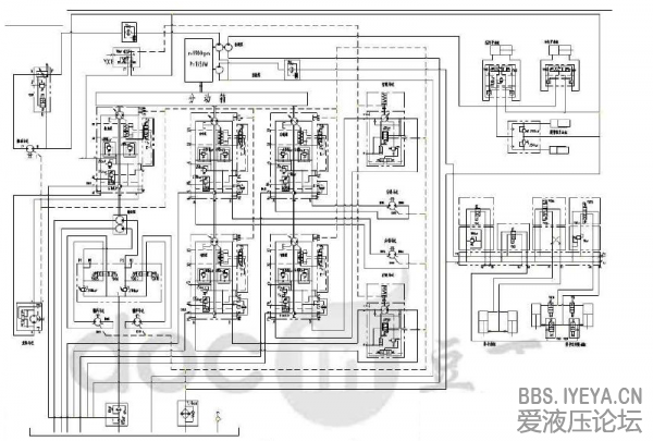
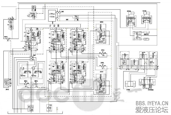
发个摊铺机液压系统原理图供大家学习
负载敏感资料下载
|
液压培训资料下载
|
液压样本下载
|
AMESim资料下载
|
力士乐资料下载
|
挖掘机资料下载
|
标准资料下载
|
多路阀资料下载
返回列表
查看:
11780
|
回复:
9
[图纸]
发个摊铺机液压系统原理图供大家学习
[复制链接]
xiaoshxin
xiaoshxin
当前离线
积分
1997
注册时间
2010-12-4
最后登录
1970-1-1
IP卡
狗仔卡
发表于 2013-7-28 13:08:07
|
显示全部楼层
|
阅读模式
3.pdf
(178.21 KB, 下载次数: 315, 售价: 5 金钱)
2013-7-28 13:07 上传
点击文件名下载附件
摊铺机
相关帖子
.
戴纳派克F141.F182摊铺机输料比例控制阀 刮板电磁阀
.
这是摊铺机 刮板用泵,何种情况下,会拧断花键轴,很频繁
.
三一LTU120沥青摊铺机电气系统图
.
从斜轴马达性能指标分析马达性能
.
摊铺机平衡阀
.
摊铺机有做过的吗
.
摊铺机行走系统请教
.
液压系统中注意液压泵和液压马达的安装
.
多功能摊铺机上都用到了那些液压关键技术呢?
.
新人报道 顺便求助
回复
使用道具
举报
提升卡
置顶卡
变色卡
吴生
吴生
当前离线
积分
111
注册时间
2013-5-23
最后登录
1970-1-1
IP卡
狗仔卡
发表于 2013-8-13 23:24:24
|
显示全部楼层
找了很久,正好最近在设计这个,谢谢楼主。
回复
使用道具
举报
突然自我
突然自我
当前离线
积分
402
注册时间
2012-9-21
最后登录
1970-1-1
IP卡
狗仔卡
打卡等级:无名新人
打卡总天数:15
打卡总奖励:38
发表于 2013-8-14 08:49:59
|
显示全部楼层
就是有些模糊,看不清楚,有没有CAD格式的!谢谢楼主 !
回复
使用道具
举报
bhlz2004
bhlz2004
当前离线
积分
93
注册时间
2013-3-24
最后登录
1970-1-1
IP卡
狗仔卡
打卡等级:无名新人
打卡总天数:3
打卡总奖励:8
发表于 2013-9-23 22:05:29
|
显示全部楼层
楼主,图纸不怎么清楚
回复
使用道具
举报
zjf8502
zjf8502
当前离线
积分
159
注册时间
2013-10-12
最后登录
1970-1-1
IP卡
狗仔卡
打卡等级:即来则安
打卡总天数:277
打卡总奖励:1787
发表于 2013-11-29 19:16:49
|
显示全部楼层
不清楚啊,怎么这么模糊,要有清楚点的就好了!多探讨探讨!
回复
使用道具
举报
709366750
709366750
当前离线
积分
334
注册时间
2013-7-2
最后登录
1970-1-1
IP卡
狗仔卡
打卡等级:以坛为家
打卡总天数:716
打卡总奖励:2660
发表于 2013-11-30 09:29:13
|
显示全部楼层
太模糊了,能发个清楚点的吗?
回复
使用道具
举报
烟波T天客
烟波T天客
当前离线
积分
2
注册时间
2016-5-12
最后登录
1970-1-1
IP卡
狗仔卡
打卡等级:无名新人
打卡总天数:1
打卡总奖励:3
发表于 2016-8-11 13:35:58
|
显示全部楼层
有点看不清啊 Lz 不过还是谢谢
回复
使用道具
举报
﹏3、哖后°
﹏3、哖后°
当前离线
积分
712
注册时间
2011-7-19
最后登录
1970-1-1
IP卡
狗仔卡
打卡等级:偶尔看看
打卡总天数:99
打卡总奖励:105
发表于 2017-11-18 14:01:34
|
显示全部楼层
看不清 发个清楚的
回复
使用道具
举报
GENGGUOZHI
GENGGUOZHI
当前离线
积分
338
注册时间
2010-2-23
最后登录
1970-1-1
IP卡
狗仔卡
打卡等级:无名新人
打卡总天数:27
打卡总奖励:72
发表于 2019-10-21 10:17:22
|
显示全部楼层
找了很久。。。。
回复
使用道具
举报
GENGGUOZHI
GENGGUOZHI
当前离线
积分
338
注册时间
2010-2-23
最后登录
1970-1-1
IP卡
狗仔卡
打卡等级:无名新人
打卡总天数:27
打卡总奖励:72
发表于 2019-10-21 10:19:39
|
显示全部楼层
最近正好找这个,都不太太清晰。。
回复
使用道具
举报
返回列表
高级模式
B
Color
Image
Link
Quote
Code
Smilies
您需要登录后才可以回帖
登录
|
立即注册
本版积分规则
发表回复
回帖后跳转到最后一页
浏览过的版块
AMESim
液压泵马达
液压技术
故障诊断
供求信息
快速回复
返回顶部
返回列表