- 积分
- 111
- 注册时间
- 2013-5-23
- 最后登录
- 1970-1-1
|
发表于 2013-8-6 22:01:37
|
显示全部楼层
feixue 发表于 2013-8-6 16:45 
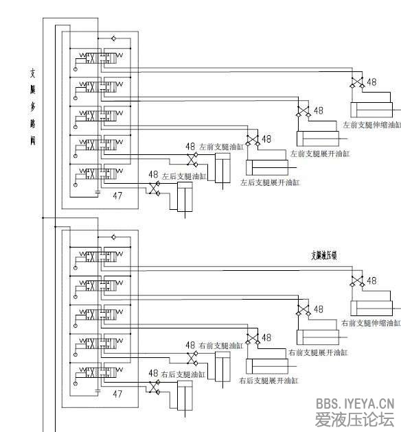
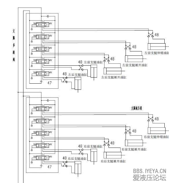
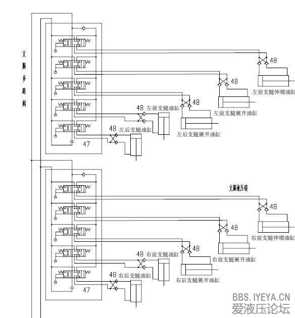
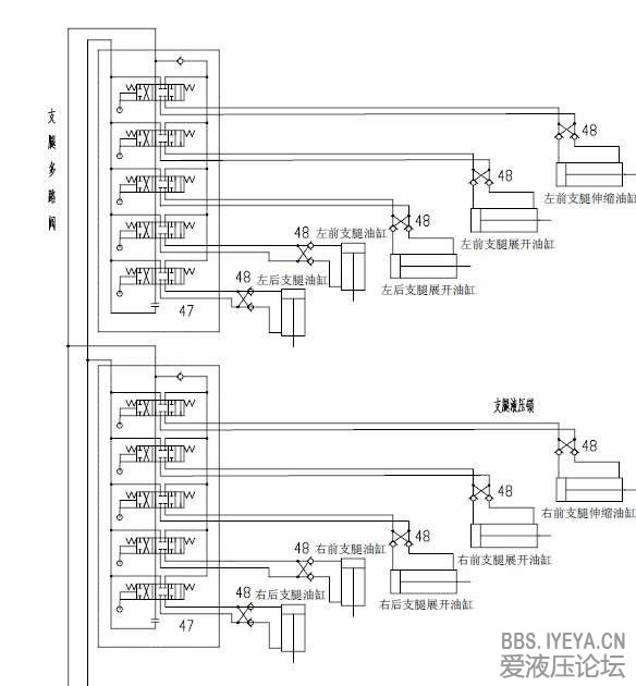
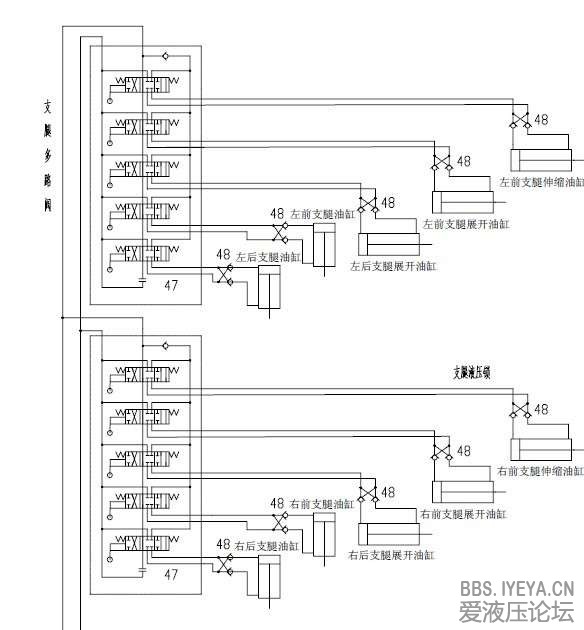
这是三一泵车的 怎么全是O型的?
在技术上不要迷信,应该有自己对技术的见解,和最本质、最深刻的理解。三一的液压系统不是教科书,如果给你一张三一的液压系统原理图,不告诉你图纸是三一的,你取认真看一下你会发现:无论是在系统回路方面、还是元件的应用的选型方面,总有不尽人意的地方。
液压锁配Y型或者是O型中位机能的阀这个主题,已经被讨论过成千上万次了。
1、脱离具体的执行机构液压回路、工况来讨论其优点、缺点没有实际意义。
2、在具体的执行机构液压回路中,O型更体现锁止的可靠性,而Y型的优越性体现在锁止的响应时间上。 |
|