搜索
汉力达液压金币充值官方微信群液压资料下载
楼主: sixue98

双阀芯多路阀论坛

  [复制链接]
  • 打卡等级:以坛为家
  • 打卡总天数:772
  • 打卡总奖励:2750
发表于 2013-12-21 09:40:31 | 显示全部楼层
是最新的技术吗?
回复

使用道具 举报

 楼主| 发表于 2013-12-21 16:51:26 | 显示全部楼层
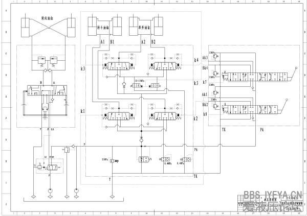
是的,我们在液压控制领域的尝试,融合了系统差动快速功能!实现自动配置负载反馈信号。
回复

使用道具 举报

 楼主| 发表于 2013-12-24 08:31:25 | 显示全部楼层
试验情况
回复

使用道具 举报

发表于 2013-12-25 11:00:45 | 显示全部楼层
sixue98 发表于 2013-12-21 16:51
是的,我们在液压控制领域的尝试,融合了系统差动快速功能!实现自动配置负载反馈信号。

有原理图吗?上一个看看呗
回复

使用道具 举报

  • 打卡等级:初来乍到
  • 打卡总天数:30
  • 打卡总奖励:74
发表于 2013-12-25 15:41:11 | 显示全部楼层
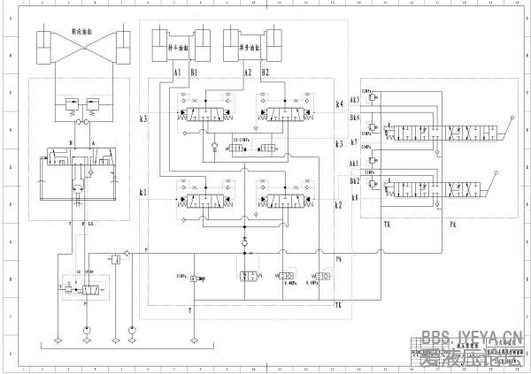
大家看看 :
MSC16.png
回复

使用道具 举报

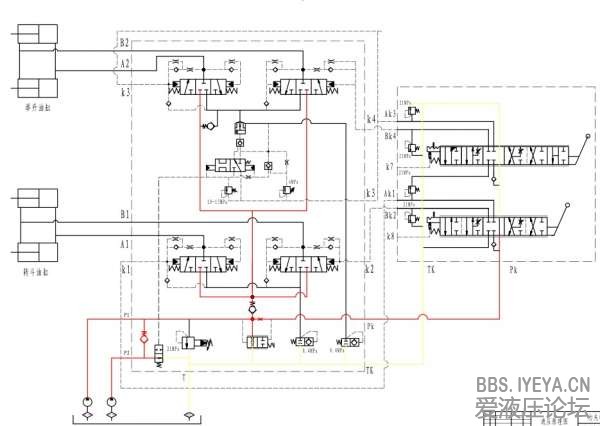
 楼主| 发表于 2013-12-25 17:59:11 | 显示全部楼层
典型液压回路!!图片传不上了
回复

使用道具 举报

 楼主| 发表于 2013-12-26 07:19:52 | 显示全部楼层
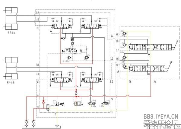
双阀芯多路阀的试验
回复

使用道具 举报

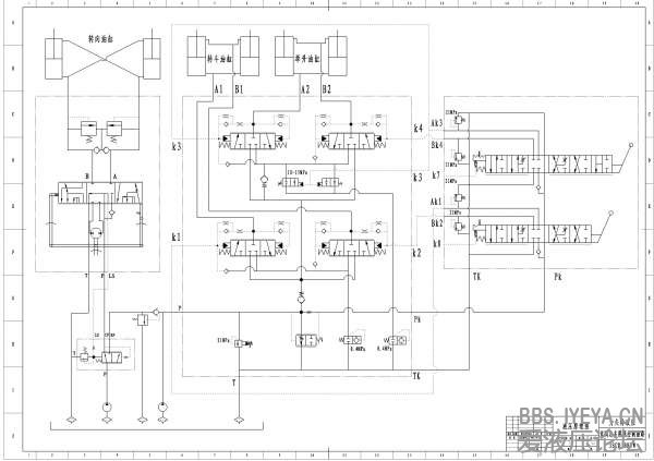
 楼主| 发表于 2013-12-27 07:29:23 | 显示全部楼层
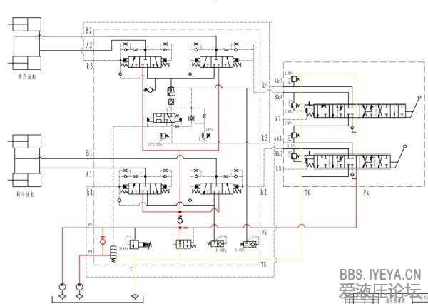
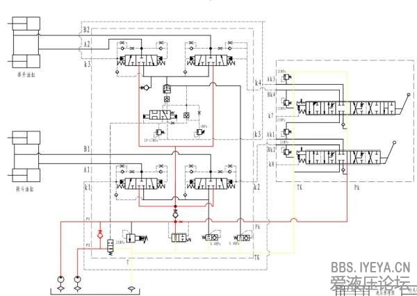
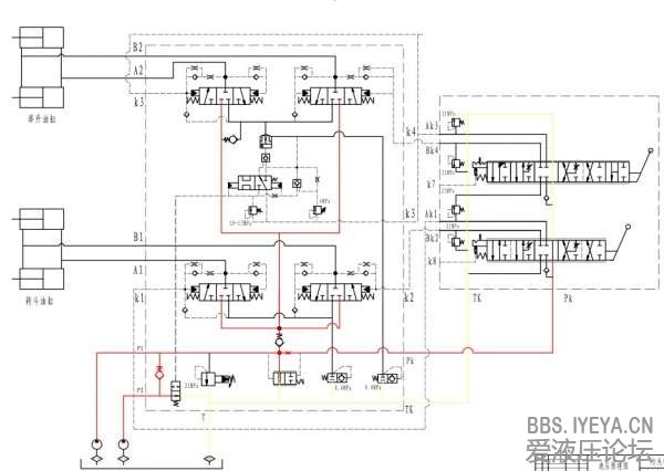
原理与创新探讨 22.jpg
P1180593.JPG
回复

使用道具 举报

发表于 2014-1-14 16:09:28 | 显示全部楼层
我是一个新手,想问您几个小问题。您的先导部分是右边的那两个阀吗?先导级的什么驱动的呢?手动的还是电磁铁呢?
回复

使用道具 举报

 楼主| 发表于 2014-1-30 07:41:08 | 显示全部楼层
新年快乐!!祝福大家马到成功!!家家发财!!!
回复

使用道具 举报

您需要登录后才可以回帖 登录 | 立即注册

本版积分规则