设为首页
收藏本站
所有帖子
关于我们
联系我们
微信群
开启辅助访问
搜索
搜索
本版
用户
门户
Portal
资讯
液压资讯
观点
观点
产品
液压产品
技术
液压技术
合集
导读
Guide
下载
签到
金币
论坛
BBS
登录
立即注册
腾讯QQ
账号
自动登录
找回密码
密码
登录
立即注册
只需一步,快速开始
好友
动态
收藏
分享
帖子
日志
记录
相册
留言板
勋章
任务
道具
设置
退出
液压圈
»
论坛
›
液压系统
›
液压技术
›
力士乐放大板没有起点的阶跃
负载敏感资料下载
|
液压培训资料下载
|
液压样本下载
|
AMESim资料下载
|
力士乐资料下载
|
挖掘机资料下载
|
标准资料下载
|
多路阀资料下载
返回列表
查看:
3927
|
回复:
1
力士乐放大板没有起点的阶跃
[复制链接]
fkccc123
fkccc123
当前离线
积分
458
注册时间
2011-5-1
最后登录
1970-1-1
IP卡
狗仔卡
打卡等级:即来则安
打卡总天数:186
打卡总奖励:554
发表于 2013-12-25 16:40:12
|
显示全部楼层
|
阅读模式
本帖最后由 fkccc123 于 2013-12-25 16:42 编辑
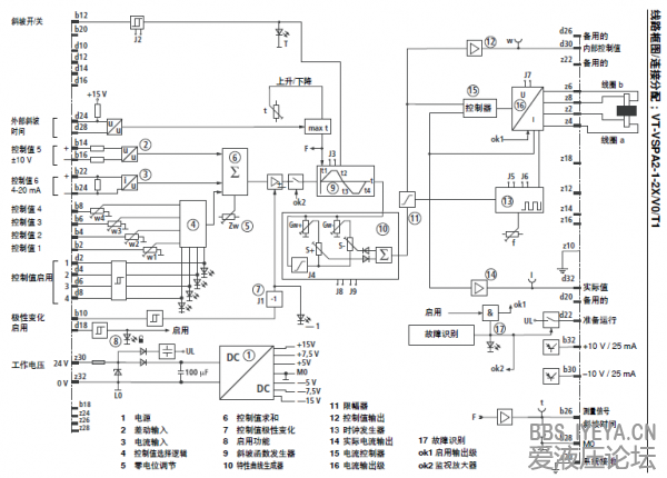
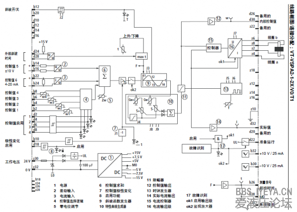
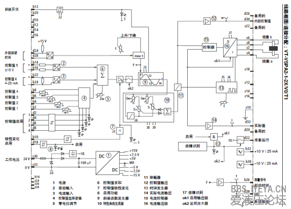
最近一块
力士乐
放大板使用过程发现输出电流偏小,而且调节增益死区都达不到要求的电流,后测试发现,放大板的输出电流是从0连续增大的,而不是先阶跃到几百mA,再连续增大,不知道怎么调,求解啊
放大板
相关帖子
.
力士乐放大板的零电位调节是什么作用
回复
使用道具
举报
提升卡
置顶卡
变色卡
游勇
游勇
当前离线
积分
2577
注册时间
2011-7-5
最后登录
1970-1-1
IP卡
狗仔卡
打卡等级:初来乍到
打卡总天数:30
打卡总奖励:74
发表于 2013-12-25 23:58:21
|
显示全部楼层
5号的电位器(可变电阻)便是调最小(零命令值)输出电流的。
回复
使用道具
举报
返回列表
高级模式
B
Color
Image
Link
Quote
Code
Smilies
您需要登录后才可以回帖
登录
|
立即注册
本版积分规则
发表回复
回帖后跳转到最后一页
浏览过的版块
液压泵马达
故障诊断
伺服控制
供求信息
工程机械
插装阀
液压电磁阀
AMESim
快速回复
返回顶部
返回列表