搜索
汉力达液压金币充值官方微信群液压资料下载
查看: 10126|回复: 21

关于东明泵结构及管路的不解,望各位给予指点!

  [复制链接]
发表于 2013-12-26 16:46:12 | 显示全部楼层 |阅读模式
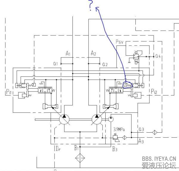
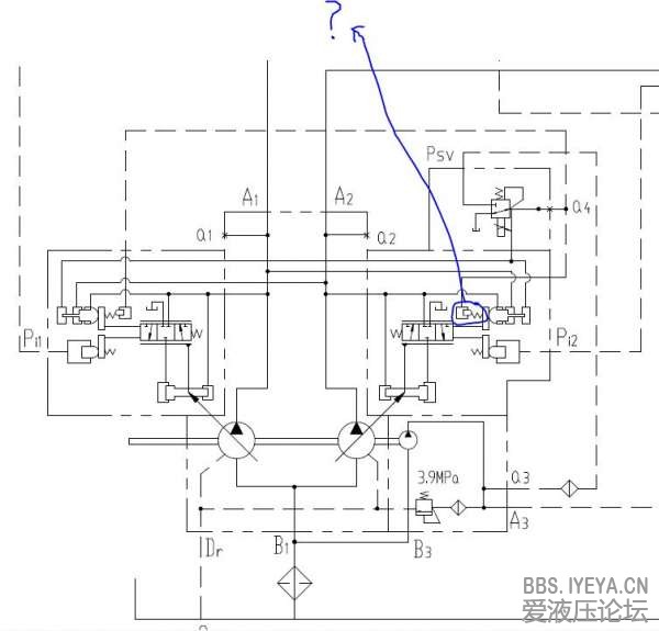
有个东明(T5V63)的原理图,从电磁比例阀出口出现两条油路,一条内部,一条外部(从a4油口),这条外部油路接到了泵调节器上,下图画圈部分。请问这条外部油路及画圈部分起什么作用,应叫什么控制呢?望指点,谢谢了!!! 捕获.JPG
  • 打卡等级:无名新人
  • 打卡总天数:4
  • 打卡总奖励:8
发表于 2013-12-26 16:57:56 | 显示全部楼层
请参考川崎K3V泵的功率控制
回复

使用道具 举报

 楼主| 发表于 2013-12-26 17:02:07 | 显示全部楼层
wawaadd 发表于 2013-12-26 16:57
请参考川崎K3V泵的功率控制

我有个关于K3V泵功率控制的资料,但对于我提的问题上面没有做介绍......若您方便的话能否帮我在帖子里说明下,或者上传您手中的泵控资料,,谢谢了!!!
回复

使用道具 举报

  • 打卡等级:无名新人
  • 打卡总天数:20
  • 打卡总奖励:46
发表于 2013-12-26 18:42:54 | 显示全部楼层
百度文库里有关于K3bv的文章。
回复

使用道具 举报

  • 打卡等级:无名新人
  • 打卡总天数:4
  • 打卡总奖励:23
发表于 2013-12-26 18:44:11 | 显示全部楼层
这个论坛上也有很多关于这方面的资料啊
回复

使用道具 举报

  • 打卡等级:无名新人
  • 打卡总天数:1
  • 打卡总奖励:4
发表于 2013-12-26 20:49:17 | 显示全部楼层
从电比例二次压力出来的,这我倒也没见过。。。
回复

使用道具 举报

  • 打卡等级:无名新人
  • 打卡总天数:4
  • 打卡总奖励:8
发表于 2013-12-26 23:29:44 | 显示全部楼层
先确认一下实物是不是有个对应的活塞作用在功率弹簧上,还是有别的结构
回复

使用道具 举报

发表于 2013-12-27 07:55:06 | 显示全部楼层
那是一个电比例减压阀,常用于挖掘机的功率模式控制设定
回复

使用道具 举报

 楼主| 发表于 2013-12-27 08:43:19 | 显示全部楼层
奥...谢谢各位了,,电磁比例阀出来另外一路用于变功率控制,这个清楚些,就是这一路在好多川崎泵包括K3V63/K3V112/K3V140/160/200/及K5V泵等都没见到这一路。似乎两路起的作用相反......
回复

使用道具 举报

发表于 2013-12-27 09:30:28 | 显示全部楼层
woshiwsm 发表于 2013-12-26 20:49
从电比例二次压力出来的,这我倒也没见过。。。

铲斗增力~
回复

使用道具 举报

您需要登录后才可以回帖 登录 | 立即注册

本版积分规则