搜索
汉力达液压金币充值官方微信群液压资料下载
查看: 40770|回复: 82

闭式系统闲聊一二

  [复制链接]
发表于 2014-1-9 18:32:58 | 显示全部楼层 |阅读模式
萨澳发明了闭式系统,闭式系统到发展到今天已经很成熟。目前行业中的有名气的闭式传动系统:力士乐的、丹尼逊的、萨澳的、林德的。
丹尼逊的闭式是唯一一家纯液压伺服控制,无机械反馈连杆的,相比机械伺服机构有何优势;
力士乐用液压实现了恒功率控制(DA控制),萨澳用电气实现了恒功率(检测发动机转速),两者相比各有什么优缺点;
力士乐、萨澳的闭式泵其只有一个补油泵,一个补油溢流阀,但是丹尼逊的泵是唯一一家将补油溢流阀和伺服溢流阀分开的,其大排量泵一般都有两个泵,一个补油泵,一个伺服补油泵,其伺服压力随着主系统压力升高而升高,补油压力为一定值.比较这两种方式有何优缺点?
据说力士乐的闭式系统(DA控制)用于行走驱动时是最好的选择,丹尼逊的泵+赫格隆的马达是大扭矩驱动系统最佳的选择,大家有何看法?
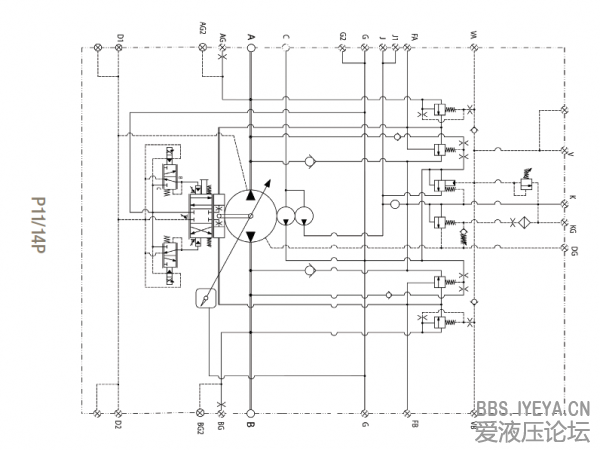
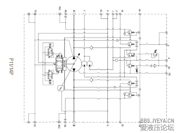
下图为丹尼逊P11P原理图
4.png
  • 打卡等级:常驻居民
  • 打卡总天数:458
  • 打卡总奖励:1443
发表于 2014-1-9 19:48:14 | 显示全部楼层
楼主了解的真多,目前仅用过力士乐和萨奥的闭式系统,用过丹尼逊的叶片泵,真不知道
丹尼逊还有闭式泵,惭愧哈 ,长见识了
回复

使用道具 举报

发表于 2014-1-9 20:20:38 | 显示全部楼层
静压闭式传动萨澳发明的,楼主哄自己的吧
回复

使用道具 举报

发表于 2014-1-9 20:21:37 | 显示全部楼层
其次,DA控制实现的也不是恒功率
回复

使用道具 举报

 楼主| 发表于 2014-1-9 20:23:30 | 显示全部楼层
摆渡人 发表于 2014-1-9 20:20
静压闭式传动萨澳发明的,楼主哄自己的吧


是的,你不信,那就是哄自己的
回复

使用道具 举报

 楼主| 发表于 2014-1-9 20:25:56 | 显示全部楼层
摆渡人 发表于 2014-1-9 20:21
其次,DA控制实现的也不是恒功率

那请大侠详细的解释下DA控制原理,顺便阐述DA控制的最终目的是什么
回复

使用道具 举报

发表于 2014-1-9 21:10:42 | 显示全部楼层
DA控制是一种与发动机转速或自动行驶有关的控制系统
这种系统的关键是DA阀
DA阀阀芯产生一个与泵驱动转速成比例的先导压力,此压力直接用于泵变量缸的定位
回复

使用道具 举报

发表于 2014-1-9 21:14:26 | 显示全部楼层
DA阀的应用,是为了适应车辆的各种不同行驶状态,实现自动功率分配和功率的充分利用,实现自适应。
DA 控制的应用,可以对柴油机进行过载保护,自动地调整柴油机负载功率,可以减轻回驶人的负担。
不知道这样解释,楼主是否满意
回复

使用道具 举报

发表于 2014-1-9 21:16:07 | 显示全部楼层
驾驶人的负担,打错一字{:8_258:}
回复

使用道具 举报

 楼主| 发表于 2014-1-9 21:20:37 | 显示全部楼层
摆渡人 发表于 2014-1-9 21:14
DA阀的应用,是为了适应车辆的各种不同行驶状态,实现自动功率分配和功率的充分利用,实现自适应。
DA 控制 ...

呵呵,你部分说对了,而且你只是说出了结果,做技术要弄明白原理,要理解da必须知道da阀是怎么样工作的,是怎么进行调节的,我发过关于da的好几个帖子,你在群里找找,里面对da发的工作原理讲的很清楚
回复

使用道具 举报

您需要登录后才可以回帖 登录 | 立即注册

本版积分规则