搜索
汉力达液压金币充值官方微信群液压资料下载
查看: 8235|回复: 17

力士乐伺服比例阀11芯插头中的8、11信号的功能?

[复制链接]
  • 打卡等级:无名新人
  • 打卡总天数:14
  • 打卡总奖励:14
发表于 2014-3-30 10:42:34 | 显示全部楼层 |阅读模式
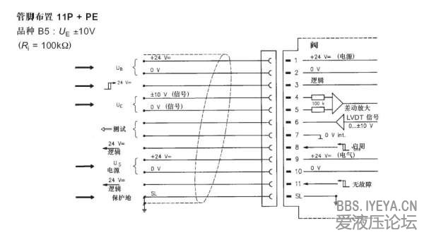
力士乐伺服比例阀11芯插头中的8、11信号的功能?8、11都属于信号,8为使能信号,且属于输入信号,即使能确认+24VDC,而11为无故障信号,且属于输出信号吗?若为输出信号,输出信号也为+24VDC。11号引脚的引出线接PLC的输入模块,还是接指示灯显示即可吗?
4WRVE伺服比例阀(力士乐).jpg
4WRVE伺服比例阀(力士乐)2.jpg

点评

带使能端的放大板,仅在使能信号输入时(如样本中所述的8.5V~24V),放大板的功率级才起作用,如果使能信号小于8.5V,放大板仅处于带电待机状态  发表于 2014-3-30 11:02
发表于 2014-3-30 10:57:12 | 显示全部楼层
11脚接指示灯的话注意引脚的带载能力,通常此类引脚的负载电流仅允许在100mA以内。
回复

使用道具 举报

  • 打卡等级:初来乍到
  • 打卡总天数:30
  • 打卡总奖励:74
发表于 2014-3-30 11:57:02 | 显示全部楼层
使能输入是3号針头,8号是使能确认输出,11号是无固障确认输出。但容许电流都少于100mA。
回复

使用道具 举报

  • 打卡等级:无名新人
  • 打卡总天数:14
  • 打卡总奖励:14
 楼主| 发表于 2014-3-30 13:20:49 | 显示全部楼层
游勇 发表于 2014-3-30 11:57
使能输入是3号針头,8号是使能确认输出,11号是无固障确认输出。但容许电流都少于100mA。

请教:8号是使能确认输出,11号是无固障确认输出——对于PLC接线图来说,输出需要接到哪里去?
回复

使用道具 举报

  • 打卡等级:无名新人
  • 打卡总天数:14
  • 打卡总奖励:14
 楼主| 发表于 2014-3-30 13:22:39 | 显示全部楼层
huntaway 发表于 2014-3-30 10:57
11脚接指示灯的话注意引脚的带载能力,通常此类引脚的负载电流仅允许在100mA以内。


11脚若不接指示灯的话,是否需要接往哪去,或者8、9号引脚也可以不用接?8、9号引脚不用接同样不影响伺服比例阀的使用功能,对吗?
回复

使用道具 举报

发表于 2014-3-30 18:05:42 | 显示全部楼层
scgbb 发表于 2014-3-30 13:22
11脚若不接指示灯的话,是否需要接往哪去,或者8、9号引脚也可以不用接?8、9号引脚不用接同样不影响伺 ...

6,7,8,11是阀监视信号的接口,不接不影响阀的正常使用,其它管脚都是要接的。而且该阀将功率级的供电(1,2脚)和信号级的供电(9,10脚)相互独立,这样的设置倒是不常见到

点评

感觉2脚和10脚应该是连起来的,楼主可以用万用表确认一下  发表于 2014-3-30 18:33
回复

使用道具 举报

  • 打卡等级:无名新人
  • 打卡总天数:14
  • 打卡总奖励:14
 楼主| 发表于 2014-3-30 20:39:22 | 显示全部楼层
本帖最后由 scgbb 于 2014-3-30 21:16 编辑
huntaway 发表于 2014-3-30 18:05
6,7,8,11是阀监视信号的接口,不接不影响阀的正常使用,其它管脚都是要接的。而且该阀将功率级的供电(1, ...


6、7引脚确实接了模拟量输入模块,而8、11只如图所示,而未搞清楚其用意?
2014-03-30_204630.jpg

点评

8脚高电平表明放大板使能确认,已处于工作状态;11脚高电平表明比例阀工作正常。两引脚都是阀的监视信号  发表于 2014-3-30 21:41
回复

使用道具 举报

  • 打卡等级:无名新人
  • 打卡总天数:14
  • 打卡总奖励:14
 楼主| 发表于 2014-3-30 20:43:48 | 显示全部楼层
本帖最后由 scgbb 于 2014-3-30 21:15 编辑

特别说明:该阀为博士力士乐的4WRVE伺服比例阀
回复

使用道具 举报

  • 打卡等级:无名新人
  • 打卡总天数:14
  • 打卡总奖励:14
 楼主| 发表于 2014-3-30 23:28:16 | 显示全部楼层
scgbb 发表于 2014-3-30 20:39
6、7引脚确实接了模拟量输入模块,而8、11只如图所示,而未搞清楚其用意?

两引脚都是阀的监视信号,如何实现信号的监视?用PLC方式还是其它方式?
回复

使用道具 举报

发表于 2014-3-31 20:38:11 | 显示全部楼层
scgbb 发表于 2014-3-30 23:28
两引脚都是阀的监视信号,如何实现信号的监视?用PLC方式还是其它方式?

监视信号,就是阀工作状态的一种电信号表达方式,你可以不理会它,也可以通过PLC,采集卡等等手段利用该信号,完全依照电控系统的需要而定
回复

使用道具 举报

您需要登录后才可以回帖 登录 | 立即注册

本版积分规则