设为首页
收藏本站
所有帖子
关于我们
联系我们
微信群
开启辅助访问
搜索
搜索
本版
用户
门户
Portal
资讯
液压资讯
观点
观点
产品
液压产品
技术
液压技术
合集
导读
Guide
下载
签到
金币
论坛
BBS
登录
立即注册
腾讯QQ
账号
自动登录
找回密码
密码
登录
立即注册
只需一步,快速开始
好友
动态
收藏
分享
帖子
日志
记录
相册
留言板
勋章
任务
道具
设置
退出
液压圈
»
论坛
›
液压系统
›
工程机械
›
一联阀,只用一头,另一头不用,对应的先导口是直接堵死 ...
负载敏感资料下载
|
液压培训资料下载
|
液压样本下载
|
AMESim资料下载
|
力士乐资料下载
|
挖掘机资料下载
|
标准资料下载
|
多路阀资料下载
1
2
/ 2 页
下一页
返回列表
查看:
9838
|
回复:
17
[挖掘机]
一联阀,只用一头,另一头不用,对应的先导口是直接堵死吗
[复制链接]
lovetsing
lovetsing
当前离线
积分
192
注册时间
2012-7-6
最后登录
1970-1-1
IP卡
狗仔卡
打卡等级:无名新人
打卡总天数:2
打卡总奖励:7
发表于 2014-4-14 16:20:00
|
显示全部楼层
|
阅读模式
如题,是直接堵死吗,会不会影响另一头的使用效果啊
回复
使用道具
举报
提升卡
置顶卡
变色卡
shizhihui
shizhihui
当前离线
积分
152
注册时间
2014-3-4
最后登录
1970-1-1
IP卡
狗仔卡
打卡等级:无名新人
打卡总天数:2
打卡总奖励:3
发表于 2014-4-14 16:54:38
|
显示全部楼层
什么阀啊!!
回复
使用道具
举报
继续
继续
当前离线
积分
927
注册时间
2013-1-19
最后登录
1970-1-1
IP卡
狗仔卡
打卡等级:无名新人
打卡总天数:2
打卡总奖励:6
发表于 2014-4-14 19:09:13
|
显示全部楼层
是换向阀吗?最好说的具体一点
回复
使用道具
举报
sixue98
sixue98
当前离线
积分
502
注册时间
2013-12-20
最后登录
1970-1-1
IP卡
狗仔卡
发表于 2014-4-14 19:38:42
|
显示全部楼层
一般不要堵上,应该接回油。
回复
使用道具
举报
Jacky-Lisa
Jacky-Lisa
当前离线
积分
382
注册时间
2011-3-27
最后登录
1970-1-1
IP卡
狗仔卡
打卡等级:常驻居民
打卡总天数:306
打卡总奖励:742
发表于 2014-4-14 23:15:03
|
显示全部楼层
楼主如有原理图,不妨贴出来,更加有利于分析.
谢谢...
回复
使用道具
举报
goldfluid
goldfluid
当前离线
积分
216
注册时间
2010-12-1
最后登录
1970-1-1
IP卡
狗仔卡
打卡等级:论坛老炮
打卡总天数:1172
打卡总奖励:4705
发表于 2014-4-15 06:29:27
|
显示全部楼层
不能堵,堵上后会使阀芯动不了
回复
使用道具
举报
lovetsing
lovetsing
当前离线
积分
192
注册时间
2012-7-6
最后登录
1970-1-1
IP卡
狗仔卡
打卡等级:无名新人
打卡总天数:2
打卡总奖励:7
楼主
|
发表于 2014-4-15 07:51:36
|
显示全部楼层
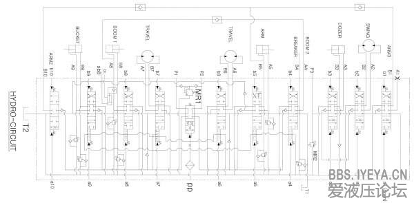
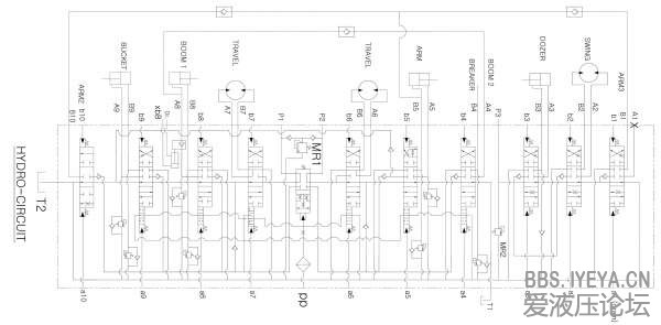
如图,我把小b4与大B4用堵头直接堵死,那么会不会影响小a4与大A4的开口状态,以及T1回油的通径大小??
回复
使用道具
举报
lovetsing
lovetsing
当前离线
积分
192
注册时间
2012-7-6
最后登录
1970-1-1
IP卡
狗仔卡
打卡等级:无名新人
打卡总天数:2
打卡总奖励:7
楼主
|
发表于 2014-4-15 07:59:18
|
显示全部楼层
如图,我把小b4与大B4直接用堵头堵死,那么请教一下,这个会不会影响到小a4与大A4的工作性能,以及T1口回油的通径大小?有实际的案例没有?
回复
使用道具
举报
摆渡人
摆渡人
当前离线
积分
229
注册时间
2014-1-6
最后登录
1970-1-1
IP卡
狗仔卡
发表于 2014-4-15 22:31:48
|
显示全部楼层
B4,可以直接堵住,
b4,堵住后,会使此腔成为封闭加压,较为不利
回复
使用道具
举报
rebook163
rebook163
当前离线
积分
34
注册时间
2010-9-7
最后登录
1970-1-1
IP卡
狗仔卡
发表于 2014-4-16 09:51:25
|
显示全部楼层
楼主能说说你的实际情况吗?为什么要堵上呢?是什么特殊的应用吗? b4 堵上会导致阀芯不能移动,B4 堵上后,A4工作时不需要回油?
回复
使用道具
举报
下一页 »
1
2
/ 2 页
下一页
返回列表
高级模式
B
Color
Image
Link
Quote
Code
Smilies
您需要登录后才可以回帖
登录
|
立即注册
本版积分规则
发表回复
回帖后跳转到最后一页
浏览过的版块
资料下载
液压技术
故障诊断
供求信息
液压油缸
AMESim
快速回复
返回顶部
返回列表