设为首页
收藏本站
所有帖子
关于我们
联系我们
微信群
开启辅助访问
搜索
搜索
本版
用户
门户
Portal
资讯
液压资讯
观点
观点
产品
液压产品
技术
液压技术
合集
导读
Guide
下载
签到
金币
论坛
BBS
登录
立即注册
腾讯QQ
账号
自动登录
找回密码
密码
登录
立即注册
只需一步,快速开始
好友
动态
收藏
分享
帖子
日志
记录
相册
留言板
勋章
任务
道具
设置
退出
液压圈
»
论坛
›
液压系统
›
AMESim
›
为什么我建的三位四通电液换向阀并不能实现? ...
负载敏感资料下载
|
液压培训资料下载
|
液压样本下载
|
AMESim资料下载
|
力士乐资料下载
|
挖掘机资料下载
|
标准资料下载
|
多路阀资料下载
返回列表
查看:
4860
|
回复:
7
为什么我建的三位四通电液换向阀并不能实现?
[复制链接]
baozi_5
baozi_5
当前离线
积分
27
注册时间
2014-5-4
最后登录
1970-1-1
IP卡
狗仔卡
发表于 2014-5-15 21:44:22
|
显示全部楼层
|
阅读模式
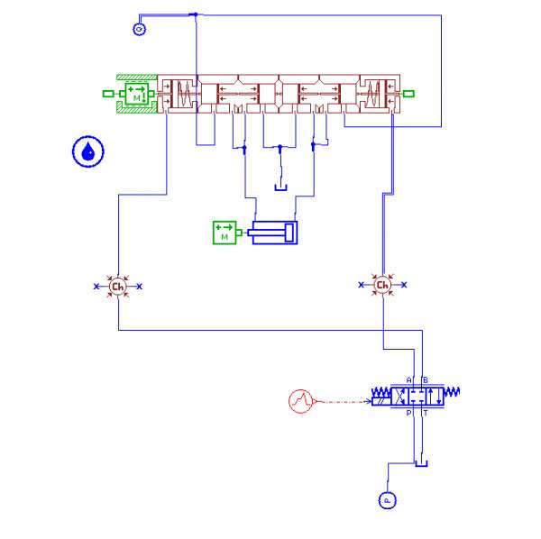
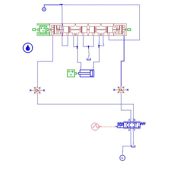
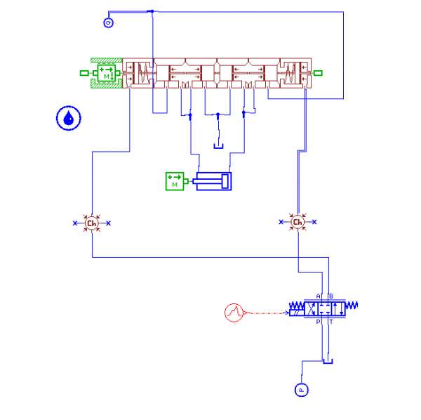
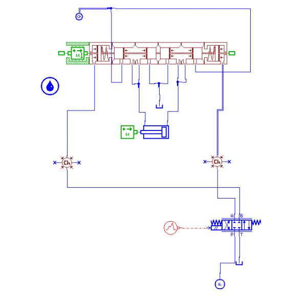
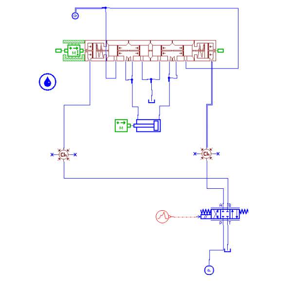
请教我建的简单三位四通电液换向阀并不能实现换向功能?信号参数等都设置了...
电液换向阀
,
四通
相关帖子
.
求购二位四通球型换向阀
.
求一个三位四通手动换向阀的连接底板
.
请教各位大神,Y型机能三位四通电磁换向阀元件级建模怎么建啊
.
新人求教,三位四通H型换向阀详细建模
.
电磁换向阀PTAB口互换问题求助
.
电液换向阀
.
怎么样控制三位四通换向阀阀芯位移大小?
.
如何根据接近开关的触发信号,来控制三位四通电磁换向阀?
.
有哪位大神帮我仿一下四通阀控液压缸系统
.
电液换向阀的使用
回复
使用道具
举报
提升卡
置顶卡
变色卡
iRexroth
iRexroth
当前离线
积分
74
注册时间
2013-2-28
最后登录
1970-1-1
IP卡
狗仔卡
打卡等级:初来乍到
打卡总天数:37
打卡总奖励:105
发表于 2014-5-15 22:30:09
|
显示全部楼层
你那质量块模型都错了能run?
回复
使用道具
举报
iRexroth
iRexroth
当前离线
积分
74
注册时间
2013-2-28
最后登录
1970-1-1
IP卡
狗仔卡
打卡等级:初来乍到
打卡总天数:37
打卡总奖励:105
发表于 2014-5-15 22:31:05
|
显示全部楼层
原件有吗 传上来
回复
使用道具
举报
苦行僧
苦行僧
当前离线
积分
430
注册时间
2011-4-11
最后登录
1970-1-1
IP卡
狗仔卡
打卡等级:无名新人
打卡总天数:3
打卡总奖励:10
发表于 2014-5-16 08:06:02
|
显示全部楼层
质量块有叹号,把质量块反向
回复
使用道具
举报
baozi_5
baozi_5
当前离线
积分
27
注册时间
2014-5-4
最后登录
1970-1-1
IP卡
狗仔卡
楼主
|
发表于 2014-5-16 09:50:06
|
显示全部楼层
gaoxuetao 发表于 2014-5-16 08:06
质量块有叹号,把质量块反向
不是质量块的原因,源文件不好传
http://yunpan.cn/QikZ4u9GPbavy 访问密码 c781
回复
使用道具
举报
baozi_5
baozi_5
当前离线
积分
27
注册时间
2014-5-4
最后登录
1970-1-1
IP卡
狗仔卡
楼主
|
发表于 2014-5-16 10:08:06
|
显示全部楼层
质量块在建模时并没错误,也可以分析,如果反向一样会有叹号,一样可以分析....我并不知道为什么会出现叹号,在以前这么建不出现,看别人这么建的也没叹号
回复
使用道具
举报
baozi_5
baozi_5
当前离线
积分
27
注册时间
2014-5-4
最后登录
1970-1-1
IP卡
狗仔卡
楼主
|
发表于 2014-5-16 10:17:25
|
显示全部楼层
质量块反过来了,但是还是会出现叹号,这个可以正常运行.....
回复
使用道具
举报
小青马
小青马
当前离线
积分
4
注册时间
2012-10-17
最后登录
1970-1-1
IP卡
狗仔卡
发表于 2014-5-16 14:05:29
|
显示全部楼层
恒流源和邮箱换一下位置?
回复
使用道具
举报
返回列表
高级模式
B
Color
Image
Link
Quote
Code
Smilies
您需要登录后才可以回帖
登录
|
立即注册
本版积分规则
发表回复
回帖后跳转到最后一页
浏览过的版块
液压技术
液压电磁阀
快速回复
返回顶部
返回列表